电子技术入门知识
“电子技术无处不在”,小到身边的随身听,大到“神舟飞船”,无一不闪现着电子技术的身影。电子技术应用于社会的众多领域,根据应用领域的不同,电子技术可分为家庭消费电子技 术(如电视机)、通信电子技术(如移动电话)、工业电子技术(如变频器)、机械电子技术(如智能机器人控制系统)、医疗电子技术(如 B 超机)、汽车电子技术(如汽车电气控制系统)、消费 数码电子技术(如数码相机)和军事科技电子技术(如导弹制导系统)等。 电子工程师是指从事各类电子产品和信息系统研究、教学、产品设计、科技开发、生产和管理等工作的高级工程技术人才。电子工程师一般分为硬件电子工程师和软件电子工程师,其中硬件电子工程师主要负责运用各种电子工具进行电子产品的装配、测试和维修等工作,其工作是技术与手动操作的结合;软件电子工程师主要负责分析、设计电路图,制作印制电路板(PCB),以及对嵌入式系统(如单片机)进行编程等工作。 为了让读者能够轻松快速地进入电子工程师行列,我们推出了“电子工程师自学速成”丛书,该丛书的分为“入门篇”、“提高篇”和“设计篇”3本,各书内容说明如下。 《电子工程师自学速成——入门篇》的内容包括电子技术入门基础、电子元器件(电阻器、 电容器、电感器、变压器、二极管、三极管、光电器件、电声器件、晶闸管、场效应管、IGBT、继电器、干簧管、显示器件、贴片元器件、集成电路和传感器)、基础电子电路、收音机与电子产品的检修、电子测量基础、指针万用表、数字万用表、信号发生器、毫伏表、示波器、频率计和扫频仪等。 《电子工程师自学速成——提高篇》的内容包括模拟电路和数字电路两大部分,其中模拟电路部分的内容有电路分析基础、放大电路、放大器、谐振电路、滤波电路、振荡器、调制电 路、解调电路、变频电路、反馈控制电路、电源电路和晶闸管电路,数字电路部分的内容有数字电路基础、门电路、数制、编码、逻辑代数、组合逻辑电路、时序逻辑电路、脉冲电路、D/A转 换器、A/D转换器和半导体存储器。 《电子工程师自学速成——设计篇》的内容包括单片机技术和Protel电路绘图设计两大部分,其中单片机技术部分的内容有单片机入门、单片机硬件原理、单片机的开发过程、单片机编程、中断技术、定时器/计数器、串行通信技术和接*技口**术Protel电路绘图设计部分的内容有Protel软件入门、设计电路原理图、制作新元件、手工设计PCB、自动设计PCB和制作新元件封装。 “电子工程师自学速成”丛书主要有以下特点。 ◆ 基础起点低。读者只需具有初中文化程度即可阅读本套丛书。 ◆ 语言通俗易懂。书中少用专业化的术语,遇到较难理解的内容用形象的比喻说明,尽量避免复杂的理论分析和烦琐的公式推导,使得图书阅读起来十分顺畅。 ◆ 内容解说详细。考虑到自学时一般无人指导,因此在本套丛书编写过程中对书中的知识和技能进行了详细解说,让读者能轻松理解所学内容。 ◆ 采用图文并茂的表现方式。书中大量采用读者喜欢的直观形象的图表方式表现内容,使阅读变得非常轻松,不易产生阅读疲劳。 ◆ 内容安排符合认知规律。图书按照循序渐进、由浅入深的原则来确定各章节内容的先后顺序,读者只需从前往后阅读图书,便会水到渠成。 ◆ 突出显示知识要点。为了帮助读者掌握书中的知识要点,书中用阴影和文字加粗的方法突出显示知识要点,指示学习重点。
- 电阻在图1-3(a)所示电路中增加一个元器件——电阻器,发现灯光会变暗,该电路的电路图如图1-3(b)所示。为什么在电路中增加了电阻器后灯光会变暗呢? 原来电阻器对电流有一定的阻碍作用,从而使流过灯泡的电流减小,灯光变暗。
导体对电流的阻碍称为该导体的电阻,电阻通常用字母“R”表示,电阻的单位为欧姆(简称欧),用“Ω”表示,比欧姆大的单位有千欧(kΩ)、兆欧(MΩ),它们之间的换算关系为

导体的电阻计算公式为

在上式中,L为导体的长度(单位:m),S为导体的横截面积(单位:m2),ρ为导体的电阻率(单位:Ω·m)。不同的导体,ρ 值一般不同。表 1-1 列出了一些常见导体的电阻率(20 时)。在长度L和横截面积S相同的情况下,电阻率越大的导体其电阻越大,例如,L、S相同的铁导线和铜导线,铁导线的电阻约是铜导线的 5.9 倍。由于铁导线的电阻率较铜导线大很多,所以为了使负载得到较大电流以及减小供电线路的损耗,供电线路通常采用铜导线。表1-1 一些常见导体的电阻率(20 时)

导体的电阻除了与材料有关外,还受温度影响。一般情况下,导体温度越高电阻越大,例如常温下灯泡(白炽灯)内部钨丝的电阻很小,通电后钨丝的温度升到1 000 以上,其电阻急剧增大;导体温度下降电阻减小,某些金属材料在温度下降到某一值时(如-109 ),电阻会突然变为0Ω,这种现象称为超导现象,具有这种性质的材料称为超导材料。
电位、电压和电动势对初学者来说较难理解,下面通过图 1-4 所示的水流示意图来说明这些术语。首先来分析图1-4中的水流过程.

水泵将河中的水抽到山顶的A处,水到达A处后再流到B处,水到B处后流往C处(河中),然后水泵又将河中的水抽到A处,这样使得水不断循环流动。水为什么能从A处流到B处,又从B处流到C处呢? 这是因为A处水位较B处水位高,B处水位较C处水位高。要测量A处和B处水位的高度,必须先要找一个基准点(零点),就像测量人的身高要选择脚底为基准点一样,这里以河的水面为基准(C处)。AC之间的垂直高度为A处水位的高度,用HA表示;BC之间的垂直高度为B处水位的高度,用HB表示。由于A处和B处水位高度不一样,它们存在着水位差,该水位差用 HAB表示,它等于 A 处水位高度 HA与 B 处水位高度 HB之差,即HAB=HA-HB。为了让A处源源不断有水往B、C处流,需要水泵将低水位的河水抽到高处的A点,这样做水泵是需要消耗能量的(如耗油)。1.电位电路中的电位、电压和电动势与上述水流情况很相似。如图 1-5 所示,电源的正极输出电流,流到A点,再经R1流到B点,然后通过R2流到C点,最后流到电源的负极。与图1-4所示水流示意图相似,图1-5所示电路中的A、B点也有高低之分,只不过不是水位,而称为电位,A点电位较B点电位高。为了计算电位的高低,也需要找一个基准点作为零点,为了表明某点为零基准点,通常在该点处画一个“⊥ ”符号,该符号称为接地符号,接地符号处的电位规定为0V,电位单位不是米(m),而是伏特(简称伏),用“V”表示。在图1-5所示电路中,以C点为0V(该点标有接地符号),A点的电位为3V,表示为VA=3V;B点电位为1V,表示为VB=1V。

- 电压图1-5所示电路中的A点和B点的电位是不同的,有一定的差距,这种电位之间的差距称为电位差,又称电压。A点和B点之间的电位差用UAB表示,它等于A点电位VA与B点电位VB的差,即UAB=VA-VB=3V-1V=2V。因为A点和B点电位差实际上就是电阻器R1两端的电位差(即电压), R1两端的电压用UR1表示,所以UAB=UR1。3.电动势为了让电路中始终有电流流过,电源需要在内部将流到负极的电流源源不断地“抽”到正极,使电源正极具有较高的电位,这样正极才会输出电流。当然,电源内部将负极的电流“抽”到正极需要消耗能量(如干电池会消耗掉化学能)。电源消耗能量在两极建立的电位差称为电动势,电动势的单位也为伏特,图1-5所示电路中电源的电动势为3V。由于电源内部的电流是由负极流向正极,故电源的电动势方向规定为从电源负极指向正极。
- 电路有3种状态:通路、开路和短路,这3种状态的电路如图1-6所示。

图1-6 电路的3种状态
1.通路图1-6(a)所示电路处于通路状态。电路处于通路状态的特点有:电路畅通,有正常的电流流过负载,负载正常工作。2.开路图1-6(b)所示电路处于开路状态。电路处于开路状态的特点有:电路断开,无电流流过负载,负载不工作。3.短路图1-6(c)所示电路处于短路状态。电路处于短路状态的特点有:电路中有很大电流流过,但电流不流过负载,负载不工作。由于电流很大,电源和导线很容易被烧坏。
1.接地接地在电子电路中应用广泛,电路中常用图1-7所示的符号表示接地和接机壳。为了便于初学者理解,本书将接地和接机壳统一成接地来说明。在电子电路中,接地的含义不是表示将电路连接到大地,而是有以下的意义。① 在电路中,接地符号处的电位规定为 0V。在图1-8(a)所示电路中,A 点标有接地符号,规定A点的电位为0V。② 在电路中,标有接地符号的地方都是相通的。图1-8(b)所示的两个电路,虽然从形式上看不一样,但电路的实际连接是一样的,故两个电路中的灯泡都会亮。

图1-7 接地和接机壳符号

图1-8 接地符号含义说明图
2.屏蔽在电子设备中,为了防止某些元器件和电路工作时受到干扰,或者为了防止某些元器件和电路在工作时产生信号干扰其他电路的正常工作,通常对这些元器件和电路采取隔离措施,这种隔离称为屏蔽。屏蔽常用图1-9所示的符号表示。屏蔽的具体做法是用金属材料(称为屏蔽罩)将元器件或电路封闭起来,再将屏蔽罩接地。图 1-10所示为带有屏蔽罩的元器件和导线,外界干扰信号无法穿过金属屏蔽罩干扰内部的元器件和电路。

图1-10 带有屏蔽罩的元器件和导线
欧姆定律是电子技术中的一个最基本的定律,反映了电路中电阻、电流和电压之间的关系。欧姆定律的内容是:在电路中,流过电阻的电流I的大小与电阻两端的电压U成正比,与电阻R的大小成反比,即

也可以表示为U=IR和

为了更好地理解欧姆定律,下面以图1-11所示的几种形式为例加以说明

1-11 欧姆定律的几种形式图示
在图1-11(a)中,已知电阻R=10Ω,电阻两端的电压UAB=5V,那么流过电阻的电流

在图1-11(b)中,已知电阻R=5Ω,流过电阻的电流I=2A,那么电阻两端的电压UAB=I·R=2A× 5Ω=10V。在图 1-11(c)中,已知流过电阻的电流 I=2A,电阻两端的电压 UAB=12V,那么电阻的大小

下面以图1-12所示的电路为例来说明欧姆定律的应用。

图1-12 欧姆定律的应用说明图
在图 1-12 所示的电路中,电源的电动势 E=12V,它与 A、D 之间的电压 UAD相等,3 个电阻R1、R2、R3串接起来,可以相当于一个电阻R,R=R1+R2+R3=2Ω+7Ω+3Ω=12Ω。知道了电阻的大小和电阻两端的电压,就可以求出流过电阻的电流I了。

求出了流过R1、R2、R3的电流I,并且它们的电阻大小已知,就可以求出R1、R2、R3两端的电压UR1(UR1实际就是A、B两点之间的电压UAB)、UR2和UR3了。

从上面可以看出 UR1+UR2+UR3=UAB+UBC+UCD=UAD=12V
在图1-12中如何求B点电压呢? 首先要明白:在电路中,某点电压指的是该点与地之间的电压,所以B点电压UB实际就是电压UBD,求UB有以下两种方法。方法一 UB=UBD=UBC+UCD=UR2+UR3=7V+3V=10V方法二 UB=UBD=UAD-UAB=UAD-UR1=12V-2V=10V
1.电功电流流过灯泡,灯泡会发光;电流流过电炉丝,电炉丝会发热;电流流过电动机,电动机会运转。可见电流流过一些用电设备时是会做功的,电流做的功称为电功。用电设备做功的大小 不但与加到用电设备两端的电压及流过用电设备的电流有关,而且与通电时间长短有关。电功可用下面的公式计算式中,

W表示电功,单位为焦(J);U表示电压,单位为伏(V);I表示电流,单位为安(A);t表示时间,单位为秒(s)。2.电功率电流需要通过一些用电设备才能做功,为了衡量这些设备做功能力的大小,引入一个电功率的概念。电功率是指单位时间里电流通过用电设备所做的功。电功率常用 P 表示,单位为瓦(W),此外还有千瓦(kW)和毫瓦(mW),它们之间的换算关系是

电功率的计算公式是 P=UI
根据欧姆定律可知U=I·R,

所以电功率还可以用以下公式来表示

举例:在图1-13所示电路中,灯泡两端的电压为220V(它与电源的电动势相等),流过灯泡的电流为 0.5A,求灯泡的电功率、电阻和灯泡在10s内所做的功。

图1-13 电功率计算例图
灯泡的电功率 P=UI=220V×0.5A=110W
灯泡的电阻

灯泡在10s做的功 W=Pt=UIt=220V×0.5A×10s=1 100J
这里要补充一下,电功的单位是焦耳(J),但在电学中还常用另一个单位——千瓦时(kW·h)来表示,千瓦时也称度。1kW·h=1度,千瓦时与焦耳的关系是

1kW·h可以这样理解:一个电功率为100W的灯泡连续使用10h消耗的电功为1kW·h,即消耗1度电。3.焦耳定律电流流过导体时导体会发热,这种现象称为电流的热效应。电热锅、电饭煲和电热水器等都是利用电流的热效应来工作的。
英国物理学家焦耳通过实验发现:电流流过导体,导体发出的热量与导体流过的电流、导体的电阻和通电的时间有关。这个关系用公式表示就是

式中,Q 表示热量,单位为焦耳(J);R 表示电阻,单位为欧姆(Ω);t 表示时间,单位为秒(s)。该定律说明:电流流过导体产生的热量,与电流的平方、导体的电阻及通电时间成正比。由于这个定律除了由焦耳发现外,俄国科学家楞次也通过实验独立发现,故该定律又称焦耳-楞次定律。举例:某台电动机的额定电压是220V,线圈的电阻为0.4Ω, 当电动机接220V的电压时,流过的电流是3A,求电动机的电功率和线圈每秒钟发出的热量。
电动机的电功率 P=U·I=220V×3A=660W电动机线圈每秒钟发出的热量 Q=I2Rt=32A×0.4Ω×1s=3.6J
电阻是电路中应用最多的一种电子元器件,在一个电路中往往同时使用多个电阻。电阻的连接方式可分为串联、并联和混联3种。
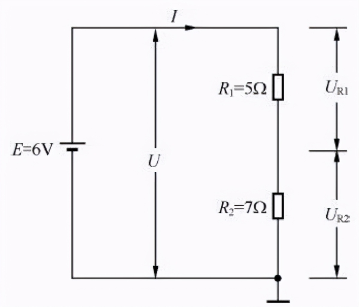
两个或两个以上的电阻头尾相接连在电路中,称为电阻的串联。电阻的串联如图1-14所示。

图1-14 电阻的串联
电阻串联电路的特点有以下几个。① 流过各串联电阻的电流相等,都为I。② 电阻串联后的总电阻增大,总电阻等于各串联电阻之和,即

③ 总电压等于各串联电阻上电压之和,即

④ 电阻越大,两端电压越高,因为R1<R2,所以UR1<UR2。在图1-14所示的电路中,两个串联电阻上的总电压U等于电源的电动势,即U=E=6V;电阻串联后总电阻R=R1+R2;流过各电阻的电流

;电阻R1两端的电压UR1=I·R1=0.5A×5Ω=2.5V,电阻R2两端的电压UR2=I·R2=0.5A×7Ω=3.5V。
两个或两个以上的电阻头头相接、尾尾相接连接在电路中,称为电阻的并联。电阻的并联如图1-15所示。

图1-15 电阻的并联
电阻并联电路的特点有以下几个。① 并联电阻两端的电压相等,即

③ 电阻并*总联**电阻减小,总电阻的倒数等于各并联电阻的倒数之和,即

该式子可变形为

④ 在并联电路中,电阻越小,流过电阻的电流越大,因为R1<R2,所以I1>I2。在图 1-15 所示电路中,并联电阻 R1、R2两端的电压相等,UR1=UR2=U=6V;流过 R1的电流

,流过 R2的电流

总电流 I=I1+I2=1A+0.5A=1.5A;R1、R2并*总联**电阻

。
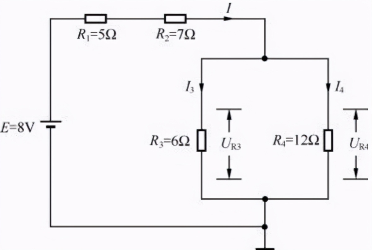
一个电路中的电阻连接方式既有串联又有并联时,称为电阻的混联,如图1-16所示。

图1-16 电阻的混联
对于电阻混联电路总电阻可以这样求:先求并联电阻的总电阻,然后再求串联电阻与并联电阻的总电阻之和。在图 1-16 所示电路中,并联电阻 R3、R4的总电阻为

电路的总电阻

想想看,如何求图1-16中总电流I,R1两端电压UR1,R2两端电压 UR2,R3两端电压 UR3和流过 R3、R4的电流I3、I4的大小。
下期就是交流电和直流电