该内容转载自硬件工程师炼成之路
常用的电路(NPN为例)
1、电平转换,反相

这个电路用得非常多,有两个功能。
一是信号反相,就是输入高电平,输出就是低电平;输入低电平,输出就是高电平
二是改变输出信号的电压,比如输入的电压范围是0V或者是3.3V,想要得到一个输出是0V或者是5V的电平怎么办呢?让Vcc接5V就可以了,输出高的时候,out的电平就是大约为5V的。
2、驱动指示灯
我们经常使用三极管驱动LED灯,比如下面这个电路:

3、驱动MOS开关
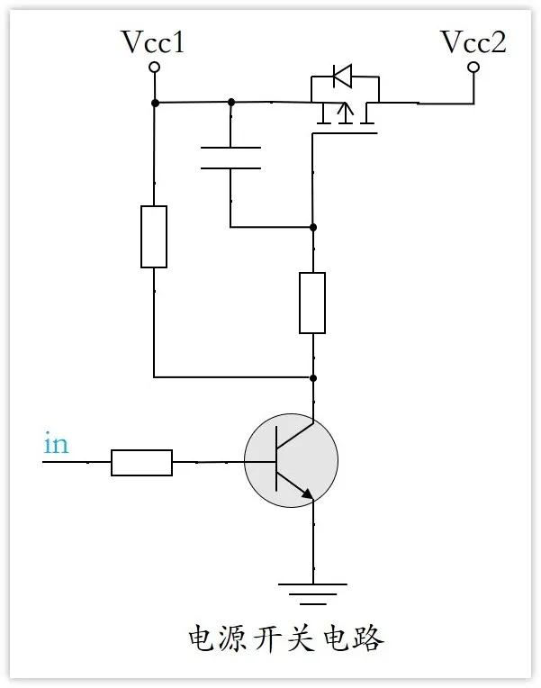
还一个电路也用得非常多,那就是驱动电源的PMOS开关,如下图:

在in为低时,三极管不导通,相当于是开路,PMOS管的Vgs为0,PMOS管也不导通,Vcc2没有电。
在in为高时,三极管导通,集电极相当于是接地GND,于是PMOS管的Vgs为-Vcc1,PMOS管导通,也就是Vcc1与Vcc2之间导通,Vcc2有电。
可以看到,以上三种电路,其实都一样,就是 三极管是用作开关的,要不工作在饱和区(导通),要不工作在截止区(不导通),总之就是不能工作在放大区。这个比较容易理解,如果工作在放大区,那么Vce的电压就很难确定了,这会导致当你想要高低电平的时候,结果得到一个中间态。
所以,最重要的就是要 保证管子的工作状态是ok 的,也就是说我们要 选好电路中的电阻阻值。

关于电阻的取值,有的新手就有点分不清,因为不同的人设计的电路,电阻的阻值不尽相同,问就说是“ 经验值”。其实哪有那么多经验值,都是有些道道在里面的。
下面来看看 如何选择电阻 。
如何选择电阻
我们的电路输入一般是只有两种状态,0V或者是其它的高电平(1.8V,3.3V,5V等),截止状态一般不用怎么考虑,因为如果让三极管的Vbe=0,自然就截止了, 重要的是饱和状态如何保证 。
那么啥叫饱和状态?
我们先假定三极管工作在放大状态,那么放大倍数就是β,
如果基极有Ib电流流过,那么集电极Ic=β*Ib,Ic也会在Rc上面产生压降Urc。

易得:Urc+Uce=Vcc,
显然,Ib越大,那么Urc=β*Ib*Rc越大,如果Ib足够大,那么Urc=Vcc时,Uce=Vcc-Urc=0。
如果我们继续增大Ib,那么Uce会变成负的吗?
Uce<0是不可能的,因为如果电压反向,那么电流也要反向,这显然是不成立的。实际Uce也就继续保持接近于0,那么也就是说此时Ic的实际电流是小于β*Ib的,此时电路已经满足不了β的放大倍数, 三极管已经不是在放大状态,而是进入饱和状态了 。
从以上描述我们很容易得出来,我们只需要让计算出的Urc= β*Ib*Rc>Vcc ,那么三极管就是工作在饱和状态的。
不过,上面这个电路太简单,实际电路又各种各样,那么到底该如何考虑呢?
我一般是这样考虑的: 就是假定三极管工作在放大状态,放大倍数为β,如果最终算得Rc两端电压大于Vcc(对应的Uce就是个负压),那么三极管就是工作在了饱和状态了 。
电路计算举例
1、LED灯的例子
已知条件:输入控制电压高电平为3.3V,电源电压为5V,灯的导通电流10mA,灯导通电压2V,三极管选用型号MMBT3904

三极管饱和导通时,Vce=0V,所以 Rc=(5V-2V)/10mA=300Ω 。
查询芯片手册,三极管MMBT3904的的放大倍数β(hfe)如下图所示:

可以看到,在Ic=10mA时,放大倍数最小为100。
那么Ib=10mA/100=100uA,三极管导通时,Vbe约为0.7V,继而求得Rb=(3.3-0.7V)/100uA=26K。
也就是说只要Rb<26K,三极管就工作在了饱和状态,像这种情况,我一般取Rb=2.2K,或者是1K,4.7K,10K, 这样Ib更大,更能让三极管工作在饱和状态 。
具体取多少,取决于整个板子的电阻使用情况,比如10K电阻用得多,那我就取10K,这样物料种类少,生产更方便。
或者咱为了保险一点,比如要兼容别的三极管型号,可以取Rc=1K,这样即使别的三极管β小于100,也能工作在饱和状态。
我们也可以反向验算下,假如Rc=300Ω,Rb=10K,那么Ib=(3.3-0.7)/10K=0.26mA,那么Ic=100*0.26mA=26mA,那么Rc的压降是300Ω*26mA=7.8V,这已经超过Vcc了,所以管子肯定是工作在饱和状态的。
2、驱动MOS开关
这个电路就是个使用三极管控制PMOS管的通断,那么里面的电阻和电容该如何选择呢?

我们要知道,这 个电路是如何工作的,考虑了哪些因素 。
工作原理:
在in为低时,三极管不导通,相当于是开路,PMOS管的Vgs为0,PMOS管也不导通,Vcc2没有电。
在in为高时,三极管导通,集电极相当于是接地GND,于是PMOS管的Vgs为-12V,PMOS管导通。
下面看看电阻取值:
R2接到了PMOS管的栅极,我们知道MOS管的栅极阻抗非常大,所以三极管导通稳定之后,R2基本是没有电流的,所以可以看做是开路,三极管的集电极电流主要从R3流动。
那么三极管的Ic电流该如何设定呢?
我们要在in是3.3V的时候,Vce基本为0,Ic倒是没有说必须要多少合适。这个时候我们可以先定一个,比如定R3=10K,4.7K,20K等等都是可以的。
我们就 先定R3=10K 吧,为什么定这个,因为这个是常用电阻。不过我们需要知道,如果电阻定太小,那么Ic的电流必然会比较大,就会浪费电(功耗大,发热)
电源为12V,那么Ic=12V/10K=1.2mA。从MMBT手册知道,1mA左右,三极管的放大倍数最小是80,所以Ib=1.2mA/80=15uA。那么R1=(3.3-0.7)/15uA=173k。也就是说R1需要满足R1<173K就可以让三极管饱和导通。
因为R3已经选定了10K,那么 R1也可以选择10K 了(物料归一,少些种类)。
R2,C1有什么用呢?
在上电的一瞬间,因为电容两端的电压不能突变,所以C1会将MOS管的Vgs钳制在0V, 让MOS管不会误导通 ,C1通常可以选择100nF左右。
那么R2有什么用呢?
R2可以限制三极管的Ic电流 ,因为in的电压突然变化的时候,三极管状态突然改变,Vce电压会突然改变,需要对电容C1进行充放电,这个电流可以通过R2来限制。
我们也可以通过R2和C1一起来调节PMOS管的导通时间,其实本质就是RC的充放电。如果没有严格的时间要求,R2和C1的选择很宽泛,像我一般用100nF和100K。
该内容是小编转载自硬件工程师炼成之路 ,仅供学习交流使用,如有侵权,请联系删除。如果你还想了解更多关于电子元器件的相关知识及电子元器件行业实时市场信息,敬请关注微信公众号 【上海衡丽贸易有限公司】主要以代理:铝电解电容、薄膜电容、MOSFET、压敏电阻、保险丝等国产知名品牌元器件。