鉴于很多朋友问到, 不会看液压系统原理图怎么办?读懂液压系统的原理图,对于很多新手来讲,是很不容易的,今天,大兰液压小编就给新手朋友们分析几个液压回答,帮助大家对液压原理有个初步了解。
一、分析图示液压回答

问题一:电磁阀(1)处于何种状态时,油泵卸荷?
答:1DT,2DT均不得电。
问题二:要使油缸活塞杆伸出,电磁阀(1)应如何动作?
答:2DT得电。
问题三:要使油缸活塞缩回,电磁阀(1)应如何动作?
答:1DT得电。
(注:1DT,2DT为电磁铁编号) 。
二、分析图示液压回路

问题一:油缸活塞杆伸出,回路压力为2MPa,这时两电磁阀应如何控制?
答:4DT,2DT得电。
问题二:油缸活塞杆缩回,回路压力为3.5MPa,这时两电磁阀应如何控制?
答:3DT,1DT得电。
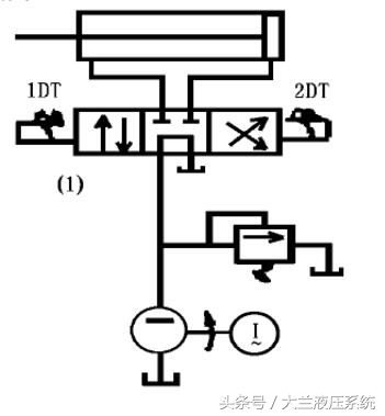
三、用先导式溢流阀和二位二通电磁换向阀配合使液压泵泄荷的回路

1-二位二通电磁阀,2-溢流阀,3-单向阀,4-蓄能器,5-压力继电器,6-液压泵
下图所示回路的液压泵是如何卸荷的?蓄能器和压力继电器在回路中起什么作用?
(1)液压泵卸荷:液压泵输出的压力油经单向阀3进入系统,同时也进入蓄能器4。当工作部件停止运动时,系统压力升高,压力继电器5发出信号,使二位二通电磁阀1通电,溢流阀2打开,液压泵输出的油液经溢流阀2流回油箱,液压泵卸荷。
(2)蓄能器的作用:系统的泄漏现象是不可避免的,由于泄漏,系统压力下降,执行元件不能稳定停止在某位置上,所以在液压泵卸荷时,采用蓄能器保持系统的一定压力,并使单向阀3关闭。即系统中的泄漏由蓄能器放出压力油进行补偿,使系统有足够的压力。
(3)压力继电器的作用:当系统压力高于压力继电器5的调定压力时, 压力继电器5发出信号,使二位二通阀1通电,液压泵卸荷;当系统压力过低时, 压力继电器发出信号,使二位二通电磁阀断电 ,使液压泵向系统供油。
总而言之,做任何事情若是少了实践经验,那都是纸上谈兵。只要很好的学好理论知识,并从实践中增强应用,对液压系统的认识,也是可以完全掌握的。
-----责任编辑:大兰企划部
版权所有:(大兰液压)转载请注明出处