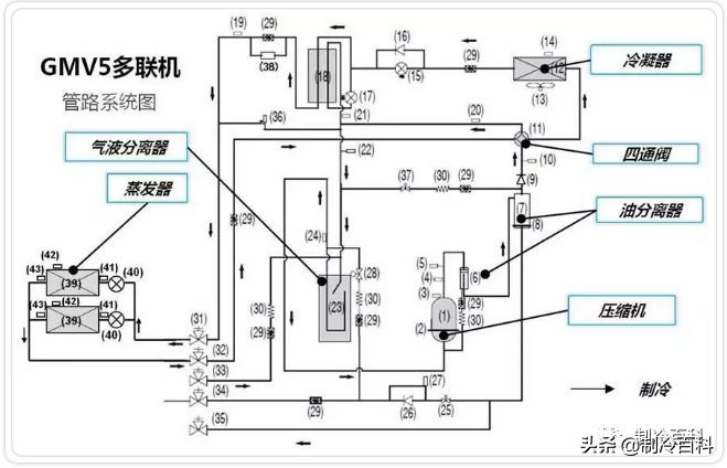
多联空调机组室外机由一个室外机,多个室内机单元并联组成。

其工作原理:内机为制冷模式运行时,室外机根据室内机的运行负荷需求,相应地启动室外模块,室外换热器作为系统的冷凝器,各制冷室内机的换热器并联作为系统的蒸发器,通过室内机的送回风循环实现对室内空间的空气温湿度调节;内机为制热模式运行时,室外机模块所有的四通阀切换为得电状态,室外换热器作为系统的蒸发器,室内机的换热器作为系统的冷凝器,通过室内机的送回风循环实现对室内空间的空气温湿度调节。
1、压缩机
变频压缩机可以分为两部分,一部分是变频控制器,就是我们常说的变频器;另一部分是压缩机。频控制器通过调节方波脉冲的频率(即调节占空比),就可以控制驱动压缩机的电机转速。频率越高,转速也越高。

变频控制器还有一个优点是,驱动电机起动电流小,不会对电网造成大的冲击。尤其适合农村电网不稳定的地区。当然,任何事情都是利弊都有,变频压缩也不例外,缺点有以下几个方面:
1、电路控制板的设计复杂,电路板发生故障的概率就比简单的不采用变频压缩的大。在夏季变频器损失(约为压缩机功率的10%~20%)会使主控板过热。这些都是导致控制电路故障高发的原因。
2、变频压缩机不断地提速或减速,会缩短压缩机的寿命,对于旋转式压缩机而言,在其工作时,叶片在静止的气缸内壁中来回滑动。使得相对速度较快,磨损较大,进一步缩短了压缩机的使用寿命。
3、变频压缩机如转速低,使得回气速度减慢,导致了回油性差的问题。尤其是在长配管/高落差的系统中或环境温度较低的情况下,回油性差的问题尤为突出。回油困难增加了变频系统故障出现的频率。
2、冷凝器
冷凝器的作用是将压缩机排出的高温高压的过热蒸汽冷却成液体或气液混合物,在这个过程中向室外放出热量。多联机的冷凝器我们可以看做室外机风扇和翅片部分,冷凝器冷凝器,顾名思义主要就是起到冷凝降温的作用,这个没什么好讲的。
3、电子膨胀阀
电子膨胀阀是一种可按预设程序进入制冷装置的制冷剂流量的节流元件,相对于传统的节流元件(毛细管、热力膨胀阀),电子膨胀阀调节范围更大、动作迅速灵敏、调节精密、稳定可靠。

电子膨胀阀介绍:
1、制热电子膨胀阀:在制冷模式下,制热电子膨胀阀为最大开度,膨胀阀不起调节作用;在制热模式下,制热电子膨胀阀按吸气过热度(气分进管温度-模块抵压力)控制。
2、过冷器电子膨胀阀:在制冷模式下,过冷器电子膨胀阀按过冷度(模块高压-过冷器液出温度)控制;在制热模式下,当压缩机排气温度过高时,才会打开过冷器电子膨胀阀。
3、室内机电子膨胀阀:在制冷模式下,按过热度(室内出管温度-室内进管温度)控制;在制热模式下,按过冷度(模块高压-室内进管温度)控制。

电子膨胀阀失效分析:

4、四通阀
四通阀也叫四通换向阀,主要的作用是改变空调系统的制冷、制热工况。

四通阀的原理:当电磁阀线圈处于断电状态,先导滑阀在右侧压缩弹簧驱动下左移,高压气体进入毛细管后进入右端活塞腔,另一方面,左端活塞腔的气体排出,由于活塞两端存在压差,活塞及主滑阀左移,使排气管与室外机接管相通,另两根接管相通,形成制冷循环。
当电磁阀线圈处于通电状态,先导滑阀在电磁线圈产生的磁力作用下克服压缩弹簧的张力而右移,高压气体进入毛细管后进入左端活塞腔,另一方面,右端活塞腔的气体排出,由于活塞两端存在压差,活塞及主滑阀右移,使排气管与室内机接管相通,另两根接管相通,形成制热循环。
四通阀的内部结构:

故障维修:常见的四通阀故障有以下三种:不换向、串气及漏气。
1、不换向:在正常开机后,从制冷切换至制热不制热,或者从制热切换至制冷不制冷,初步可以判断为四通阀不换向。此时我们的排查对象是电磁阀线圈和四通阀。

检查线圈通断电是否异常、电压是否异常。判断先导阀有无动作,线圈通断电时,有“嗒嗒嗒”的阀芯撞击声,则说明先导阀动作正常(此时最好仅四通阀通电,以便听清声音)。如果先导阀动作正常,朱阀体不动作,说明四通阀可能卡死;或者系统内缺冷媒,四通阀换向所需的最低压差没有建立起来。
2、串气:无论制冷或制热,滑块卡在中间位置,导致相互导通,即该冷的吸气管不冷,该热的排气管不热,管温度趋于相同。

用手摸四通阀下面的三根管,若均发热,说明四通阀换向未到位,处在中间串气状态。
3、漏气:正常开机后,出现该制冷时不制冷或者该制热时不制热时,可排查是否是系统漏气造成的。

5、气液分离器
系统运行过程中,压缩机将低温低压的气态冷媒压缩成高温高压的气态冷媒,如果压缩机吸入了液态冷媒,将会对压缩机内部造成液击,损坏压缩机。气液分离器用来将气体和液体冷媒分离开来,避免液态制冷剂进入压缩机内部造成液击,因此它必须安装在压缩机吸气侧。

工作原理:冷媒进入气液分离器的状态是气液混合的,它利用气体与液体的密度不同,在惯性、重力和离心力等作用下使气体中所带的液体微粒分离出来,防止液态冷媒进入压缩机。
回油孔的作用:在分离制冷剂液体的同时,冷冻油也会被分离出来并积存在气液分离器底部,所以在气液分离器出管口和底部都会有一个油孔,保证冷冻油可以回到压缩机,从而避免压缩机缺油。
正是因为回油孔尺寸很小,很小的杂质都可能造成回油孔堵塞,所以当压缩机需要更换时,即使润滑油清澈无杂质,也需要更换气液分离器。

6、油分离器
压缩机运行过程中,如果大量润滑油被冷媒带走,压缩机润滑不良会导致烧轴。油分离器的作用就是将从压缩机出来的润滑油与高压气态冷媒混合物进行分离,使润滑油重新回到压缩机,所以油分离器的位置在压缩机的排气侧。
油分离器的分类:目前用于多联机系统的油分离器为以下两种,原理如下:

油分离器内部结构:


油分离器的更换:
当压缩机故障需要更换时,需要检查系统中的润滑油是否清澈无杂质?如果变黑,则需要更换油分离器、均油器、气液分离器、压缩机,并对管路进行清洗。如果润滑油清澈无杂质,则也需要对管路进行清理并更换气液分离器和压缩机。

7、储液器
在空调系统运转中,系统中冷媒量是按照所有室内机全开时所需要的制冷剂量进行填充,但是空调在实际使用过程中,开启的室内机台数不是固定的。当开启室内机较少时,系统中部分制冷剂是用不上的,因此为了减少损耗,需要使用这个零部件将多余的冷媒储存起来。

通过设置储液器,可避免液态制冷剂在冷凝器中积存过多而使传热面积变小,影响冷凝器的传热效果,又可利用储液器的储液能力,平衡和稳定系统内的制冷剂循环量,使空调处于正常运行状态。储液器一般设置在室外机冷凝器的出口处,为使冷凝器中的液体制冷剂顺利地进入储液器,储液器位置应该低于冷凝器。
8、压力传感器
压力传感器是能感受压力信号,并能按照一定的规律将压力信号转换成可用的输出的电信号的器件或装置,下面是两种压力传感器的外观,如今绝大多数压力传感器都是电容式压力传感器,它由两个靠近的平行膜片和一个坚固的小巧壳体构成,

压力传感器一般运用在变频空调机组中,特别是多联机系统,压缩机的排气、回气两侧管路分别设置高压压力传感器和低压压力传感器。
