-
我们有时候需要的电源电压不一定正合适,要么过高,要么过低;这就需要采取措施将电压调整到合适值。常见的调压方式有变压器变压(以及自耦变压器)、电阻降压(以及可变电阻器)、电容调压、电感调压、可控硅调压。五种方式哪种比较强?适合哪些地方?下面开始PK!
-
一、变压器变压:变压器最主要的功能就是变换电压、传输电能,可以升高电压,也可以降低电压;根据不同的电压、功率需要绕制不同变比、匝数的变压器。输出功率可以做的很大,在较大功率的电源中常用它来降压、升压,能将初级电源与次级负载隔离开来,对安全有利。缺点是体积大、有能耗(铁损、铜损)、成本高、噪音大(大功率变压器)、只能输出固定的电压,不能调节,只适合交流变压。在小功率电源中有被其它降压方式代替的趋势。自耦变压器的优点是电压可以方便的进行调节,但初次级共用一组线圈,并未隔离电源,不能用作安全变压器使用。当然还有其它特殊变压器,比如互感器、电焊机等仍然广泛应用于生产生活当中。以及开关变压器中的高频变压器应用非常普遍。

电源变压器

变压器原理图
-
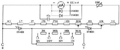
二、电阻降压:这是一种在电子电路中应用非常普遍的降压方式,通过串联电阻实现分压、限流作用;通过并联电阻实现分流作用;通过可变电阻可以方便的调节电压,交直流均可实现调压;缺点是电阻是一种耗能元件,会发热,较大功率的电阻体积大;适用于小功率、小电压电路,反之就很不划算了;如下图万用表电路图中的分压、限流、分流电阻。

电阻器调压

万用表中的电阻
-
三、电容降压。电容降压功能是与生俱来的,只不过是现在的制造技术有了飞跃发展,电容的耐压、容量提高,体积减小、成本降低,因此其得到了广泛的应用。通过电容的电流I=U/XL,而容抗Xc=1/2πfc,由此可知电容容量越大,容抗越小,当电阻等负载与其串联在一起,电容就起到了分压作用。优点:体积小、成本低、电路简单;缺点:电流较小,因为如果增加电流,容量要增加,相应的电容体积、成本就会增加,不划算了,另外需要增加一些安全措施;适合于小功率、小电流电器设备;另外只对交流电有降压有作用;


电容降压电路板
-
四、电感降压。电感降压应用比较早,我们曾经用过的日光灯上面的镇流器就是典型的降压电感。在电风扇调速器就是电感抽头制作的;其降压原理同电容其感抗XL=2πf,交流电通过时会有阻抗,并有压降;整流电路中的滤波电感,实际上也是起降压作用,其将交流成分降低;电感降压的缺点是体积大、有能耗(因为任何一个电感都不可能是纯电感,其总是有电阻存在的,因此会有损耗),只能有级调压,只适合于交流电,现在也有被可控硅淘汰的趋势。现在电感主要用于电源中的储能;整流电路中用于滤波;

电感降压

日光灯中的镇流器
-
五、可控硅调压。这种调压方式可以实现无级调压,中直流电动机调速、电灯调光等电路中的应用十分广泛,有单向可控硅、双向可控硅,接线方式也很灵活,体积小;随着大功率可控硅的的制造,应用更加广泛;缺点是电路相对复杂一些;元件需要多一些。

双向可控硅调光电路图
-
综上所述,五种调压方式各有特点,应用场合有差异,不能笼统说哪个厉害;
-
需要指出的是以上的调压只是针对电源而言的,也就是处理供电方面的,如果是信号处理,那就另当别论了。