一套厨柜好不好,我们要了解后才清楚。很多厨柜外观看起来丝毫没差别,但所用的原材料、五金、工艺等等里面的学问就可大了。

首先,我们来聊聊五金,一套厨柜用得最多的五金就是门铰了,门铰的好坏直接影响厨柜寿命,柜门每天都要开关5次以上,门铰的重要就可见一斑了!你见过这样的门铰么?


可以坐个美女在上面摇晃,开合平顺,保证你家厨柜使用起来顺心顺手,比别人家的多用5年以上。
很多人特别关心厨柜的环保性,这主要是看甲醛含量。一是看板材的环保性;二是看封边所用的胶水。当然我们还要看封边的工艺,这些综合因素决定了一套厨柜是否更加环保。


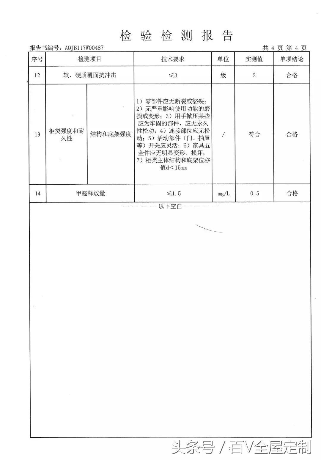
板材和所用胶水用肉眼表面看可能看不出差异,怎么办?这时我们可以看生产企业有没有十环认证书,是否有权威的检测报告。这是哪家的检测报告?甲醛含量检测远远低于国家3倍环保标准,买这家的肯定可以放心使用!
有些客户关心厨柜的防水性能,这其实主要取决于板材表面饰纸和封边工艺。

这鱼缸漂亮么?你没看错,这就是用厨柜柜体板做的,已使用近两年了,没有任何问题!而我们自己家的厨柜也不可能这样被水一直泡着,这是哪家的厨柜,质量这么好?

别急,还有,传统水盆柜下面采用柜体板贴铝膜,然后打孔,时间用久了就像下面这种容易发霉发臭。上面这种采用不锈钢镂空设计,通风方便,杜绝发霉发臭现象,也方便维修。
百V,成立于1994年,西南地区最大的厨柜生产基地,一百多项专利,全线采用世界顶级豪迈生产设备,德国瑞好封边条、德国胶王胶水、德国雷诺丽贴膜、荷兰阿克苏漆、奥地利爱格板、奥地利百隆铰链等材料供应商。

想要了解更多,快去百V厨柜各店面了解吧!自造快乐家---百V厨柜.全屋定制,你值得拥有。