车型:凯迪拉克SLS赛威,配置LNF 2.0L发动机。
VIN: LSGDE5395BH××××××。
行驶里程:72360km。
故障现象: 客户报修车辆经常会不知原因的发动不着,再试又正常。
故障检查:来店后经技师检查,确认故障存在,偶尔出现点火不着车。使用诊断电脑进入系统检测,发现在仪表板模块中储存有大量的故障码:“遗失与遥控门锁接收器通信、丢失与驾驶员位置模块的通信、丢失与后整体模块的通信、丢失与左后车门模块的通信、丢失与HVAC的通信、遗失与乘客座车门模块的通信、遗失与传感和诊断模块的通信、控制器区域网络总线通信收到无效串行数据”等。
根据以上故障码,技师基本上可以判断出是低速网的线路故障造成车辆启动不良。可以认为低速网的线路对地短路、对电源短路或某个控制模块自身故障,这样的故障范围锁定还是合理的。
此时客户又提示,在上次换过主驾侧车门锁芯后才出现发动不着的故障现象。根据客户提醒并查阅资料,发现主驾侧车门上低速网线有驾驶员车门模块和车门开关,于是就先对这个部位进行检查,但是拆下门板后没发现线路有问题。
技师继续查看电路图分析故障点,电路图如图1、图2所示。

图1 电路图1

图2 电路图2
根据电路图查找相关低速网线路及SP300、SP303的接头组件,拆下地毯及座椅,依然没发现故障点。这就奇怪了,整个低速网线路都查了,怎么发现不了问题呢?
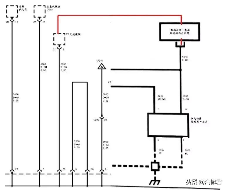
于是,技师将以前参加培训的资料拿出来,想从中得到些启发。还真发现了一个重要提示: 侧盲区报警系统也是通过低速网传递信息的。查找侧盲区系统电路图,发现线路5060与低速网有关联,(如图3所示)但为什么在整个低速网电路图中却没有体现出来呢?

图3 侧盲区电路图
带着疑惑向技术部门请求技术指导,反馈信息得知,维修手册中低速网标注有错误,在赛威车辆上是没有TV天线模块的,侧盲区警报系统中的低速网线路实际就是通过电路图中标注的“TV天线模块”接线端连接到整个低速网线路的。实际电路图应该如图4所示。

图4 正确的电路图
此时思路一下子变得明朗。拆下后保,发现右侧的物体传感器的过渡插头内有大量水迹,并且插头内的针脚都已经明显氧化了,如图5所示。

图5 被氧化的插头
将插头内水迹清除干净并清理针脚上的氧化层后,恢复车辆各部件的安装,经试车最终故障排除。
故障总结:本案例的体会有两点:一是针对故障码储存的内容分析,大致判断出故障检查的范围;二是发现问题及时寻求技术支持,以便快速获得新的技术信息 。这样既完成了维修任务,又更改了资料错误,使以后的技术诊断更为精确。