电路一

电路二

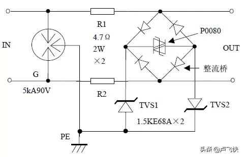
信号电路的二级双重保护方式

说明:
图中所标元件型号适用于信号幅度≤6V,整流桥中所接的P0080 可以用P6KE7.5A型TVS 管代替(负端朝左)。其它信号幅度时,要更换元件型号。
检测/控制电路的保护
例如:水、电、煤气抄表系统,门禁、对讲、报警系统,这类系统一般采用低频(脉冲)信号或直流(交流)开关信号。这类系统又分为不接地系统和接地系统两大类。
(1)不接地系统保护电路:

说明:
①R1、R2 可以用普通金属氧化膜电阻(4.3~5.1Ω),也可以用冷态电阻相当的正温度系数热敏电阻(如:自恢复保险丝:LP60-010/030,LB180(U))。
②陶瓷气体放电管和 TVS 管的直流击穿电压根据信号电压幅度选择,见下表:

③电路中没有连续直流电压时,TVS 管可以用击穿电压相当的半导体过压保护器代替。当浪涌电流较小时,陶瓷气体放电管可以用击穿电压相当的玻璃放电管代替。
(2)接地系统保护电路:

说明:
①R 可以用普通金属氧化膜电阻(4.3~5.1Ω),也可以用冷态电阻相当的正温度系数热敏电阻(如:自恢复保险丝:LP60-010/030,LB180(U))。
②陶瓷气体放电管和 TVS 管的直流击穿电压根据信号电压幅度选择,见下表:

③电路中没有连续直流电压时,TVS 管可以用击穿电压相当的半导体过压保护器代替。当浪涌电流较小时,陶瓷气体放电管可以用击穿电压相当的玻璃放电管代替。