摘要:螺旋结构执行器;微型动力单元;选用注意事项
螺旋结构执行器
陆续对阀门执行器的齿轮齿条产品做了一些简谈,今天对另外的一个结构-螺旋执行器简单谈谈。典型螺旋执行器如下图所示。
螺旋摆动执行器是利用大升角的螺旋实现输出摆动的一种特殊油缸,也叫来复油缸。它是完全不同于传统摆动缸设计理念的双螺旋摆动缸,相对于传统的齿轮齿条摆动油缸和叶片摆动马达,双螺旋摆动液压执行器具有结构紧凑、安全可靠、占位空间小,易于设计、输出扭矩和摆动角度大等优点。双螺旋摆动液压执行器几乎在每一个需要高扭矩有限摆动运动的场合都得到了应用。

螺旋摆动油缸
这种执行器典型结构是活塞外表面带有一组螺旋齿与缸体内表面的螺旋齿匹配;加工在活塞内表面的螺旋齿与输出轴上的螺旋齿啮合。

摆动油缸运动副
活塞内齿轮和输出轴外齿轮组成第一级螺旋副,活塞外齿轮和固定环内齿轮组成第二级螺旋副。活塞在轴向液压力的作用下在缸体内左右往复运动,通过两级螺旋副的啮合作用,实现螺旋齿摆动液压缸输出轴的正反向转动,进而输出一定的角度和扭矩。
双螺旋摆动缸单级螺旋副传动效率只有80%左右,两级螺旋副的效率相乘之后的效率后,执行器的机械效率就更低了,一般在64%-75%左右。比起齿轮齿条单级传动效率要低。
国外研究的螺旋齿摆动液压缸种类较多,且大多已量产并投入使用,其厂家主要有美国Helac 公司,挪威的Scana Skarpenord AS 公司、日本TAKEDA 公司以及德国HKS 公司,其中,HKS 公司生产的系列等摆动液压缸,输出扭矩最大可达250 kN·m,定位精度可达0. 3°,标准回转角最大可达1 000°。
螺旋摆动油缸设计工作压力都要高于齿轮齿条油缸,大多数厂家设计工作压力为210Bar, 齿轮齿条摆动缸通常设计最大工作压力150Bar.
螺旋执行器运动副主要运动是旋转运动, 涉及到的密封件需要选择适合旋转运动及高压的密封件,齿轮齿条执行器涉及到主要运动是直线运动, 所选取密封件是以直线运动为主的密封件。
微型动力单元
之前有谈及智能一体化的液动执行器,齿轮齿条执行器与动力单元,控制器及阀位置指示器及位置检测传感器整体密封安装在阀门执行器顶部。整体结构紧凑,密封,防尘,防水及无管路连接。

一体智能化阀门执行器
这次简单谈谈这个顶部的液压微型动力单元。有时候也有称呼为液压动力包。
根据阀门打开关闭的时间,选取合适的微型动力单元。主要参数是电机功率与泵排量的计算选取。
举例:根据群美机电一款2000牛米的执行器计算
假设需求打开关闭的时间为10秒,此执行器全打开的流量需求274毫升,

则泵输出的每分钟需求(274/10)*60=1644毫升/分钟。
根据这个流量需求,结合电机电压及转速,可以确定泵的排量。假设泵电压24VDC, 最大转速2000RPM. 计算出需求泵的排量为0.822毫升。我们可以选取1毫升的泵作为动力源。选好泵后, 根据系统要求压力,选取泵的功率满足要求。继续假设系统压力需求150Bar.计算出电机功率为523W。选取功率为600W电机。
一般而言,客户只需要提供开启关闭时间,开启关闭扭矩,电机电压等。制造厂会选好匹配参数给对应的项目。
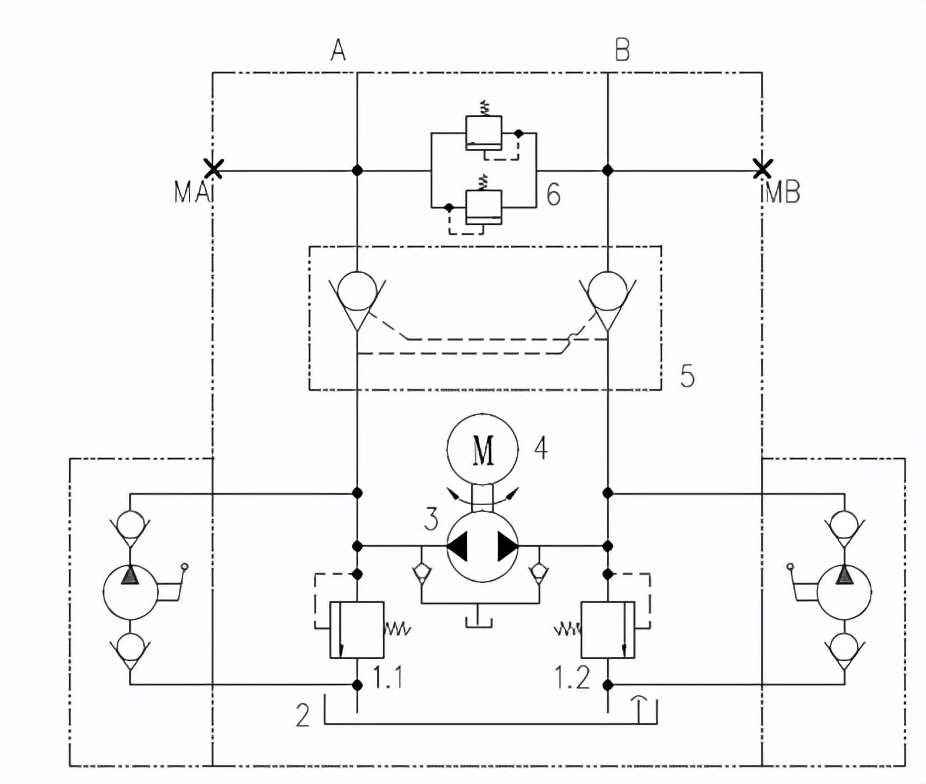
群美机电公司根据应用,在系统上匹配两种应急措施。一种应急措施是在系统集成块上集成手动泵,以应对动力单元在无电紧急情况下手动供给油源,开启或者关闭阀门;另外一种措施是安装应急油口,依靠外来液压源输入液压油打开或者关闭阀门。液压系统原理如下图:

整体结构如下图所示:

如果上述计算泵的需求都已经很明确,则可以直接选取需求的动力单元。例如:假设泵需求最大流量0.7升每分钟,电压12VDC,按照样本可以选取PU-25-12 动力单元。

-选用注意事项
作为控制阀门开关的驱动器,无论何种结构,选用时间都需要遵循下列注意事情:摆角大小,输出扭矩及工作压力,启动压力与内泄漏, 缓冲与制动等。下面一一简述。
一:摆角大小
一般来讲,摆角大小在设计时就决定了参数。也就是说选定某个厂家某个结构执行器, 其最大摆动角已经决定了。所以主要看最大摆角能否适合应用要求。例如,蝶阀全开角度是90度, 我们选一款最大转角94度的执行器基本能满足其要求。假设某个执行器只需要打开70度就能满足要求,我们选择最大转角94度执行器时,解决方案之一是匹配行程开关,当角度转到70度时,行程开关触发动作,实现动作停止或者换向。例如下图。

当然,有其他的方案,例如,匹配上角度传感器,当角度转到设定角度参数时,传感器触发,实现动作控制。
二:输出转矩及工作压力
输出转矩及工作压力,这个也是在产品结构设计时间就决定的参数。输出转矩主要取决于系统供应的压力及执行器的机械效率。
选择输出转矩前, 需要了解几件事:
阀门控制打开及关闭需要的扭矩,一般来讲,这个参数阀门制造厂需要实验才能得到准确的参数。所以首先需要了解这个参数是理论的还是实际需要的参数。
例如蝶阀阀门在计算开启力矩时基本上是计算密封件间的摩擦力矩,填料对阀杆的摩擦力矩,轴承对阀杆的摩擦力矩等;另外负载引起的转矩及使负载获得角加速度需要的转矩。这些计算也比较复杂或者不准确,试验测试获得的力矩是比较准确的参数。
在实际参数中,选择阀门开启的力矩X1.3-1.5简单系数原则来来选取执行器参数。
假设实际获得蝶阀开启力矩参数是700牛米,按照简单参数原则。700X1.3-1.5=910-1050牛米。我们选取1000牛米的执行器可以满足要求。

注意另外一个问题,就是系统供应压力是否满足要求,例如,1000牛米扭矩是系统工作压力150Bar. 如果系统压力满足这个条件,执行器输出扭矩达不到需要的扭矩1000牛米。
假如现场不能提供150公斤压力,就参照实际压力及厂商的参数选取,一般厂商有类似参数如下:

假设现场只能提供80Bar 压力, 为满足1000牛米的参数,则需要选取200系列的产品。
另外,需要参照ISO5211参数看阀门或者执行器的法兰规格。法兰规格至少要满足F12以上的法兰。

资料发布已获授权
来源 : 上海群美机电科技有限公司
作者:努力活成执行器达人