一辆行驶里程约1.3万km、搭载EA888 2.0T型发动机的2016年一汽大众迈腾B7L轿车。该车发动机无法启动、仪表无法正常点亮。
故障诊断:维修技师接到救援电话时得知:该车可以正常锁止和解锁,按下启动按键时仪表无法点亮,但是转向故障灯可以点亮。根据车主的描述,初步判断这不是普通的蓄电池亏电故障,而是车辆在按下启动按键时,15号电没有正常接通。因此,建议车主将车辆拖到店里维修,但车主告知车辆停放的位置狭小,且方向盘无法解锁,手刹也无法松开,无法实施拖救。
维修人员赶到救援现场后,首先确认车辆蓄电池正常,按下启动按键时15号电没有接通。短接15号电后,连接诊断仪发现,在信息控制单元中存有故障码VAG02825-电子转向柱锁供电对地短路(图1)。根据故障码信息,维修人员怀疑转向柱锁供电存在故障。

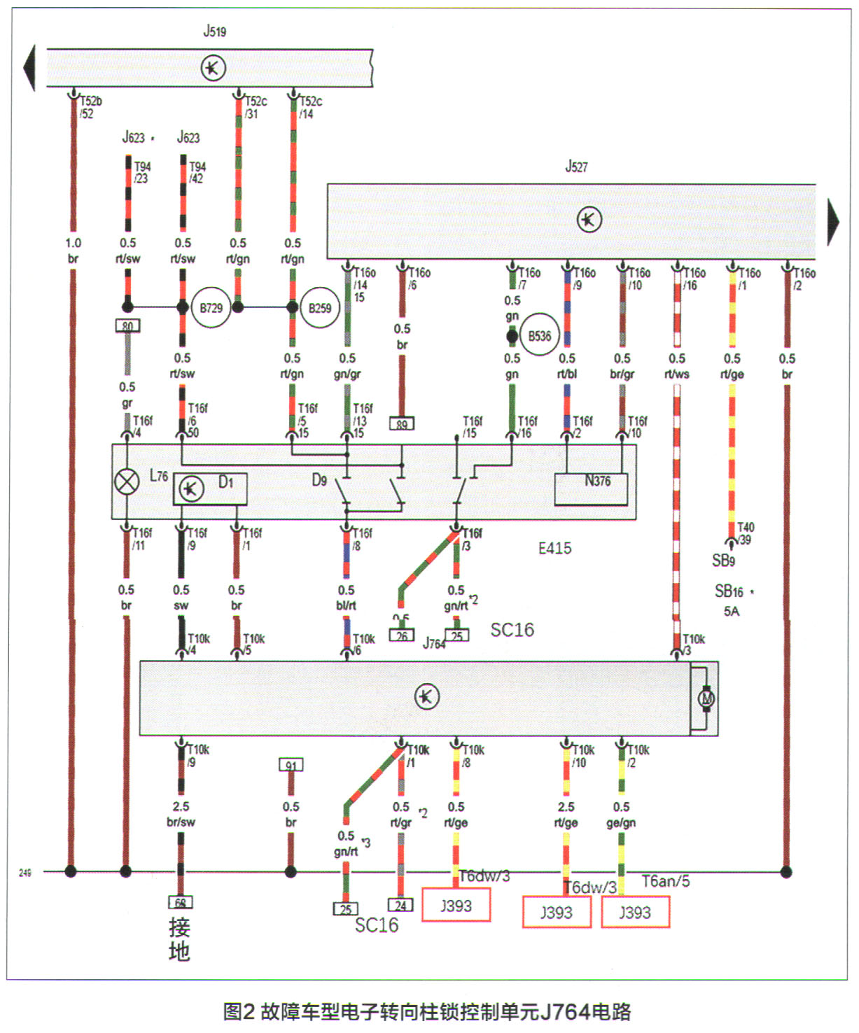
查阅相关电路图(图2),检查熔丝SC16,正常;测量丁10K/1处电压为11.75V(蓄电池电压为11.75V),正常;测量J764T10K/9接地,未见异常;检查插接器位置针脚,无虚接或脱出现象。检查测量J764其他针脚与至D9点火开关、J527、 J393之间各线束,均无断路和对地短路。检查关联控制单元J527、 J764的电源和接地,均未发现异常。

现场未能解决问题,需要将故障车拖回店里进行维修,但如何将车拖走成了新问题,焦点还是在转向柱锁上。要么想办法实现解锁,要么将转向柱从方向机连接位置断开,然后通过搬轮胎来实现转向,以便将故障车推出后拖走。根据现场的情况看,最好还是解锁转向柱。
回店后,维修技师查阅迈腾车各种正电的形成及电子转向柱锁控制单元J764的控制逻辑(图3)。

从图3可以看出:
1.30号正电经熔丝SC16供给E415上的T16f/3号脚,当钥匙插入时,P正电断开,S触点电(T16f/16)供给J527上的T20d/12号端子;
2.当J527接收到钥匙插入的S电信号后,发送舒适总线唤醒信号和S触点已闭合信号给J393,然后J393通过串行数据总线传输信号到J764上的T10 K/2端子,从而唤醒J764;
3.J764读取来自E415上D1读写线圈的数据,此后又把此数据通过串行数据总线传输到J393,然后J393进行钥匙识别,当确认为合法钥匙时,J393的T6d/3号端子给J764上的T10K/10号端子供30正电,从而解除N360电机锁;
4.电机解锁后,J764上的T10K/6端子输送 30正电给三415上的T16f/8端子,当钥匙插入2挡(15驱动线)时,分别接通J527及J519的15电及50电;
5.J764及J393判定钥匙合法后,通过CAN总线把此信息传递给网关,发动机控制单元接受J533网关信号后防盗解除,车辆正常启动。
根据以上控制原理及检查结果,怀疑有可能是J393的T6d/3号端子给J764上的T10K/10号端子提供的N360电机锁30电信号存在故障。为此,我们设想:将正常车辆J393的T6d/3号端子输出的N360电机锁30电信号与故障车的输出信号进行对比,以判断故障车的输出信号是否正常,或者模拟正确的输出信号,以实现转向柱锁解锁。
为保证检测到的信号足够精确,我们改用精度更高的示波器进行检测。在按下点火钥匙解锁方向盘时,J393T6dw/3的信号瞬间会有12V电源电压(图4),在关闭点火开关锁止转向柱锁的瞬间,此处也有12V电压(图5)。


按下点火开关时,在故障车J393T6dw/3端子处未检测到任何电压信号(图6)。再次检查确认线路无问题,控制单元中无其他防盗故障记录,因此怀疑J393内部故障,使得其未输出解锁电压信号。在征得车主同意的情况下,试着在按下点火开关的同时,给J393T6dw/3端子处提供瞬间的12V电压,此时故障车方向盘解锁,并启动发动机。

将故障车开回店里熄火后,按压遥控器方向盘锁可以正常锁止,再次按压点火开关,故障依旧,这进一步验证了我们的判断是正确的。更换控制单元J393和J764后,该车故障被彻底排除。
维修小结:此车因J393控制单元内部故障而导致车辆无法启动,电子驻车系统没有15号电,使得车辆无法移动,再加上由于车辆停放位置原因,使得施救困难,同时也给我们的维修增加了难度。
通过此次成功救援也让我们明白,在未完全了解系统工作原理时,最好先查阅相关资料,并加以研究,仔细检查大胆假设,往往会事半功倍。