神钢SK200-8挖掘机选用的是日野J05E系列发动机,与三菱重工、五十铃、康明斯相比,耗油量最合理,同时实现世界第一批高压共轨系统的发动机的批量生产,利用最新的燃烧技术,有有事处理黑烟、低速扭矩。


日野J05E发动机的优势燃油消耗率更低,使用经济性更好,满足欧Ⅲ排放标准,更环保,烟色更好,ECU得到各传感器传来的信息做出精密计算,能精确的控制各喷油器的喷射压力、喷射时间和喷射量,工作平稳,噪音更低。




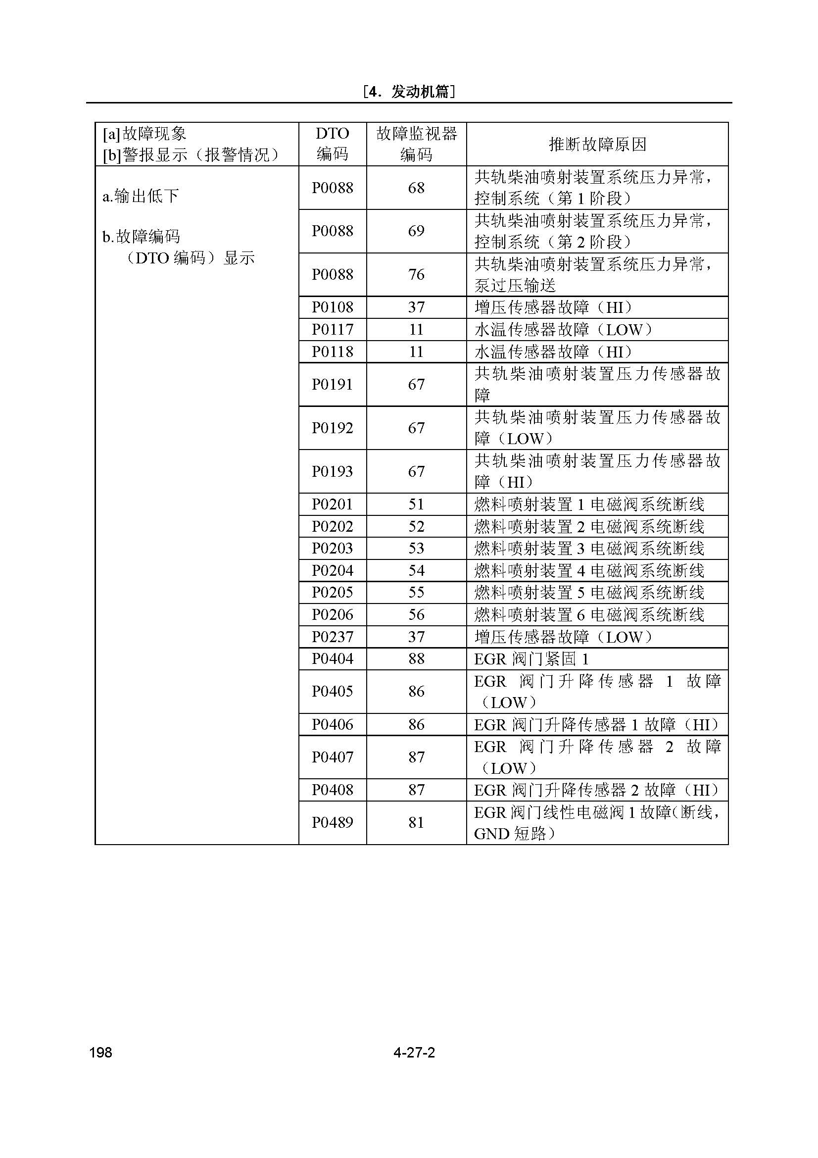
神钢SK200-8故障代码表






神钢SK200-8挖掘机选用的是日野J05E系列发动机,与三菱重工、五十铃、康明斯相比,耗油量最合理,同时实现世界第一批高压共轨系统的发动机的批量生产,利用最新的燃烧技术,有有事处理黑烟、低速扭矩。


日野J05E发动机的优势燃油消耗率更低,使用经济性更好,满足欧Ⅲ排放标准,更环保,烟色更好,ECU得到各传感器传来的信息做出精密计算,能精确的控制各喷油器的喷射压力、喷射时间和喷射量,工作平稳,噪音更低。




神钢SK200-8故障代码表





