如果问你电阻有啥作用的话,每个人都有自己的想法,我猜大概大家会这么说,中学生:电阻就是发热的作用;大学生:电阻就是在电路中起限流分压的作用;技术人员:与电容配合作滤波起滤波作用等等。
当然知识层不同对它的看法有比较大的差异,他们只说出了它的作用,的确我们应用的话,可能很多时候我们没必要去追究它是由什么材料做成的,我们更关心的是它是如何使用,这里我们就不讨论这一点了,在上述各知识界观点中无论是哪一个都是有道理的,我们就分别了解下各个观点所应用电路及原理。
发热作用:
之所以说中学生会说电阻在电路中会起发热的作用,因为我们一开始接触电学知识都会讲给我们电阻发热公式Q=I^2*R*T,由这个公式可以看出,电阻大小直接影响发热量,因此可以利用这一点来制作发热材料,像我们生活中常用的的电锅,电水壶,电热毯,以及搞DIY必备设备,电烙铁等等。

电锅

热水壶

电热毯

电烙铁
但是任何事物都不是绝对的,电阻在实际电路中由于发热产生的副作用是不容小觑的,电阻发热需要消耗能量,而这一点在电网传输电能时,最先应考虑到的,如果电网发出的电在传输过程中大部分能量转化为热能浪费掉,这样不但可能烧坏电线,也是对能源的一个极大浪费(现在出现超导材料可以彻底解决这一问题),在我们使用的电子产品中,像手机也必须考虑到这一点,如果你用手机没多长时间,而手机已经非常烫了,你是不是感觉到非常危险,心里感觉随时有可能爆炸。
限流分压:
对于大学时代的同学来说,他们接触电阻更大作用是限流分压,无论是在课堂上还是在实验室做电路实验,我想这一点作用对他们来说在应该是深有体会的,至于原理也是很简单。
让我们一一了解一下

限流电路
限流电路原理如上图所示,实际上滑动变阻器的右边部分并没有电流流过。该电路的特点是:在电源电压不变的情况下,R用两端的电压调节范围:U≥U用≥UR用/(R0+R用),电流调节范围:U/R用≥I用≥U/(R0+R用 )。即电压和电流不能调至零,因此调节范围较小。要使限流电路的电压和电流调节范围变大,可适当增大R0。另外,使用该电路时,在接通电前,R0 应调到最大。

分压电路
分压电路原理如上图所示,实质上滑动变阻器的左边部分与R用并联后再与滑动变阻器的右边串联。注意滑动变阻器的两端都有电流流过,且不相同。该电路的特点是:在电源电压不变的情况下,R用两端的电压调节范围为U≥U用≥0,即电压可调到零,电压调节范围大。电流调节范围为E/R用≥I用≥0。使用分压电路,在当R0<R用时,调节性能好。通电前,滑片P置于A端,使U用 =0。
限流和分压电路在电路中应用中比较多,可以说任何一个电子产品都应用到了,这里就不举例了。
滤波作用:

电容滤波电路

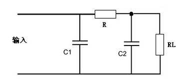
RC-π型滤波电路
电阻(R)通常和电容(C)配合在电路中起滤波作用,如图RC-π型滤波电路,实质上是在电容滤波(电容有通交隔流的作用,当直流电路中掺杂交流信号时通过电容接地,这里不再详述)的基础上再加一级RC滤波电路组成的。如图RC滤波电路。若用S表示C1两端电压的脉动系数,则输出电压两端的脉动系数S=(1/ωC2R)S。
由分析可知,电阻R的作用是将残余的纹波电压降落在电阻两端,最后由C2再旁路掉。在ω值一定的情况下,R愈大,C2愈大,则脉动系数愈小,也就是滤波效果就越好。而R值增大时,电阻上的直流压降会增大,这样就增大了直流电源的内部损耗;若增大C2的电容量,又会增大电容器的体积和重量,实现起来也不现实。这种电路一般用于负载电流比较小的场合。
除了上述陈述的还有许多功能,像阻抗匹配、限制环路电流、温度补偿器等,这么一个不起眼的原件,竟然起那么大的作用,可以毫不夸张的说如果没有电阻,就不会有现在我们所生活的世界。
到现在为止,电阻这个领域已经发展很壮大,作为基础元件应用于各种电子产品中,但是它并没有停止发展的,而是向着完美方向靠近,相信在不久的将来电阻还会进一步地缩小体积、提高性能、降低价格,会淘汰掉一部分过时的并且增加一些新鲜的元素,等到高端大气的电阻再上升一个档次时小编再带着大家一起来学习。