
严重声明:本案例系技师帮帮友张继通原创,未经允许,不得转载,否则必究!
一辆2014款新君威2.0,行驶1万公里。因为事故进店维修后出现下面情况:在车辆左侧带着遥控器(钥匙离车距离≤1米范围内)按压左前或左后车门外把手开关,车子没有解锁开锁反应,但是在车辆右侧操作此步骤所有车门有解锁开锁反应。
故障码及故障原因
经GDS检测到无钥匙进入控制模块有以下故障码:
B3119——免钥匙进入天线1:高电压或开路。

出现上面这个故障码,可能是因为:
-
相应的线路断路或开路
-
天线损坏
-
无钥匙进入模块故障
故障诊断
按压左前门外把手开关,用GDS观察此项数据为:不活动(正常应该显示活动)。

按压左后门外把手开关,此项数据显示为:活动。正常。

14款新君威在左侧驾驶员门把手上安装有天线1,和左前门外把手开关共用一个插头四针脚。当按下车门外把手按钮或行李厢触摸垫时,低频天线向无钥匙进入发射器发送一条校验口令。因为频率低,所以通信范围受到限制。天线将在1米范围内发出校验口令,发射器必须在此范围内以便收到校验口令。发射器接收该校验口令并发射无线电频率响应信息,该响应信息将由遥控车门锁接收器接收。如果响应正确,则允许进入车辆。
因为此车是事故车,而且维修过程中拆装了左侧两个车门,所以判断最有可能的是接插件松脱开路。
故障点及故障排除
再次拆检左前门内衬,发现接插件脱开,装复后试车,按压左前门外把手开关显示:活动。故障排除。

维修小结
因为维修过程中维修人员没有把原厂车门线束布置好导致玻璃升降器向下工作时把线束给脱开。所以维修过程中一定要按照原车走向才不会造成不必要的维修。

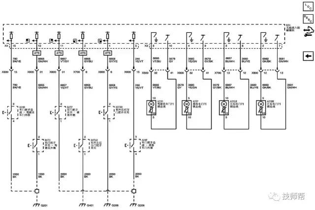
无钥匙进入开关点击电路图
技师帮(微信搜索“技师帮”即可),免费查阅各汽车品牌维修手册及电路图,还有每天更新的培训视频和维修案例可以查看~
无论您是车主还是汽修技师,都可以联系技师帮小果(微信号:qcjsbxg),让小果带您进汽修交流群!
