
几年前和电子系的朋友一起研究电路,做些小作品,那时真的很开心。记得在学校时,和他们一起做过一个小制作——感应式垃圾桶。当然,那时做得很简陋,用蒙牛的纸盒包装做外壳,用步进电机和一条细线来驱动纸质的盖子,用一体化的人体感应模块(买来时几十元)做传感器。这次为什么又会做类似的一个东西呢?因为一次在超市购物时,我买了瓶木糖醇口香糖,送了个漂亮的收纳桶(见图14.1)。这让我想起了以前一起参与动手制作的朋友们,可能是对过去学校生活的怀念吧,我决定用这个收纳桶再做一个感应式垃圾桶。

图14.1 买口香糖赠送的收纳桶
感应式收纳桶能做些什么呢?有用吗?每次我跟朋友说起这个制作时,他们往往会问这个问题,如何回答这个问题呢,就让我们一起动手来实现一下吧。
主要部件及材料
本制作的主要材料只有3个:ATmega8单片机、9g舵机和光电传感器(见图14.2)。

图14.2 单片机、舵机、光电传感器
(1)单片机大家也可以选择51单片机,如STC12C2052AD,只要带A/D转换即可。不带A/D转换的单片机也能实现功能,不过感应距离可能只有1cm。
(2)除了9g舵机,大家还可以选择微型舵机,这样会美观些。
(3)光电传感器我用的是TCRT5000,这个型号我不是特意挑选的,仅仅是我在淘宝上买电子零件时挑选的比较便宜的(不到1元),顺带买了3个。你也可以选择RPR220或LTH1550-01光电传感器。不过,我目前也没条件实验它们的效果。这两个传感器的光电特性和我目前用的,可能会有感应距离上的差别。
(4)电源我使用的是4节1.2V的充电电池,你完全可以使用单片机*载下**线的电源而不用电池。
(5)在这次制作中,我固定各个部件用的是热熔胶,这么做能确保当我有新想法时也可以很容易地通过加热拆下它。
制作过程
准备好零件和工具就可以开始进行制作了。
先焊接好单片机插座、插针,这是为了让器件拆卸方便。在反面用有绝缘外皮的连线连接相应的电气位置(见图14.3),要根据原理图连接,不然提供的程序你可要自己修改。然后,用热熔胶把万用板、电池盒、收纳桶固定下来。这时你就可以通过ISP*载下**线给ATmega8单片机烧录程序了。

图14.3 制作好的电路实物
最后再固定传感器和舵机到合适的位置,这样你就可以调整它们到最佳的状态。传感器我放到了收纳桶最上方的位置。如果有3个传感器,分别成120°放置的话,可能感应的效果就更完美了。
至此,“善解人意”的收纳桶就做好了,当手在传感器上方15cm左右的距离时,收纳桶的盖子就能自己打开。当手离开至距离20cm左右,它又会自动关盖了。
电路原理
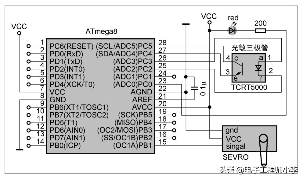
这个制作的电路原理图如图14.4所示。电路中没有晶体振荡器,其实原来我在外部使用了12MHz的晶体振荡器,但后来发现这个制作不需要就取消了。通过ISP*载下**线设置,使用ATmega8单片机的内部8MHz RC振荡器。电源除了给单片机VCC供电外,还要给单片机内部的AD供电,AD的供电引脚分别为AVCC和AGND。

图14.4 电路原理图
为了更简化电路,通过程序设置,我让AREF引脚连接到内部的AVCC。这样设置后,可以节省外部参考电压源。为了使采集到的电压更稳定,应该在AREF引脚上接个电容到GND。
普通舵机的控制信号由singal接收,接收信号通常是频率为50Hz的PWM波(见图14.5)。通过调整高电平的宽度实现位置的调整,高电平的宽度就代表了舵机相应的角度,通常1500μs的高电平长度是舵机的中立点,1000μs对应-90°的位置,2000μs就对应90°的位置了(由于舵机的齿轮比不同,这个角度也不是绝对的)。这样,程序产生不同长度的高电平就能控制舵机拉杆的位置了,也就能拉动收纳桶的盖子了。
刚拿到TCRT5000传感器时,区分它的4个引脚还真花了我不少时间,结构如图14.6所示。首先可以明确的是,蓝色透明的是发射管,黑色不透明的是接收管。

图14.5 PWM波长短控制舵机角度

图14.6 TCRT5000传感器结构图
1. 如何区别发射管的 a 引脚和 k 引脚
毕竟它发射的是红外光,人的眼睛看不到。后来一次偶然的机会,笔者发现,打开手机的摄像头就能看到它发的红外光了,不过在屏幕上显示的是淡紫色的。通过这种方法不仅能确认a、k引脚,还能确定它是否完好。
2. 如何区别接收管的 c 引脚和 e 引脚
在确保发射管正常发射且用手遮挡的情况下,一端接高电平,另一端的电平也接近高电平,那么接近高电平的就是e引脚了。除去发射信号,此时已经判断出的e引脚应该就接近低电平了。原理是这样的:当有红外光照射到光电三极管时,c与e之间就会导通,导通电压在0.4V左右。
经过这样的判断与测试过程,大家是否自己也能编写相应的程序,来判断是否有物体接近传感器了呢?不过在这次应用中,我并没有让c引脚接高电平,从而判断e引脚的状态。因为这样的话,传感器的e引脚要接一个下拉电阻。而ATmega8单片机的引脚仅仅能设置上拉电阻。因此,为了简化制作,我通过程序设置传感器的e引脚输出低电平,传感器的c引脚通过ATmega8单片机的PC5上拉。这样,当手靠近传感器时,就会因为手反射回的红外光,而使得c引脚接近低电平。同样,红外遥控器对着它照射也会拉低c引脚。因此,在单片机的程序中,我们不能仅仅通过读取c引脚的电压值是否接近0来判断手是否靠近收纳桶。
程序编写
程序可以说相当简单,舵机仅仅用了10次循环来实现10次50Hz(其实舵机可以接收50~333Hz的频率)的PWM波,并延时产生相对应的高电平脉冲,从而实现舵机的运转。传感器的判断状态也就写了几十行的代码。单片机通过让发射管发射、关闭红外光,然后再检测传感器c引脚电压差的方法,来判断手是否靠近传感器。
由于程序不多且简单,我就直接贴出3个关键函数了。
void _00(void)
{
unsigned char i=0;
for(i=0;i<10;i++)
{
PORTB.1=1;
delay_us(1000);//1ms
PORTB.1=0;
delay_us(19000);
}
}
void _90(void)
{
unsigned char i=0;
for(i=0;i<10;i++)
{
PORTB.1=1;
delay_us(2145);//2ms
PORTB.1=0;
delay_us(18000);
}
这两个函数可以控制舵机转到两个极限的角度,起到拉升盖子的作用。_00( ) 这个函数的实际作用效果是打开盖子,而_90( ) 这个函数则是用于关闭盖子。大家可以调整PORTB.1=1语句后面的延时时间参数(延时时间就是高电平的时间),来微调该舵机的两个相对位置。
void read_ir(void)
{
while(1)
{
PORTC.2=1;
delay_ms(2);
H=read_adc(5);
PORTC.2=0;
delay_ms(1);
L=read_adc(5);
if(H-L<=6||H
{count1++;count2=0;
if(count1>=20)
{count1=0;state=1;return;} }
if(H-L>=12&&H>L)
{count2++;count1=0;
if(count2>=20)
{count2=0;state=2;return;}}
看这个函数的名字,大家就能想到它的作用了吧?这是读红外传感器的状态函数,当全局变量state=1时,表示没有物体遮挡、盖子关闭。当全局变量state=2时,表示有物体遮挡、盖子打开。PORTC.2控制着传感器发射的状态,当PORTC.2=1时,关闭红外的发射,等于0时开启红外发射。由于我们是要判断手是否靠近传感器,如果简单地判断ADC的数值是否接近0的话,那是不行的,因为在阳光下,ADC的数值就接近0。所以,我们实际要判断的是物体靠近而引起的变化,即程序中的H-L。
由于开启和关闭传感器需要时间,ADC转换也同样需要时间,这段时间完全有可能因为你看电视机时换频道而错误触发(遥控器发射红外光嘛),因此程序采样了20次。如果20次总计100ms左右的时间内,差值一致的话,则判断有人手靠近,否则从头再检测20次。这样就保证了稳定而可靠的感应。
大家可以通过修改H-L的值,来改变感应的实际距离。当H-L≥6时,感应的距离约为20cm。H-L的值并非和距离成线性关系,它在接近1时感应的距离最远,约30cm。但是你也不希望当手在30cm时,盖子连续不断地抖动开关吧。所以,在程序中我就设置H-L≤6(≤20cm距离)时就关闭盖子,当H-L≥12(≤15cm距离)时就打开盖子。
制作好的效果图如图14.7所示,相关程序可以到qq群657864614进行浏览。

图14.7 效果图
■介绍一个与众不同的淘宝店铺:首页-数码达人小二-淘宝网,不信你试试?