随着时代的发展,小区高楼林立,居民的日常生活用水保证水压稳定性和流量至关重要。传统的楼顶水箱供水体现的水压不稳定已满足不了目前居民用水的质量要求。现在的新型环保节能恒压供水系统可以保证用水稳定性,供水系统一般由水泵机组、变频器控制系统、隔膜压力罐和一些辅件构成。目前变频器恒压供水系统广泛应用于商业大厦、工业用水、高层住宅小区等。
系统概括
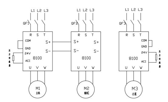
阳春某住宅小区每组供水系统由3台立式水泵、3台三晶电气8100变频器、远传压力表、压力传感器、压力罐、储水箱等组成。每组供水系统由2台三晶电气15kW-8100变频器通过RS485通讯组成联机模式和1台三晶电气7.5kW-8100变频器作辅助加压实现恒压供水。


控制原理


变频器设备应用优势
1、8100变频器是水务专机,能直接显示反馈压力、目标压力、运行频率,运行状态清晰易懂,参数调试简单、方便。
2、8100变频器恒压供水频率源为PID控制,根据用水量、水压的变化经过PID作用后调节运行频率从而达到恒压控制,平滑的控制水泵转速,减少了水压波动大对管道的冲击。
3、8100变频器多联机模式可实现可调时间轮泵使用,避免长时间使用一台水泵工作。高峰期用水时压力不足自动加泵保持目标压力供水,当检测到少量用水会自动减泵,达到节能的效果。不用水时会自动进入休眠状态,用水时低于唤醒压力值时可自动启动,实现自动化供水。
4、多联泵模式下主机出现致命性故障时,可自行转换到备用主机作为主机使用,辅机出现故障时可跳开这台辅机使用。无论主机或辅机出现故障时不会直接影响到供水系统的正常工作,保证了居民的用水的稳定性。
5、小量用水时间段优先启动小泵加压泵,电机效率提高,节能。大量用水时小泵作辅助加压作用。
6、8100变频器具有缺水保护,过压保护,反馈断线,对电机有过流,过压,欠压,短路等保护功能。