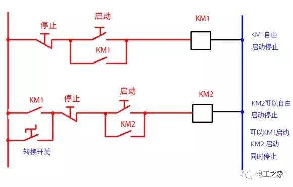
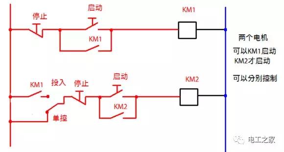
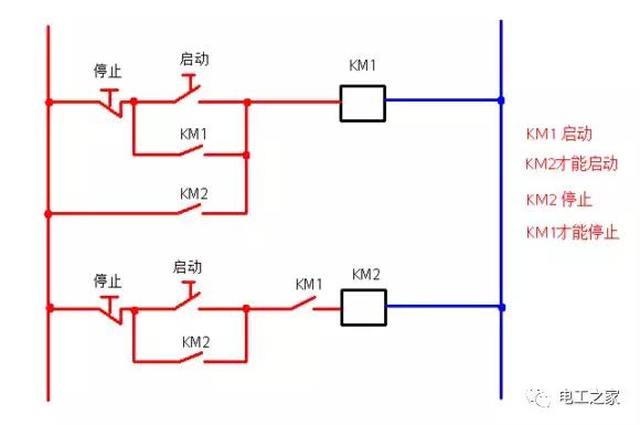
接触器自锁和互锁控制电路图



这个是启动优先,不过用的很少!必须说明才行



实际已测试,两者存在这不确定性!总会有一个先吸合!先吸合的跟线阻大小没有关系。






















可以用于星三角





一般星形,三角形启动电路必须是三角形运转的电动机,线圈电压380V,三角形接法,做星形连接后,线圈就会串联,线圈电压就会降低到220V,所以启动电流就会减小。星形启动的电流小,启动后就断开,主接触器和三角形接触器,工作时电流大。不过要看情况,如果启动频繁,星形接触器就会容易损坏



看第一个时间继电器动作以后,星形接触器断电,第二个时间继电器得电开始计时,第二个时间继电器动作,三角形接触器得电自锁,断开时间继电器1,断开时间继电器2,断开星形接触器,开始正常工作。时间继电器1 控制星形启动时间,时间继电器2,控制星形与三角形接触器的转换时间。









