故障车辆信息:
车型:别克英朗
年款:2012年配置:1.6L行驶里程:1.2万km
故障现象:
一辆别克英朗轿车,事故修复后,出现高速串行数据总线故障,全车不能通信。
故障分析:
由于该车事故比较严重,发动机室保险丝盒总成已更换成全新件,发动机拆检后重新组装上车。在大修厂维修将近一个月未果后经朋友介绍,让笔者前去检修,去看过之后本想推掉这件事。由于线路被别人弄的乱七八糟了,有些东西还不知道装哪里的就空着,仪表显示也不正常,故障点可能不止一个,但是车主一在恳求没办法只能试一试了。
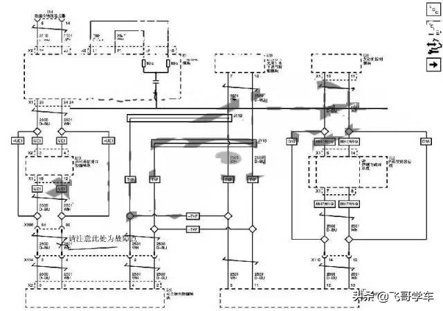
首先,查了一下该车的通信原理:别克英朗GT的GMLAN串行数据网络由双绞线组成。一个信号电路D-BU线被确定为高速GM LA N,另一个信 号电路W H线被确定为低速GMLAN。高速GMLAN电路和低速GMLAN电路数据总线的两端存在120欧姆的终端电阻,以防止数据在总线传输过程中受到干扰。
要确保其网络中任何一个模块所代表的子系统正常工作,都离不开其它子系统所提供的必要信息,同时它也可为其它子系统提供所需的信息,从而实现整个网络系统的信息共享。针对GMLAN串行数据网络系统的上述特点,结合电路图所示的网络结构图,(如下图)很难从中找出可能的故障原因。

技师检测:
1、接车后先测量OBD所有端子电路情况,测得 6号脚 电压2.7V左右14号 0V,12号脚0V,13号0V.这4跟通信线电路未对电源跟负极短路。4号、5号脚打铁正常16号脚电源电压正常。至此怀疑某处通信线路有断路或者某个模块内部短路问题,依次拔掉每个模块插头逐个测试,通信线路电压不变,证明不是模块的问题。
2、测量发动机两根通信线路,分别是2.7V与2.3V变速箱电脑插头拿掉测4跟通信线路,分别是2.7、2.3V、2.7V、2.3V 。
按照电路图所示再次测量ABS通信线路电压。同上,在按照线路依次往回测量电子转向机通信线路,此转向机为纯电子助力,模块上共5跟通信线其中一根为通信启用线,由车身电脑控制,所有通信线路传递的都是二进制数据,以实现智能化控制,拔掉插头测量4跟通信线路电压为2.5V、0V、0V 、0V 在次结合电路图观察。
推断至少有两根通信线路有2.5V左右的电压才能算正常,之前所有测量都证明不了是哪里有问题,但是这里可以确定 。
从转向模块以上的电路肯定有问题,仔细分析线路图后,从车上顺转向机模块插头以后的线路依次测量。途中拆下电瓶及电瓶底座,找到一个插头,该插头为转向机模块的插头有5根线,拔插头测量电压。
依旧同上,于是插上插头,顺着主线测量,拨开线束发现有一跟白色通信线在半断状态了,这个只能说运气好,一根隐线被我一拉彻底断了,而且在很难发现的地方,只不过我主要就是检查通信线路,肯定是不会放过这些线路的检查了。
故障排除: 接上线路之后,解码器能通信了,清楚故障码。试着启动马达有反应,但是转速不够,还不能着车换个电瓶启动两次,发动机顺利启动,而且仪表也显示正常了,故障排除,启动着车
