小松240-8喷油器原厂 (小松240-8喷油器)

小松pc240-8发动机采用的是SAA6D107-3共轨的发动机,对于电喷发动机,喷油器故障时经常出现的问题,一旦喷油器故障容易导致发动机无力,发动机震动和发动机排气烟色异常等现象。对于我们现场如何更换喷油器呢。下面给大家简单介绍一下更换喷油器的要点。

首先我们应该判断哪个喷油器出现问题,可以进入到断缸诊断模式。

小松pc240-8故障码,小松240-8喷油器电压

通过断缸模式确认哪个缸不工作。如果是电气原因的话直接通过电气故障就可以查到哪个喷油器出现问题。

现在只要准备好喷油器,我们就来更换喷油器

小松pc240-8故障码,小松240-8喷油器电压

拆下气门室罩盖

小松pc240-8故障码,小松240-8喷油器电压

首先我们一定要切断电源。关闭钥匙门然后再拆卸线圈接插件,拆下摇臂固定螺栓,拆下线圈固定螺栓。

小松pc240-8故障码,小松240-8喷油器电压

小松pc240-8故障码,小松240-8喷油器电压

喷油器线束

小松pc240-8故障码,小松240-8喷油器电压

一定要记住十字头的方向。

小松pc240-8故障码,小松240-8喷油器电压

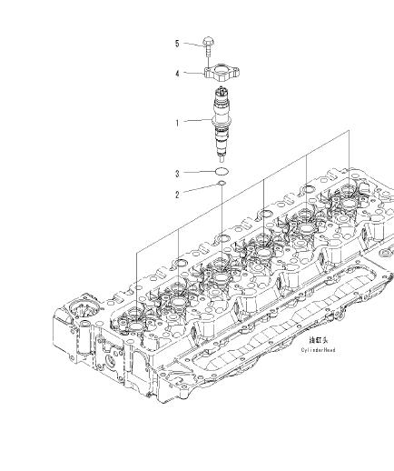
拆下喷油的固定螺栓和卡槽。注意卡槽上面的定位销

小松pc240-8故障码,小松240-8喷油器电压

小松pc240-8故障码,小松240-8喷油器电压

喷油器有一个高压油管定位,要拆下高压油管,喷油器才能抽出来。切记不要硬拉喷油器。松开

小松pc240-8故障码,小松240-8喷油器电压

小松pc240-8故障码,小松240-8喷油器电压

松开高压导管的固定螺栓,抽出导管后,可以取处喷油器。否则喷油器拿不出来的。按照相反的顺序安装喷油器即可。