羊初乳又叫血乳,因其具有加热后易凝固的特性又被称为胶奶,其是所有雌性哺乳动物产后72个小时内所分泌乳汁的统称。初乳所含营养物质极为丰富,含有大量的免疫球蛋白IGG、SIGA等免疫活性物质、蛋白质、维生素和矿物质,其干物质含量较常乳高1.5~2倍。
我们的羊初乳的原料就是瑞士山脚下绵羊在产犊后12个小时所分泌的初乳汁。同时我们的羊初乳得到了欧盟EEC有机标志跟瑞士有机标志的认证!

补充羊初乳的原因:
1. 羊初乳的脂肪球小,分布均匀,干酪素含量低于牛乳,在人胃里能凝成细小嫩软的乳块,比牛乳更容易消化吸收,其消化率可达94%-98%
2. 羊初乳中含有脑磷脂和核苷酸,可增强幼儿智力
3. 羊初乳蛋白质结构优于牛乳,不会引起过敏
4. 奶羊不患有结核病,婴幼儿和羊初乳更加安全
5. 有利于提高人体免疫力: 羊初乳含有10种多种免疫球蛋白、抗体、生殖、生理激素、天然抗生素,以及大量的保健和抗病因子,有利于提高人体免疫力,增强抵抗力。
6. 有利于防止“亚健康”:亚健康状态完全可以通过健康的生活饮食方式和习惯来改变的,在合理膳食方面,天然、绿色、易吸收的营养食品,是首选的食品。丛这个角度说,羊奶有利于防治亚健康,提高自身抵御疾病的能力,有利于把疾病消灭在萌芽状态。
7. 有利于预防过敏症的发生:山羊奶缺乏as2-酪蛋白和y-酪蛋白,这是饮用羊奶不会发生过敏反应的主要原因。因为as2-酪蛋白和y-酪蛋白是强过敏原,饮用牛奶中这些过敏源后极易产生皮疹、湿疹、便秘、腹胀、腹泻等乳糖不耐症。
8. 有利于益智健脑:大量试验研究表明,羊初乳中含有丰富的脑磷脂,核苷酸等益智健脑的营养和保健物质或因子,滋补作用强。长期食用有利于大脑神经的修复和保健。

益多元羊初乳优势:
目前中国首家进口羊初乳
瑞士Quredea中国独家授权
阿尔卑斯山脉放养绵羊12小时之内初乳
含IgG、IgA、IgM免疫球蛋白200mg/袋
基地经欧盟和瑞士农牧有机认证
无乳糖、全脂冻干
三联菌+两种益生元
天然维C——针叶樱桃粉
双层独家专利保护
乳清蛋白(含乳铁蛋白)、烟酸、牛磺酸
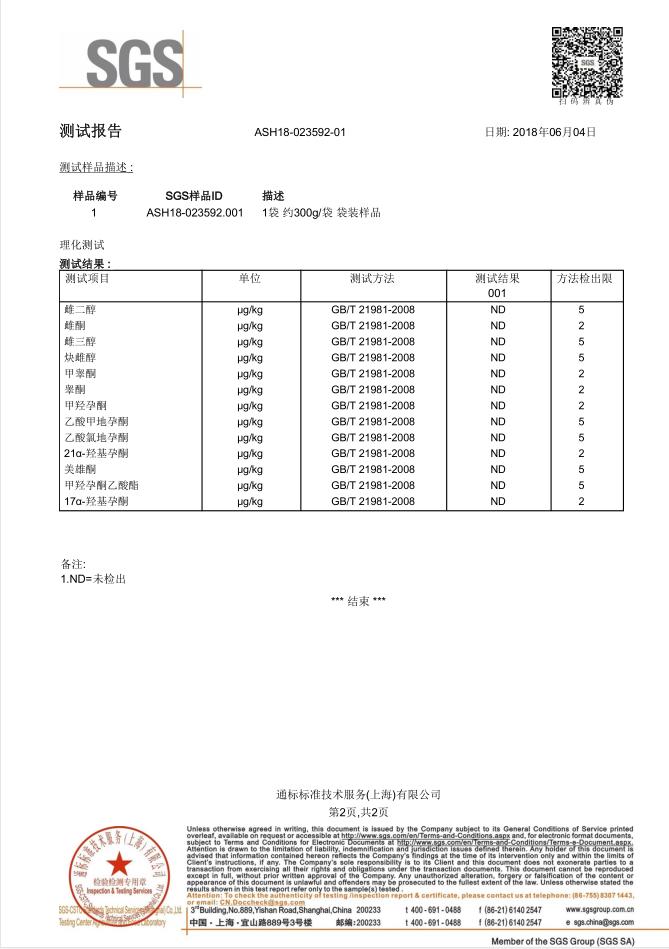
第三方权威机构检测,不含激素,不会造成性早熟
