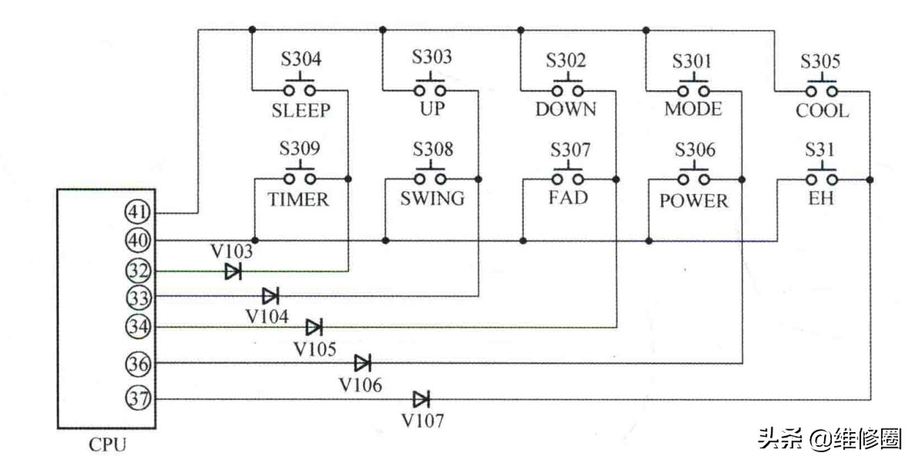
故障说明:华宝KFR-5OLW/K2D1柜式空调器,上电后显示屏显示正常,按压显示板“开关”按键不能开机。按键开关电路原理图见图1。

图1
1.使用遥控器开机工作正常
见图2,按压显示板上“开关”按键不能开机,使用遥控器开机空调器工作正常,说明主板CPU控制电路工作正常,应检查按键阻值。

图2
2.测量按键开关阻值
断电后按压“开关”按键,同时使用万用表电阻档测量两个焊点(主板代号S306),见图3,正常阻值为02,而实测结果为无穷大,说明按键开关内部触点开路损坏(或称为严重接触不良)。

图3
3.使用引线短接焊点
为判断显示板上其他元器件是否正常,上电后使用引线短接开关按键焊点,见图4,听到蜂鸣器响一声,显示屏显示正常,空调器已按自动模式开始工作,说明显示板正常,确定只是按键损坏。(说明:短接时只要接触一下即可,如果接触不好则会导致重复开关机)

图4
维修措施:更换按键开关,见图5,更换后按压显示屏上的“开关”按键,蜂鸣器响一声,空调器按自动模式开始运行,故障排除。

图5