本文介绍了双辽厂备用励磁调节器的现状,通过设备改造完善模拟式励磁调节器的功能,使之在DCS中实现增、减磁功能的过程。

国电双辽发电有限公司一期工程拥有4台300MW火力发电机组,是吉林省首座超百万电厂。其中1、2号发电机组励磁方式为三机励磁,该励磁控制系统由与主机同轴的交流励磁机、中频副励磁机和励磁调节器等组成,输出功率经大功率整流器整流后供给发电机转子回路。
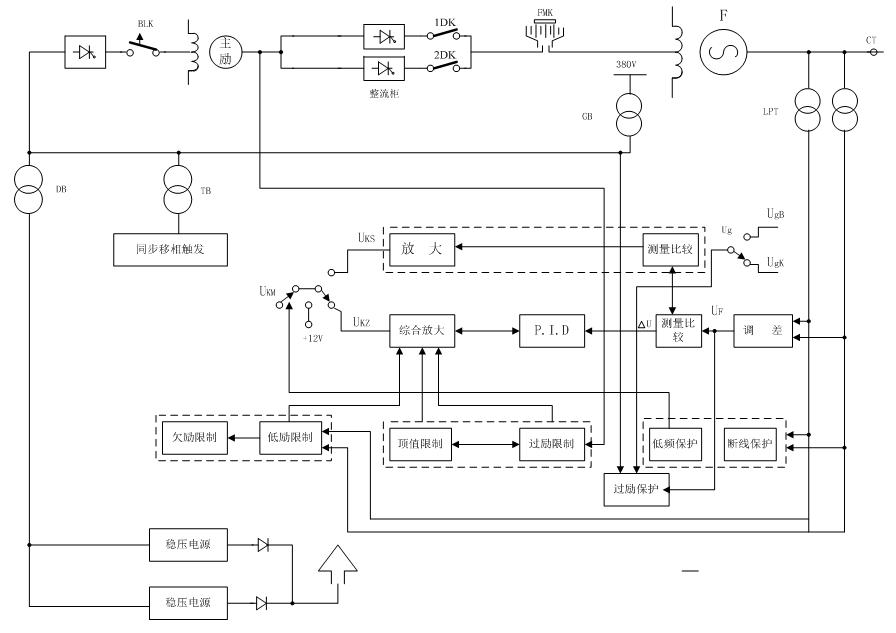
其中工作励磁调节器为两套(A、B套)自动通道,正常时一组通道工作,备用通道自动跟踪工作通道,工作通道故障时自动切换到备用通道。为防止工作励磁调节器两套均故障时,发电机组不能正常并网运行情况的发生,还设有备用励磁调节器。
备用励磁调节采用380V厂用电源和隔离变压器经二极管全波整流等元件组成。备用励磁调节器型号为MKLT-06型,装置的控制电路所采用的为集成运放元件,电路结构上采用了积木拼装形式,可自动调节发电机励磁,保证并联机组间无功功率的稳定合理分配。
问题的提出
因DCS系统(Distributed Control System)技术的日渐成熟,高可靠性、灵活性已成为其主要特点,可对各系统实现分散控制、集中操作。双辽厂装上了DCS系统,对所有重要的电气设备进行远方控制,因该备用励磁调节器为模拟型励磁调节器,无数字给定功能,不能在DCS中进行增、减磁操作。
解决方案
双辽厂经与武汉洪山电工科技有限公司积极沟通,洪山公司决定给予技术支持,完善该励磁调节器的功能,实现远方增、减磁,保证可靠调节无功。
原装置上需要增加数字给定功能来完善该调节器,即需要在原装置上加装数字给定板,来实现远方的增、减磁操作。
接线分内部引线和外部引线两部分:
调节器内部引线:引出电源±12V、GND连接到数字给定板相对应的电源回路(供给数字给定板的工作电源);电压给定UG信号连接到综合放大板UG信号回路。(用来改变基准给定值)
远方引线:增磁、减磁、逆变灭磁信号引到DCS系统电气接口柜。

图1 备用励磁调节器原理图
试验步骤
(1)通电线路检查:电源±12V、增磁、减磁、逆变灭磁、UG线路正确并测试电源正常。
(2)信号量测试:在本盘上操作:在数字给定板上操作增磁和减磁按钮,好用。
DCS远方操作:点击操作画面的增磁、减磁按钮,点击一次,脉冲持续1秒钟,输出电压正确,调节器此功能正常。
逆变灭磁:本盘、远方操作,首先通过增磁使电压给定在某一电位,远方短接灭磁信号,通过测量数字给定板此功能电压给定Ug清零输出降为零,通过测量调节器此功能正常。
数字给定板电压给定UG信号叠加到综合放大板:通过改变数字给定板上的电压给定UG,测试综合放大板CK2的电位在0~5V之间变化,通过测量调节器此功能正常。
(3)功率回路小负载试验
在功率回路的输入端加入中频机三相186V交流电压,灭磁柜输出端接入负载电阻。改变电压给定UG,用示波器测量负载电阻两端的波形,用万用表测量负载电阻两端的电压,记录如表1:

表1
结论:输出电压线性上升,调节好用。
(4)模拟并网状态小负载试验
在功率回路的输入端加入中频机三相186V交流电压,灭磁柜输出端接入负载电阻。在调节器机端电压输入回路加入三相相间100V正序电压,在机端电流回路加入三相1A正序电流。改变电压给定UG,用示波器测量负载电阻两端的波形,用万用表测量负载电阻两端的电压,记录如下表2:

表2
由于输入了并网后的电压及电流,给定电压需要与测量电压相比较,只有当给定电压大于测量电压时,调节器才会有输出电压。
结论:给定电压大于测量电压后,输出电压线性上升,调节好用。
结束语
通过对原励磁调节器的改造,实现了远方DCS操作进行发电机励磁的增、减磁工作,打破了原调节器不能进行DCS操作只能进行就地调节电位器进行增、减磁工作的尴尬局面,方便运行人员日常操作与检修人员的正常维护,提高了设备的可靠性和智能化程度,应用是成功的。
(摘编自《电气技术》,原文标题为“模拟式励磁调节器的功能完善”,作者为马海波。)