1、电表,也叫“电能表”或“电度表”,是最终核算光伏收益的仪表,由当地供电局提供和安装。
2、在不同上网模式下或不同并网形式下电表的接入方式都不一样,各地区供电局提供的电表和安装方式也略有异性。
电表衡量发电量和发电补贴,所以小固认为有必要和大家分享一下具体的使用情况。
一、电表介绍
1、电表的分类
1
按照工作原理可分为机械式、电子式;
2
按照接入相数可分为单相表、三相三线表、三线四线表;
3
按照计量方向可分为单向计量表、双向计量表;

图1:常见电能表
2、电表的型号
电度表型号用字母和数字的排列表示“类别代号+组别代号+设计序号+派生号” 。例如DTS1032型表示三线四线电子式电表。

图2:电表的型号含义
二、两种不同上网模式介绍
1、“全额上网”模式
全额上网即光伏发的电全部卖给电网,自己一度电都不用。全额上网需要一个单向计量的电表,如下图所示。

图3 全额上网模式
自发自用,余电上网即光伏发的电先给自己使用,多余的电卖给电网。该模式下需要一个单向计量的电表,还需要把进户电表换成双向计量的电表,如下图所示。

图4 自发自用,余电上网模式
三、低压计量方式
1、全额上网模式
全额上网即光伏所发的电全部卖给电网;仅需要新增一个单向表即可。
全额上网收益按照不同地区标杆上网电价(一类0.65,二类0.75,三类0.85)乘以电表读数发放。

图5:全额上网电表接入方式(220V)
图6:全额上网电表接入方式(380V)
自发自用,余电上网 模式是逆变器发的电先供自己使用,多余的电再卖给电网;需要按照一个单相表(度电表),还需要把进户表改成双向电表。
余电上网的收益一般按照:度电补贴(0.42元)*单向电表读数+当地脱硫煤电价*双向电表反向读数+【读数单向电表-读数双向电表反向】*当地居民用电。

图7:余电上网电表接入方式(光伏220V,负载220V)

图8:余电上网电表接入方式(光伏380V,负载220V)
四、高压计量方式
1、什么叫高供高计、高供低计?
高供高计是指高压供电同时在高压装置PT(电压互感器),CT(电流互感器)进行计量,计量的电流、电压采样在高压侧,一般需要高压开关柜。
高供低计是指高压供电,在低压侧装置CT进行计量。 t:normal'>+【读数单向电表-读数双向电表反向】*当地居民用电。

图9 高压计量方式
2、注意事项
高供高计一般使用三相三线电表计量,高供低计使用三相四线电表计量 。
高压计量电流互感器的一次额定电流,应按总配变容量、光伏发电接入容量确定。计量电流互感器配置参考如下表 。

图10:计量电流互感器配置参考表
高供高计的计量系统一般要安装高压计量柜,其系统低压柜还需装计量柜。因为高供高计不能满足电价分类的要求。譬如有几种不同电价的用电(比如工厂里的工业用电和宿舍照明用电),需要在低压侧做了个分计量,将不同类别的负荷分别装表。

图11:分别装表计量
4
CT倍率与实际负荷匹配问题,在昼夜负荷波动较大,用电负荷不均衡或者季节性负荷;若CT倍率选择过大,导致负荷较少时,计量表停走或失真; CT倍率过小,易导致烧毁CT。

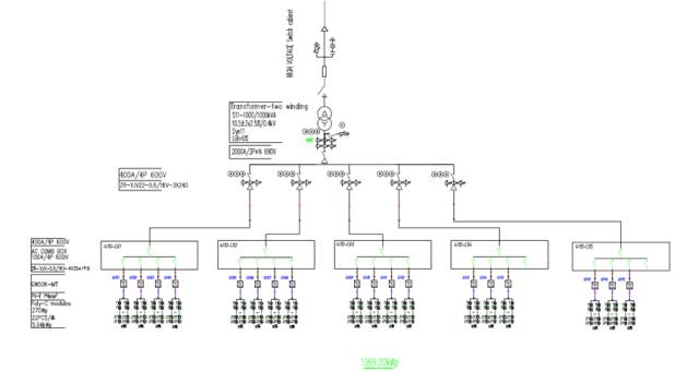
图12 高压计量设计方案(1MW项目)
五、误差分析
电表的发电量为什么一般比逆变器或者监控上显示的要少?
哪怕是靠近的电站,也会因为屋顶的倾角不同、可能存在的阴影遮挡(周围高大树木、建筑;飘落下来的树叶、鸟粪或灰尘等)、逆变器规格一样但是组件规格数量不一样、工人施工工艺(线缆长度规格、端子压接)、并网点电压和距离、电表本身存在的误差等情况存在,导致最后发电量有偏差。所有一定要先确认误差是不是在一个合理的区间里。
对于存在较大误差的发电量(小固还会发表关于发电量偏低的文章,资料收集中。。。),一定要找出问题,因为这些问题正在影响着您的光伏电站的安全和收益!
总结
本文从电表类型、光伏上网模式、低压计量接法、高压计量、误差分析这五个方面阐述电表的重要性,旨在让大家更全面地了解光伏系统。