基础知识

这是一个NPN的三极管电路元件符号,并且在合适的条件下有:。对于三极管,现在只需要了解这么多,不要去看其他更多的公式,这样才不会迷失在细节中。
“为了按循序渐进的原则构造学习线索,本书采用了一种全新的信息组织和加工艺术,我们称其为:知识屏蔽。以往的教材只注重知识的授予,并不注重知识的屏蔽。实际上,在教学中知识的屏蔽十分重要,这是一个重点突出的问题。计算机是一门交叉学科,一部分知识往往还连带着其他的相关内容,这些连带的相关内容如果处理不好,将影响读者对目前要掌握的知识的理解。本
书采用了知识屏蔽的方法,对教学内容进行了最小化分割,力求使我们在学习过程中所接触到的每一个知识点都是当前惟一要去理解的东西。我们在看到这个知识点之前,已理解了从前所有的内容;在学习这个知识点的过程中,以后的知识也不会对我们造成干扰。我们在整个学习过程中,每一步都走得清楚而扎实,不知不觉中,由当初的一个简单的问题开始,在经历了一个每一步都相对简单的过程之后,被带入了一个深的层次。这同沿着楼梯上高楼一样,迈出的每一步都不高,结果却上了楼顶。”
上面这段话来自王爽老师的《汇编语言》这本书,觉得非常有道理。
了解了三极管之后,我们接下来要明确的是,我们现在需要放大的是 中频交流小信号 。最典型的就是声音信号了。
对于放大电路,我们需要考察的就3个指标:放大倍数、输入电阻、输出电阻。在理想的情况下,放大倍数越大越好,输入电阻越大越好,输出电阻越小越好。但现实总是有各种约束,不能做到完美,看具体需求进行调整即可。
下面,我们从最常见的共射放大电路开始进行讲解。
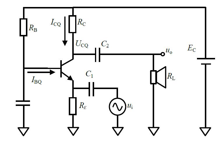
静态工作点
要使三极管工作在放大状态,三极管需要满足一定的条件,这就是静态工作点的含义。

一定的工作条件,是指三极管工作在一定的直流电压下。当

,三极管就可以处在放大状态。在计算静态工作点的时候,只考虑直流部分,可以省略输入输出信号,那么静态工作点的电路就可以简化为:

如果这个电路在合适的静态工作点,假设

,结合上面的

,就可以计算出静态工作点的

等参数了,应该没有多大的难度。如果静态电路的电阻较多,可以用戴维南等效得到简单的电路(关于戴维南等效,很多书上有详细介绍,这里就不展开了)。
动态分析
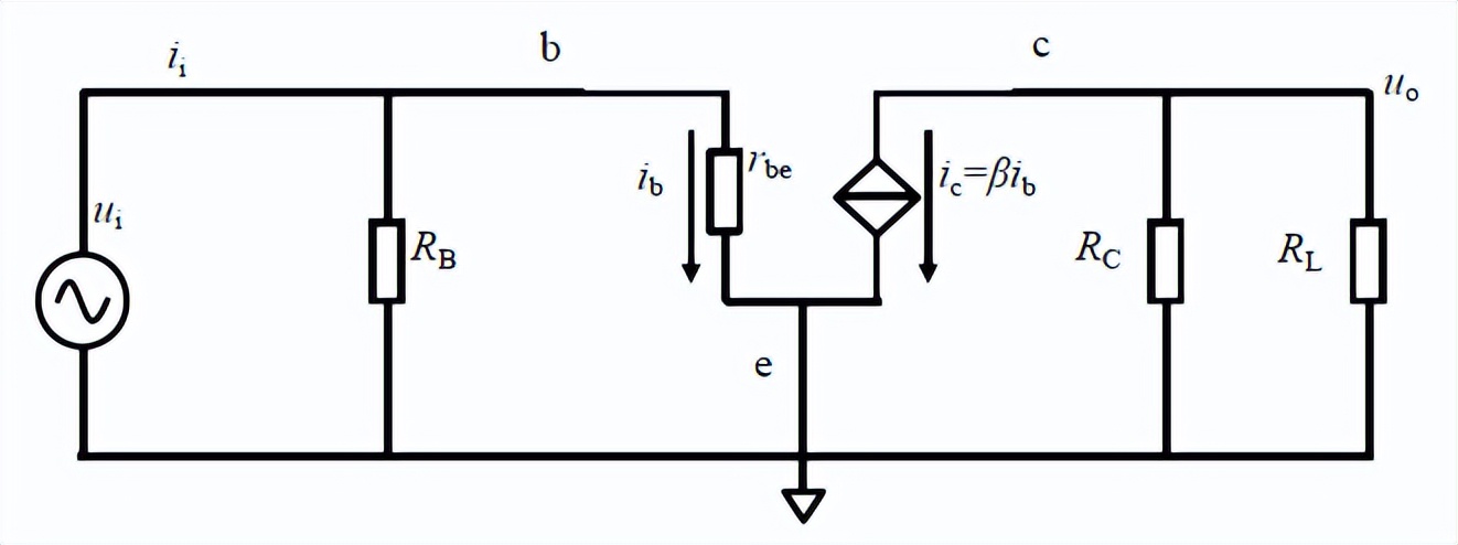
共射放大电路
分析完静态工作点,接下来就来进行动态分析。动态分析的时候,根据线性系统叠加原理,可以让 电压不变点接地 ,电容看作短路,并把三极管用等效模型代替。

整理后得到动态等效电路






是不是很容易就得到了共射放大电路的计算结果。
接下来,我们来看看共基放大电路和共集电极放大电路(射极跟随器)。不同放大电路的静态工作点分析方法是一样的,这里就不再赘述了。我们直接来看动态分析。
共基放大电路


很容易可以得到



共集电极放大电路



,其中



应用
我们来比较一下就能很容易得到结论。

我们先来看最有特色的共集电极放大电路,仔细观察,放大倍数居然是小于1的。这样的放大电路有什么用啊?然后再对比输入电阻和输出电阻,会发现共集电极放大电路的输入电阻是最大的,输出电阻是最小的。这是我们需要的结果。所以,在常用的放大器中,我们会把共集电极放大电路放在整个放大电路的输入级和输出级,就是利用了它输入电阻大,输出电阻小的特点,然后再配合中间的放大倍数大的电路。
再来看共基级放大电路,与共射放大电路进行比较,它的放大倍数和共射放大电路是一样的,并且是正值,这是比较好的特性。不足点就是,输入电阻比共射放大电路要小。
实用的放大电路可以用这三个基本放大电路进行组合来实现,组合的放大电路也可以按照静态工作点,动态分析进行计算。