
提到翘板开关
相信大家对它都不陌生
它被广泛应用于吸尘器、
咖啡机、电吹风等家电中
翘板开关的内部结构是怎样的?
工作原理是什么?
通过德丰ARG系列单极或双极多种电路翘板开关
带大家一探究竟
翘板开关,又称船形开关、跷板开关、IO开关、电源开关,当外力从不同方向按压胶的时,通过胶的内弹簧与*弹子**头(波掌/波珠)的传递作用,促使开关内装有触点的接桥或弹片上下摆动,从而实现动、静触点断开与闭合,由此接通与断开电路,一般作为家电主电源开关。

可承载高负载,节能可靠
翘板开关包含弹片式及接桥式
ARG属弹片式翘板开关
胶的受外力摆动直接作用于弹片上
当胶的作用于弹片波峰时
弹片上动触点与静触点闭合
反过来动、静触点断开

*ARG内部弹片结构示例
ARG可承受高负载
最高负载电流可达16A
可作为主电源开关
我们几乎每天都会使用家电
节能环保成为人们的首选
翘板开关可以在静态和动态控制中
很好地发挥作用
不仅能节约能耗
也能起到安全保护的作用

5万次长寿命,清晰过档手感
翘板开关的通断不涉及金属摩擦
使用寿命较高
ARG寿命可达5万次
令终端产品更可靠耐用

客制化服务:
多种外形尺寸及电路可选
ARG支持客户定制服务
多种按钮形状及颜色可选
同时可选择不同尺寸
可根据终端产品的设计进行定制
胶的上方可印各种客户所需图形标志

同时提供多种电路选择
可选择单极或双极电路
可根据终端产品的电路设计进行定制

支持UL、CQC、ENEC等多种认证
符合国际安全标准
此外,德丰还可提供接桥式翘板开关
可做自动回复功能
亦可提供防尘翘板开关,带灯翘板开关等多种类型选择
详情可扫码 进入德丰官网了解详情

规格参数:
|
数据项 |
数据 |
|
认证 |
UL, ENEC,CQC |
|
电流负载 |
16A,15A,13A,10A,7.5A, 6.5A,3.25A |
|
电压负载 |
125VAC, 250VAC |
|
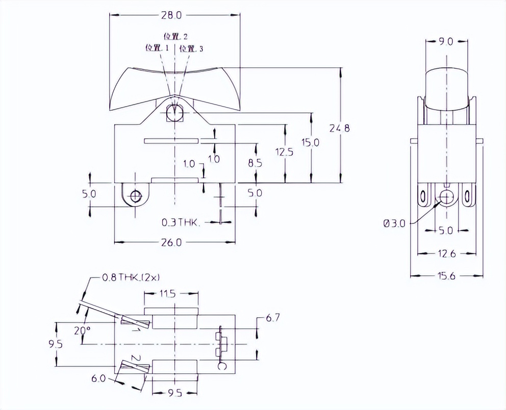
尺寸 |
26mmx12.6mmx15mm(型号不同尺寸不同) |
|
操作力范围 |
0.35-1.4Kgf |
|
绝缘电阻 |
≥50MΩ |
|
接触电阻 |
≤50mΩ |
|
防护等级 |
IP30 |
应用示例:

*以上为应用示例,以终端产品设计为准
此外,德丰还可提供接桥式翘板开关
可做自动回复功能
亦可提供防尘防水翘板开关
带灯翘板开关等多种类型选择