1、刀开关
(1)结构:一种最简单的手动电器。
(2)分类:单极(单刀)、双极(双刀)、三极(三刀)
(3)作用:用在不频繁接通和分断的电路中,也用于隔离电路和电源(又称为隔离开关)

2、组合开关
(1)结构:也是一种刀开关,刀片可转动,由装在同一轴上的单个或多个单极旋转开关叠装组成。转动手柄,可使动触片与静触片接通与断开。
(2)分类:单极、双极、三极、多极。
(3)作用:生产机械的电源引入、局部照明等。
常用的HZ10系列


3、熔断器
(1)作用:最常用的短路保护电器。熔体由电阻率较高而熔点较低的合金制成,正常工作时熔体不熔断,短路时熔体立即熔断,及时切断电源。


(2)分类:实用中,常把熔断器和刀开关组合在一起,分为闸刀开关和铁壳开关。

4、按钮
一种最简单的手动电器。
(1)作用:发出操作信号、接通和断开电流较小的控制电路,以控制电流较大的电动机运行。
(2)结构:钮帽、动触点、静触点和复位弹簧等。



按钮未按下时:
动断触点:动触点与上面的静触点接通。
动合触点:动触点与下面的静触点断开。
按下按钮时:上面的动断触点断开,下面的 动合触点接通。
当松开按钮时:动触点在复位弹簧作用下复位,动断触点和动合触点都恢复原态。
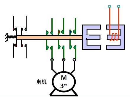
5、接触器
一种依靠电磁力作用使触点闭合或分离的自动电器。
(1)作用:用于接通和断开电动机或其它用电设备电路。

(2)结构:磁铁分静铁心和动铁心,触点分主触点和辅助触点。
结构示意图

符号

主触点接电动机主电路,辅助触点用于控制电路。
利用线圈中小电流的通断来控制主电路中大电流的通断。
当线圈通电时:主触点闭合,电动机旋转。
当线圈断电时:主触点分开,电动机停转。

6、热继电器
(1)通常用热继电器来实现过载保护。当电动机负载过大,电压过低或一相断路时,电流增大,超过额定电流,熔断器不一定熔断,但时间长了影响寿命。
(2)结构


(3)工作原理:利用膨胀系数不同的双金属片遇热后弯曲变形,去推动触点,断开电动机控制电路。
电动机正常工作时:双金属片不起作用。
当电动机过载时:流过发热元件的电流超过其整定电流,使双金属片因受热而有较大弯曲,向左推动导板,动触点离开静触点,接触器线圈KM断电,断开电动机电源。

7、行程开关
对生产机械的某一运动部件的行程或位置变化进行控制。通常用行程开关来实现。
(1)行程开关(限位开关):
是利用机械部件位移来切换电路的自动电器。



8、时间继电器
按一定时间间隔对机械进行控制。
(1)时间继电器:
按所整定的时间间隔的长短来切换电路的自动电器。有空气式、电动式、电子式等。
是从得到输入信号(线圈通电或断电)起,经过一段时间延时后才动作的继电器。适用于定时控制。

(3)工作原理:利用线圈的通电或断电,控制触点闭合或分开。
静铁心固定不变,动铁心与动触点连在一起,可左右移动。
当线圈通电时,静、动铁心间产生电磁吸力,动铁心带动动触点右移,动断触点断开,动合触点闭合。
当线圈断电时,电磁力消失,动铁心在弹簧作用下带动动触点复位,使动断触点和动合触点恢复原状。