
故障案例
车型
东风日产颐达
故障现象:空调不工作!
故障现象诊断:AC开关按下去没反应,AC开关灯也不亮、压缩机也不工作,雪种够,电脑动作测试可以打开AC开关,就是空调开关按了没有任何反应!
故障排查

从上面的分析可以看出:
用解码器动作测试可以,说明电脑板到压缩机是工作正常的!问题极大可能是出现在控制电路上面!

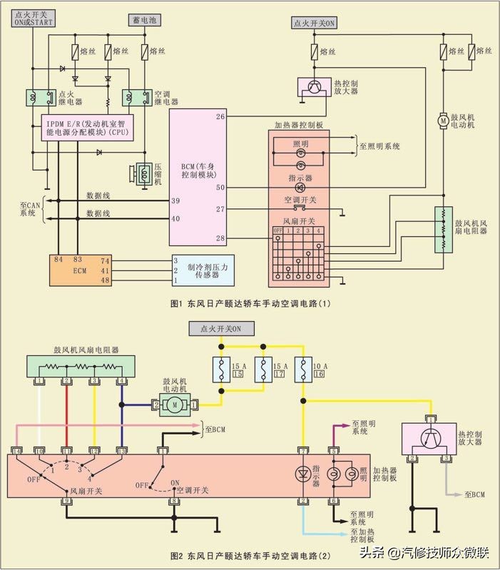
找了一个电路图,发现是05年的电路图,核对一下这台车的(06年)发现05年的车空调面板出来有12根线,06年的出来有14根线,想找到06年的图一直找不到!

先从05年的电路先做出分析
有2根是照明系统的
有1根是加热控制板
鼓风机4根线
2根地线
2条信号到BCM(一个信号是鼓风机信号,
另外一个是空调开关信号)
1根电源
(经过测量,发现06款的14线和05年12线的线路都能核对上12根,功能一样,多了2根未知)

因为电路图不准确,还多了两根线未知,可以先不用管它,因为现在我们前面动作测试后发现是空调开关按了后没有反应,动作测试可以,可以充分说明空调开关到BCM车身电脑没信号过来,经过测量,目前只能确认鼓风机信号线!(测量方法:没打开鼓风机开关的时候粉红色的线用万用表测量是0V,打开后是6V多,说明这根粉红色的线是空调控制面板给BCM的信号线)
从电路图可以看出,空调信号是打铁信号,也就是说我们用试灯直接打铁AC信号那根线就可以给BCM空调开关信号,但是其他2根线多出来的没法测量,学员也担心直接给打铁怕给错,影响其他模块烧毁!

到这一步了怎么办,我们可以快速的诊断出来那个线是到了BCM的!拔掉BCM插头,用万用表打直通方法找出了空调AC信号那根线!看下图,也就是蓝色这根!

用万用表测量,看下图,没按AC开关的时候6.61V电压

按住AC开关测量出的电压是0.83V,只要一松手马上又是6.61V.

用试灯测量,发现亮度不强,直接打铁这根蓝色的信号线,空调工作!故障排查!空调AC开关内部虚接,更换空调控制面板.






此故障如易学通年费学员钟军提供,转载请注明出处