内容修改自数码之家
emmc存储现在已经普及到了几乎没一个手机上去了,而且现在即将面临被USF淘汰的显示。简单说一下EMMC EMMC实际上是NAND和NAND控制器的结合芯片。然后通过同意标准的接口和外部设备通讯和数据传输。感觉就想是SATA接口一个样。EMMC的接口有个神器的地方在于 它兼容SD的接口。意味着可以把EMMC改装到读卡器上
手上有很多emmc,但是容量都比较小,只有2GB,4GB和8GB,最近拿到了几颗64GB的,就动手做TF卡,放到手机上面使用。下面是步骤:1、emmc 飞线

2、tf卡(pcba)飞线,这里有一个电容,接emmc的VDDi,后面我去掉也可以正常工,只是不知道会不会影响稳定性。

3、飞好线后胶带处理


4、手机上测试

i9305日版,内部(32GB内部存储)拷贝视频文件到tf卡(64GBemmc),速度大于15MB/S.补上接线图

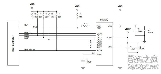
emmc接口定义:

TF卡接口定义:

需要接的线一共8根线:1、DAT2 接emmc DAT2 (A5)2、DAT3 接emmc DAT3 (B2)3、CMD 接emmc cmd (M5)4、VDD接emmc VDD 和VDDF(VDD和VDDF各找一个,有些emmc的资料是写VCC和VCCQ)5、CLK接emmc clk (M6)6、VSS 接emmc 的VSS(随便找一个)7、DAT0接emmc的DAT0(A3)8、DAT1接emmc的DAT1(A4)emmc上还有一个vddi需要接一个电容,开始我有接,后面不小心弄掉了,发现还可以工作,就没有接了。