在生产实践中,许多生产机械要求电动机能正反转,从而实现可逆运行。要实现三相异步电动机的正反转,只需改变电动机定子绕组的电源相序即可。
可逆运行控制线路实质上是两个方向相反的单向运行线路的组合。但为了避免误操作引起电源相间短路,必须在这两个相反方向的单向运行线路中加设连锁机构。按照电动机正反转操作顺序不同,分为“正—停—反”和“正—反—停”两种控制线路。
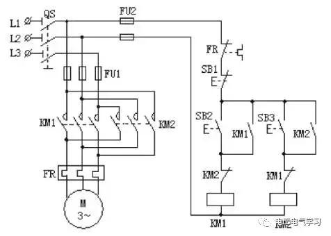
“正—停—反”控制线路
1、传统继电器—接触器的“正—停—反”控制线路如图所示。合上开关QS,按下正向启动按钮SB2时,KM1得电,主触点闭合,电动机正向旋转,KM1的常开辅助点闭合,形成自锁;KM1的常闭辅助触点断开,形成互锁,防止误操作时KM2线圈得电而引起电源相间短路。电动机若需反转时,必须先按下停止按钮SB1切断电动机的正向电源,再按下反转启动按钮SB3,电动机才能进行反转。

传统继电器—接触器“正—停—反”控制线路
2、采用PLC控制电动机的“正—停—反”,需要3个输入点和2个输出点,其输入/输出分配表如下所示。

使用PLC对三相异步电动机实行“正—停—反”控制的I/O接线图如图所示。

PLC控制电动机“正—停—反”的梯形图LAD及指令语句表STL,如下表所示。

网络1为正向控制,按下正向启动按钮SB2时,I0.1常开触点闭合,Q0.0线圈输出,控制KM1线圈得电,使电动机正向启动运转,Q0.0常开触点闭合形成自锁;按下停止按钮SB1,I0.0常闭触点打开,Q0.0没有输出,KM1线圈失电,电动机停止正向运转。网络2为反向控制,其控制过程与网络1类似。
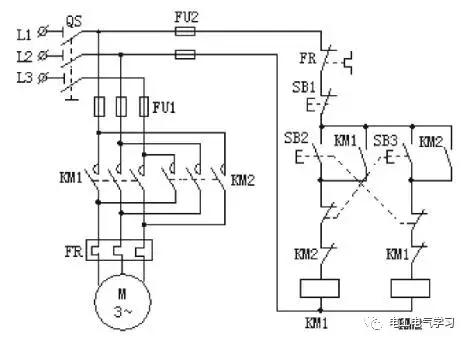
“正—反—停”控制线路
3、传统继电器—接触器的“正—反—停”控制线路图如下图所示。合上开关QS,按下正向启动按钮SB2时,KM1线圈得电,主触点闭合,电动机正向启动运行。若需反向运行时,按下反向启动按钮SB3,其常闭触点断开,切断KM1线圈电源,电动机正向运行电源切断,同时SB3的常开触点闭合,使KM2线圈得电,KM2的主触点闭合,改变了电动机的电源相序,使电动机反向运行。电动机需要停止运行时,只需按下停止按钮SB1即可实现。

传统继电器—接触器“正—反—停”控制线路
4、PLC控制电动机“正—反—停”的梯形图LAD及指令语句表STL,如下表所示。

网络1为正向运行控制,按下正向启动按钮SB2,I0.1触点闭合,Q0.0线圈输出,控制KM1线圈得电,使电动机正向启动运行,Q0.0的常开触点闭合,形成自锁。
网络2为反向运行控制,按下反向启动按钮SB3,I0.2的常开触点闭合,I0.2的常闭触点断开,使电动机反向启动运行。
不管电动机是在正转还是反转,只要按下停车按钮SB1,I0.0常开触点断开,都将切断电动机的电源,从而实现停车。