EW12A发动机
EW12A的特点
EW12A拥有EW系列中最强劲的动力。主要为“H”级别的车辆提供动力。在中国将首先应用在C5车辆上。符合欧4排放标准。

- 2根平衡轴装在油底壳中的一个箱体( “A.E.B”体,即意思为:油底壳中的平衡轴)中;
- 正时是根据可变进气凸轮轴(或称:“V.T.C.”,意为:“可变正时凸轮轴”)的定位来进行调整;
- 新的电动节气门;
- 进气歧管上的节气门体法兰变更;
- 新的安装接合面( AT6变速箱连接);
- 新的排气管弯头;
- 机械助力转向泵取代电子泵;
- 用椭圆的的曲轴齿轮的代替排气凸轮轴齿轮上的橡胶减震装置;
- 采用优化的三元催化
进气歧管是塑料的

在空气滤清器的前面装有容积为3.4升的谐振器。进气分配管上配装了一个谐振器,用以改善低转速时的充气性。
带有预三元催化器的排气歧管


结构与EW10A相似,预三元催化器集成在比较靠近排气门的位置(欧4标准)
三元预催化器,尽可能靠近排气阀

排气歧管是《催化器在排气岐管下》型。包括一个预催化器。其通过一个密封的分离器与位于地板下的三元催化器相连。
进气歧管内装有分油器,带有调节阀

发动机EW12对机油的搅拌产生了机油蒸汽,这要求有一个强大的除油系统。外部管道长度缩短了,用以减少热能的散失。

喷油器

EW12A的参数

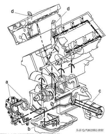
EW12A平衡轴

平衡轴箱(称为AEB)安装在发动机主轴承盖上(位于油底壳中),装配有两根平衡轴,平衡轴的作用是抗衡四缸机运动件运行时产生的不规则旋转,尤其是平衡能产生噪音的纵向往复惯性力。
运行状况

平衡轴的旋转速度比曲轴快2倍。平衡重在下止点,对应着在上止点的2个活塞。
布置

两根平衡轴安装在轴瓦上。通过穿过主轴承盖的油道来保证润滑。
EW12A正时系统VTC
- VTC (可变正时凸轮轴相位器)是一个进气凸轮轴(全开或全闭式)的移相器,它由发动机计算机引导控制。
- 为改善低转速的加速性能, VTC (可变正时凸轮轴相位器)负责改变进气门关闭时刻。
- VTC有2个位置,每个位置之间20°


- 功能概要图

目的:更改配气相位,以便改善低转速时的充气性。

a -正时的关键点(发动机停机、转速低于1000转/分钟或超过5150转/分钟)b -正时的关键点(转速1000到5150转/分钟)1 - 进气门开启提前;2 - 进气门关闭推迟。
- VTC电磁阀 (1243)为全开或全闭型.
- 由发动机供给12伏电源,并由发动机计算机控制接地.

EW12A发动机管理系统
发动机的电脑管理系统是:马瑞利( Magneti marelli)的MM6KPF。

EW12A售后维修注意(风险点)
EW12发动机由于气门的盘面直径比较大, 因此:1. 在缸盖带气门与凸轮轴总成安装时,凸轮轴的位置要按照安装工艺的规定。2. 在缸盖带气门和凸轮轴总成装到缸体上后,不能随意单独转动一个凸轮轴;否则,就有导致同一缸的进、排气门相互干涉的风险。3. 调整正时的时候要按照工艺要求,单独转动一个凸轮轴的时候只能往前或者往后转动少许的角度。
ES9A发动机
ES9A介绍
ES9A发动机是一款:
- V型6缸机-24个气门;
- 4根顶置凸轮轴, 由正时皮带驱动。

ES9A—标识
在发动机上铆接的铭牌( 1)上,我们可以看到以下信息:- 发动机商业代码( a);- 总成编号( b);- 生产序列号( c )。

ES9A—参数

缸体总成
缸体( a)和曲轴主轴承盖的材料都是轻合金。

连杆机构

曲轴的半轴瓦

在缸体和曲轴上的标记可以用来配瓦。
连杆和活塞
-连杆的材料是锻钢。-活塞的材料为轻质合金,其裙部减小,有气门凹槽。为了安置VVT系统,进气门端的气门室要更深一些。

气缸盖

气缸盖中有润滑油道和机械加工,可以适配VVT。每个气缸盖都装有一个VVT电磁阀和一个相位传感器。
气缸盖垫
气缸盖密封垫是多层金属垫,前、后不同。

凸轮轴
铸铁材料的凸轮轴有4个主轴承和6个凸轮,直接与液压挺杆相接。进气凸轮轴装有相位传感器接收器。

机油泵
带压润滑是由双芯式(内部转子轴和外部转子轴)内齿轮系型的机油泵来保证的。

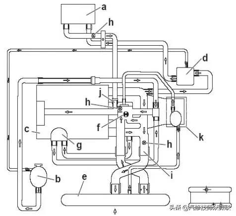
ES9A润滑系统

ES9A冷却系统
电动风扇是吹风式,装有一个电子模块,可以进行无级变速。电动风扇组( GMV)的控制是由冷却液温度曲线图决定的,由发动机控制电脑( FRIC功能)来保证的。

水泵
水泵是由正时皮带驱动的。其密封是由一个O形圈( a)保证的。


ES9A进气系统

进气系统采用可减少进口噪音的设计。
进气歧管
复合材料的进气歧管的6支管路的长度是一致的。进气歧管上有一个1bar泄压阀,可以在需要时排出过高的压力。

空气分配管
铝合金材料的进气分配管位于V形的中部。其密封性由2个预先成型的密封件( a)保证。由“消声件”( b)进行的软固定可以减少气缸盖上的应力。

电动节气门体
节气门由一个直流电机驱动,由一个弹簧回位。通过传感器,电控单元可=以知道节气门的位置。

排气歧管

后歧管有一个氧传感器( d处)。
连接管
2个歧管之间的连接管接2个三元催化器。

ES9A供油(燃油)

ES9A正时系统
正时系统的驱动是由一个正时皮带保证的。

带弹簧的动态张紧轮

附件的驱动装置

ES9A凸轮轴相位控制系统(VVT)
在ES9A发动机上,在每个进气凸轮轴上都有一个VVT装置。

VVT控制电磁阀

VVT由发动机控制电脑控制,通过固定在气缸盖上的2个电磁阀实现。

ES9A发动机管理系统
发动机管理系统是博世ME7.4.7(顺序喷射),满足欧4( L5)标准。这是一种转速压力类型。


- 发动机计算机同时控制这2个VVT,以确保控制他们的电磁阀。
- 若其中一个装置出现缺陷,那么整体也将有缺陷,其作用也将消失。

电控单元管理以下功能:- 计算发动机扭矩,- 空气/汽油的配比,- 静态点火,- 自诊断和EOBD功能,- 混合气浓度调节,- 怠速转速的调节,- 爆震调节,- 发动机冷却( FRIC),- 在多路传输CAN I/S网络上的通讯,- VVT的控制,-防启动...