首先要提的就是电流互感器接线的一些注意问题:
①电流互感器二次侧不允许开路
二次开路可能产生严重后果,一是铁芯过热,甚至烧毁互感器;二是由于二次绕组匝数很多,会感应出危险的高电压,危及人身和设备的安全。
②电流互感器的二次侧必须有一点接地
由于电流互感器的一次侧为高压,当一、二次线圈之间因绝缘损坏出线高压击穿时,将导致高压进入低压,如果二次线圈一点接地,则将高压引入了大地,可确保人身及设备的安全。但应当注意,电流互感器的二次回路只允许一点接地,而不允许再有接地,否则有可能引起分流,影响使用。
那么问题来了,为什么电流互感器二次回路只允许一点接地呢?
如果互感器二次回路有了接地点,则二次回路对地电容将为零,从而达到了保证安全的目的。为什么只能有一点接地:因为一个变电所的接地网并非实际的等电位面,因而在不同点会出现电位差。当大的接地电流注入电网时,各点间可能有较大的电位差。如果一个电连通的回路在变电所的不同点同时接地,地网上的电位差将窜入这个连通的回路,有时还造成不应有的分流。在有的情况下,可能将这个在一次系统中不存在的电压引入继电保护的检测回路中,使测量电压数据不正确,波形畸变,导致阻抗元件和方向元件的不正确动作。在电流二次回路中,如果正好在继电器电流线圈的两侧都有接地点,一方面两接地点和地所构成的并联回路,会短路电流线圈,使通过电流线圈的电流大为减小。此外,在发生接地故障时,两接地点间的工频地电位差将在电流线圈中产生极大的额外电流。这两种原因的综合效果,将使通过继电器线圈的电流,与电流互感器二次通入的故障电流有极大差异,当然会使继电器的反应不正常。
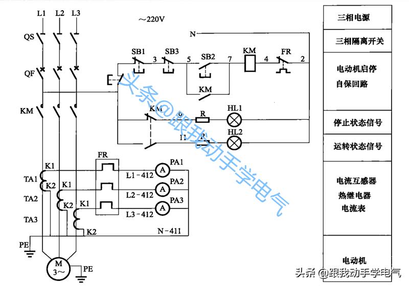
下面就是几种我们工作常见的二次保护电机控制电路:
一、二次保护、一启三停的有三相电流表的电机控制电路

二、二次保护,一启二停的电机控制电路

三、二次保护、一启二停的双电流表的电机控制电路

四、二次保护、一启二停双电流表,有电机启动预警的电机控制电路

电气知识和经验是用来分享的,希望通过本文的介绍能对你的工作和学习有帮助。想学习的可以关注我。
欢迎大家点赞、评论及转发。欢迎大家提问题一起探讨。