电容器是一种储能元件,具有“隔直通交,阴低频通高频”的特性,人们为了认识和鉴别不同电路中的电容器,根据其在线路中的作用而给它起了许多名称,了解这些名称和作用,对读图是垫脚有帮助的。下面介绍一些常用名称的含义。
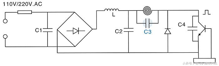
1、滤波电容
它并接在电路正负极之间,把电路中无用的交流电流去掉,一般采用大容量电解电容器,也有采用其他固定电容器的。



2、退耦电容
并接于电路正负极之间,可防止电路通过电源内阻形成的正反馈通路而引起的寄生振荡。


3 、耦合电容
连接于信号源和信号处理电路或两级放大器之间,用以隔断直流电,让交流电或脉动信号通过,使相信的放大器直流工作点互不影响。


4、旁路电容
并接在电阻两端或由某点直接跨接至共用电信为交直流信号中的交流或脉动信号设置一条通路,避免交流成分在通过电阻时产生压降。



5、中和电容
连接于三极管基极与集电极之间,用于克服三极管极间电容而引起的自激振荡。

6、槽路电容(调谐电容)
连接于谐振电路或振荡电路线圈两端的电容。



7、垫整电容
在电路在能使振荡信号的频率范围减小,而且显著提高低频端振荡频率的电容,它是与槽路主电容串联的。

8、补偿电容
在振荡电路中,能使振荡信号的频率范围得到扩大的电容,它与主电容并联起辅助作用。


9、逆程电容
并接在行输出管集电极与发射极之间,用来产生行扫描锯齿波逆程的电容。


10、自举升压电容
利用其储能来提升电路由某的电位,使其电位值高于为该点供电的电源电压。


11、“S”校正电容
串接于偏转线圈回路中,用于校正两边延伸失真。


12、稳频电容
在振荡电路中,用来稳定振荡频率的电容。

13、定时电容
在RC定时电路中与电阻R串联共同决定时间长短的电容。

14、降压限流电容
串接于交流电路中用于它对交流电的容抗进行分压限流。


15、缩短电容
这种电容是在UHF高频头中为了缩短振荡电感的长度而串接的电容。

16、克拉泼电容
在电容三点式振荡电路中,串接在振荡电感线圈的电容,为了水运晶体管结电容的影响,提高频率稳定性。

17、锡拉电容
在电容三点式振荡电路中,并接在振荡电感线圈两端的电容,为了消除晶体管结电容的影响,使其振荡频率越就越容易起振。

18、加速电容
接在振荡反馈电路中,使正反馈过程加速,提高振荡幅度。

19、预加重电容
为了防止音频调制信号在调制时可能使高频分量产生衰减或丢失,而适当提升高频分量的RC网络中的电容。

20、去加重电容
对音频信号中经预加提升的那部分高频分量连同噪音一起衰减掉,恢复伴音信号的本来面貌的RC网络中的电容。


21、稳幅电容
在鉴频器中,用来稳定输出信号幅度。

22、消亮点电容
在显像管附属电路中,用以消除关机亮点的电容。

23、移相电容
用来改变交流电信号相位的电容。

24、反馈电容
跨接于放大器的输入与输出端用来反馈信号的电容

25、软启动电容
通常接在电源开关管基极的,防止开机时加在开关基极的浪涌电流或电压太大而损坏开关管。

26、启动电容
串接于单相电机副绕组,为电机副绕组提供启动用的移相交流电流,电机运转正常时与副绕组断开。

27、运转电容
串接于单相电机副绕组,为电机副绕组提供移相交流电流,电机运转正常时与副绕组仍串于电路中。
