二手车业务必将成为经销商集团一个重要的业务组成,将超过新车利润占比,与售后利润共同构成集团利润最重要的组成部分,未来二手车综合业务利润(含由二手车业务带来的售后及金融等利润)在集团的利润贡献比上一定会超过20%。目前,政策因素、金融资源因素、管理因素是制约经销商集团二手车发展的三个主要因素,政策因素和金融资源因素是外部制约因素,是不可控因素;管理因素是唯一内部可控因素,只有将内部管理因素制约去除,才能在外部制约因素松绑时获得最大的业务发展。
概述
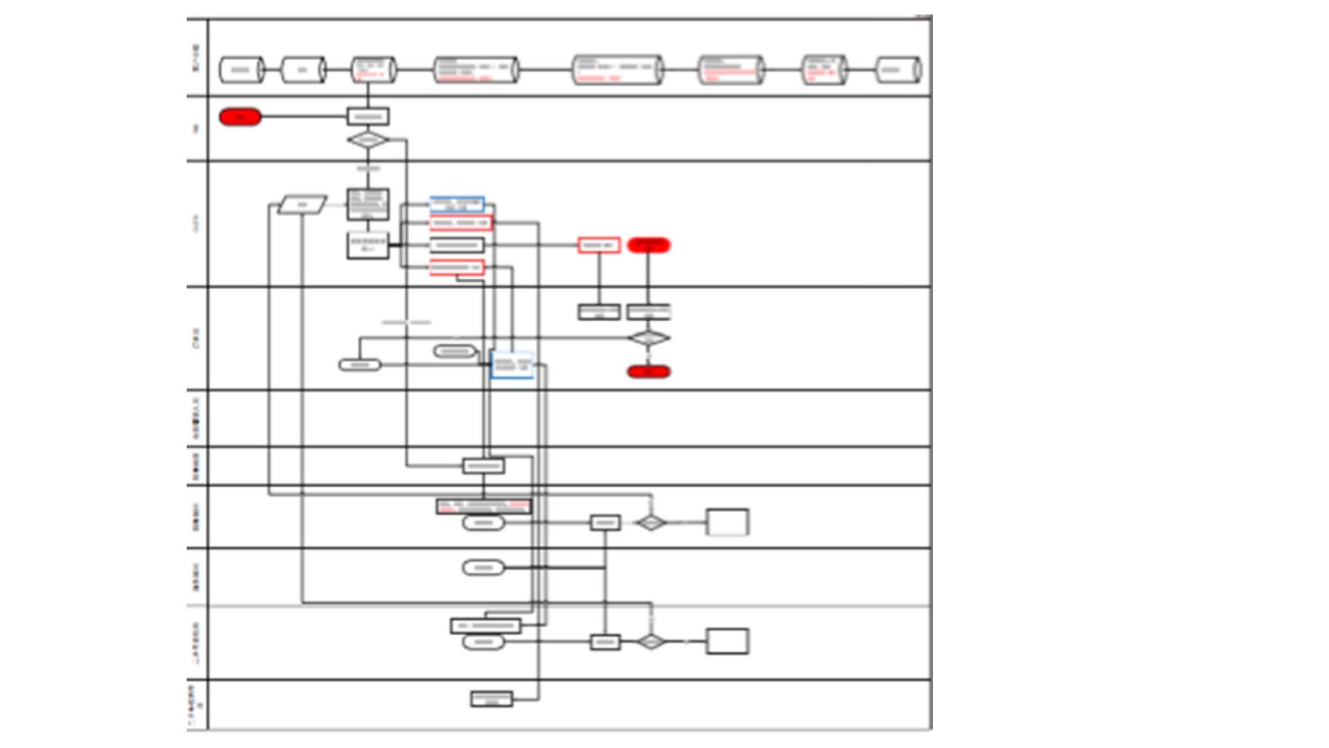
二手车业务管理和经销商集团熟悉的新车管理一个最大的区别就是商品获取的渠道和方式的区别。新车有主机厂将商品生产出来并定价后交由经销商集团建立的渠道(4S店)实施销售;二手车没有固定的供应商,需要经销商集团自主去采购原材料(C端客户手里的车辆),自主加工(对车辆进行整备和服务附加),成为商品后在自主渠道内自主定价销售。这就使得经销商集团在管理上部分承担了主机厂的管理功能,与之前的单纯渠道销售功能产生了差异,由此产生了新的管理要求,造成管理上的困难。
解决二手车管理上的难题, 第一步就是要解决二手车的来源问题 ,经销商集团的新车销售展厅是二手车车源的最佳来源渠道,管理好展厅置换率才能有效控制车源,而展厅置换率控制的关键就是定价和考核。必须实现不受人为因素影响的定价和可落地的考核才可以实现展厅置换率的真正管理。
解决二手车管理上的难题, 第二步就是要解决二手车的加工问题,经销商集团的车间长期受到主机厂的利益影响,以换件和追求最好为导向,这些习惯不能成为二手车整备的标准,必须建立新的二手车整备工作规范和作业流程标准,并以主机厂的模式在集团内部展开培训。
解决二手车上管理上的难题, 第三步就是要解决库存管理问题,传统的新车销售库存管理较简单,只涉及如何实现库存去化问题,由于二手车来源的不确定性,销售渠道的多样性,二手车的库存管理必然涉及到入库标准管理、库存配送管理、动态库存调整管理等问题。只有解决了库存管理问题才能确保二手车业务展开。
解决二手车上管理上的难题, 第四步就是要解决销售定价和销售培训问题 ,传统的新车销售定价由主机厂掌握,将定价下发到渠道执行,二手车的的销售定价必须实现有效管理才能确保二手车业务的展开;传统的新车销售人员只熟悉销售本品牌车型的销售话术,二手车销售的车型复杂,必须解决销售培训问题才能确保二手车业务展开。
为解决以上困难的管理手段不是唯一的,本案以“责任上移” 的管理思路出发,建议由经销商集团总部团队承担收购定价、库存调拨、销售定价等业务管理职能;承担整备标准、业务流程标准制定等设计职能;承担整备技术培训教材、销售话术培训教材等培训教材制定职能。结合区域管理团队的落地执行职能。构架整体管理架构,支持二手车业务开展。
入口管理
步骤一:解决评估可视化问题
销售顾问使用远程评估设备,直接为展厅有意向置换客户提供评估服务,并进行价格谈判。将设备出价作为价格谈判上限。这样规避了店面原有二手车业务人员的个人职业道德风险,将二手车业务中最重要的定价工作通过系统管理起来。

步骤二:制定预防飞单行为的薪酬考核制度
销售顾问月度提成与二手车置换率达标挂钩,同时向销售顾问提供收购价格差价提成。规避销售人员与外部车商串联,将店面产生的置换信息泄露出去,从而让新车销售自然产生的大量置换车源线索得不到体现。让经销商集团最大的车源优势发挥不出来。

步骤三:ERP留痕,呼叫中心对战败客户跟踪
使用设备评估后所有的评估信息都会在系统上留痕,便于集团对每个客户进行逐个跟踪或抽样跟踪。从而监督一线各类线索的保存、跟进状态,防止出现飞单等违反职业道德的行为。

库存管理
步骤一:与金融机构对接,打通二手车库存
通过评估设备将二手车非标产品标准化,对接商业银行为集团提供“一车一贷”的二手车库存金融产品。新的税收政策出台后,完全可以将二手车过户至公司名下,不用在利用员工名义上牌,为对接正规金融机构打开了通道。
步骤二:建立二手车库存动态管理机制
加大展厅置换管理,大力提升展厅置换率,利用库存金融产品建立二手车库存,开展展厅二手车零售业务。对不符合展厅二手车零售标准的车辆放到因车综合零售店面进行销售,同时由集团统筹管理二手车库存,利用拍卖平台和批发网络调节二手车库存深度。从而实现二手车库存管理最优。

出口管理
步骤一:提升整备技能,提升二手车价值
对现有店面售后技术人员进行培训,利用闲置产能开展二手车整备。改变4S店修理人员为追求产值而大量换件的工作习惯,真正将二手车的整备成本通过管理手段控制下来。

步骤二:提升新车门店二手车销售能力
通过制定统一销售价格、提供销售话术包,加大二手车销售激励政策,促进二手车全员营销。奖现有新车的展厅资源和销售资源效用最大化。降低新车销售人员在销售二手车时的技术难度,让新车销售顾问或者专业二手车销售顾问的培训难度降低,销售效率提升。

步骤三:将现有退网店面改造成二手车综合零售店面,扩大二手车零售渠道
将不适合在新车展厅销售的二手车放到已建和新建综合零售店面开展销售。将经销商集团资产最大化利用起来,形成自身的竞争优势。
步骤四:利用拍卖平台和自建批售渠道,加大库存去化能力
将不适合在零售的车辆和在库存超出警戒线的车辆进行批发销售,原则如下:
1.严密库存管理,针对长库存强制调拨批售给兜底方,加速库存去化,长库存判定如下:
●新零售店(二手车零售业务开展半年内)>=53天
●非新零售店>=38 天
2. 针对展厅零售库存的去化能力,动态调整批零的比例,提前避免过高的零售库存。
通过以上方案的组合实施,最终使经销商集团的二手车业务管理水平达到和新车管理水平基本齐平。从而将二手车业务发展成为新的业务增长点。