本教材适用于目前通力使用的AMD层轿门, AUGUSTA层门,宁波申菱层门。
轿门使用 AMD 门,在与层门搭配的规格上覆盖范围更广。
层门门高:Augusta最大 - 2300mm
申菱最大 - 2400mm
AMD最大 - 2400mm
层门门宽:Augusta最大 - 1000mm
申菱最大 - 1200mm
AMD最大 - 1500mm
电气安全:
参照 AM-01.03.002“在电梯上作业遵守 5 项电气安全方针”。
此 5 项安全方针是为在电梯上安装、维修、保养和改造工作设计的。AM 文件描述了电梯作业中的安全工作程序:防止电击伤和其它意想不到的运动 装置对你和他人可能造成的伤害。阅读和遵守所有相关指导并遵照国内安全 标准和法规。
除非有重要的原因,下列 5 步必须按规定顺序执行:遵守 5 步方针确保电气安全:
1 彻底断开进线电源。
2 采取措施确保进线电源不能重新接入。
3 核实安装是不带电的。
4 检查特殊情况的接地要求(该操作只能由有资格的人与建筑电气方面代表合作完
成,代表人必须确保此场合下从技术上讲是安全的).
5 提供保护措施以防附近带电部件。
3 AMD 门系统介绍
3.1门的型式

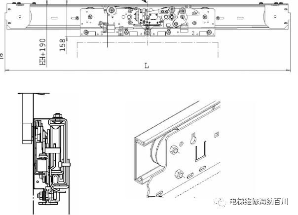
3.2门头(Railing)
3.2.1门头 1:用在低、中负荷

3.2.2门头 2:用在中度负荷场合

3.3 驱动
3.3.1驱动 1
a. 概述:
驱动 1 用于低任务场合的门驱动系统。
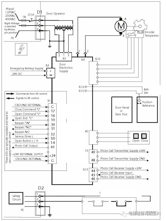
b. 门机控制板

c. 电气接线:

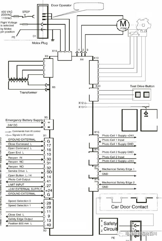
3.3.2驱动 1.5
驱动 1.5 与驱动 2 原理和接线相似,只不过驱动 1.5 的门刀采用的右置式。
a. 概述

b. PC 与 AMD 电气相连,进行数据更新(与 Drive2 相似)
插入串行界面板(603900G01/RS-232)到X60与PC的RS232口连接。
启动“windows-terminal program”下的TERMINAL.EXE(Windows版本3.11)程序或HYPERTRM.EXE (Windows版本NT95,98)。
C. 驱动 1.5 门机电气线路图

3.3.3驱动 2


b. 控制板:



c. 信号
控制信号输入:
(17)关门命令,低压有效。门以较小的力保持完全关闭状态
(16)开门命令,低压有效。门以较小的力压在缓冲器上保持完全打开状态
(27)有限开门,低压有效。与开门命令一起使门只开到 800 位置(端子 40 变低)
(SD)检修运行,低压有效。电梯处于检修运行模式时,该信号使开关门按钮有效
(28)选速 1。电梯可选功能,用于选择门机速度水平(选速后需重新自学习?)
(29)选速 2。电梯可选功能,用于选择门机速度水平(选速后需重新自学习?)
(11)强迫关门,低压有效。以较慢的速度关门,重新开门设备无效
(G)GND -/24VDC
安全信号输入:(在不采用这些输入时,应用 DIP 开关短接)
(14)开门按钮,低压有效。响应重新开门请求(输出端子 31或 32)
(X15/2)光电 1 输入,低压有效。当关门只剩下 50mm 时,门控制板使其失效
(X16/2)光电 2 输入,低压有效。当关门只剩下 50mm 时,门控制板使其失效
(X17)安全触板 1 输入,低压有效
(X18)安全触板 2 输入,低压有效
(30)重新开门输入,一般接至-/24V.是 NC(31)和 NO(32)接点的公共端(见图 6-3 的 S2)
输出信号:
(9)关门极限,低压有效。到达完全关闭位置前 10mm 有效
(10)开门极限,低压有效。到达完全打开位置前 10mm 有效
(41)光电输出,高压有效。光电光束被挡时有效
(13)安全触板输出,高压有效。安全触板检测到障碍物时。
(40)800 位置信号,低压有效。开门距³800mm。
(31)重新开门常闭触点,高压有效。(由关门限力器或开门按钮产生)
(32)重新开门常开触点,高压有效。(由关门限力器或开门按钮产生)


驱动 2 接线图:



4 宁波申菱厅门
4.1宁波申菱厅门简介
宁波申菱厅门,用于通力 3000 电梯,与 AMD 轿门相配合组成电梯厅轿门系统。在与申菱厅门的配合中,AMD 轿门采用右开门型式,门类型目前只有中分门形式。
申菱层门的门高规格最高为- 2400mm
申菱层门的门宽规格最宽为- 1200mm



5 AUGUSTA 层门
5.1 AUGUSTA 厅门简介
AUGUSTA 层门,用于通力 3000 产品电梯,与 AMD 轿门相配合组成电梯厅轿门系统。
在与 AUGUSTA 层门的配合中,AMD 轿门采用右开门型式。
注意 AUGUSTA 层门强迫关门装置采用弹簧型式,层门挂板的安装方式与 AMD 层门不同,门锁结构与 AMD 层门结构也有不同,门类型目前只有中分门形式。





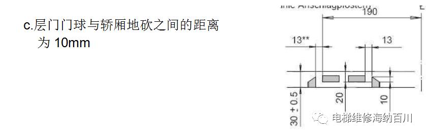
6. 厅轿门验收标准
a. 轿厢地坎与井道内墙面间距不大于 150mm。
b. 层门地坎应高出最终地面 2~5mm。
c. 层门地坎至轿厢地坎水平距离:相对图纸,偏差不超过 0~+3mm。
d. 门扇与门套、门扇下端与地坎间隙客梯为 3~4mm,货梯为 3~7mm。
e. 门刀与层门地坎、门锁滚轮与轿厢地坎间隙应为 7~10mm。
f. 层门与轿门联锁试验安全可靠。
g. 门关闭时,轿门、层门吊门板应与制停圆形缓冲垫可靠接触,轿门、层门门缝间隙为 2~3mm。
h. 层门锁紧元件动作灵活,最小啮合长度为 7mm,侧隙为 1~3mm。
i. 层门在无外力的情况下,在任何位置均能自动关闭。轿门层门电气安全装置有效、可靠。
j. 轿门、层门开门限位调整到位。
1 偏心轮与门导轨的间隙应为 0.2~0.4mm。
2 在门的下部施加 150N 的力于开门方向,门打开间隙:当对旁开门,不大于 30mm;
当对中分门,不大于 45mm。以最大的测量结果为准
k. 每个层门均应能从层门外用相匹配的钥匙开启
L. 在开关门过程中,门刀间距与两门滚轮外侧水平间距应一致,不应有
门在门刀间摆动的现象。
m. 自动门关闭过程中,光幕或安全触板有效。
n. 在关门行程 1/3 之后,阻止关门的力不超过 150N。