
乐四万、乐三万已经问世许久了,乐两万还会远吗?早在去年L4pro刚刚曝光时,乐彼就已经放出了关于全分立式R2R*放播**器P6的消息,前者不知道还要咕到猴年马月,而P6则马上就要上市和烧友们见面了。

收到两个版本工程机的P6时,我是真的被它们给“丑到了”,乐彼虽然作为顶级直男癌品牌,但之前的产品不论是颜值还是工艺都算得上是业内数一数二的,但没想到这只是老万给大家开的一个玩笑,拿到接近完成版的P6时,着实被小小地惊艳了一把。



美丑先不论,P6的机身用料、工艺水准,放在HIF领域里绝对是“出圈”级别的存在,表面喷砂的细腻程度不亚于我的XPS13、iPad,这也是我第一次觉得有国产品牌的音量滚轮的做工质感能够比肩艾利和的同时、也仍富有设计感,不惧任何韩砖、日砖的正面PK。而尽管是金属材质的机身,但整机重量控制的非常好,加上体积也不算大,切面也做了平滑倒角的处理,所以P6的握持手感甚至要好于我手上的SA700。


这次当乐彼提出会使用滚轮+点按的方式来操作UI时,我内心是十分期待的,脑海中大概是山灵M3s那样流畅而便捷的单手操作模式,但实际上的体验还是不太尽如人意,滚轮选菜单+另一个按键做选择的方式真的是有些别扭,不论是右手握持和双手握持时都很难找到一个舒服的操作方式。
另外,因为音量滚轮同时起到控制菜单的作用,那么它在除了*放播**界面以外的地方都没有办法调整音量,当前的音量大小用户只能通过顶部的音量数值来判断,仍然存在潜在的危险性,所以如果你使用的是高敏塞子,在熟悉机器的推力大小之前,还是等开始*放播**以后再把塞子戴起来。
PS:目前的音量滚轮突出侧裙的地方偏小、导致手感一般,乐彼会在零售版的机器上加大滚轮的直径。

关于蓝牙方面,P6很意外地使用了FPGA芯片来做飞秒时钟,没错,蓝牙的音质也是有区别的,没想到吧?仔细对比一下就能发现,手机中的VIVO、IQOO,和*放播**器中的艾利和,在蓝牙端的音质表现明显好于同类型产品,而这一次乐彼P6蓝牙端的音质也相当不错,作为接收端时,透明度高、信息量、三频、声场等方面保留的很完整,动态稍弱了一些,器乐的音色有所削薄,但可用度已经是相当高。

在我盛赞了P6的一些外在条件以后(操作除外),老万并没有显得很兴奋,而是直言“关注音质即可”,在开始聊声音表现之前,以下有一些关于P6所运用全分立式R2R结构偏硬核的技术解析,你可以理解为这是一台“没有DAC”的机器,对这部分不感兴趣的可以直接跳过~
-------------------------------------------------------------------------------------------------------------------------------------
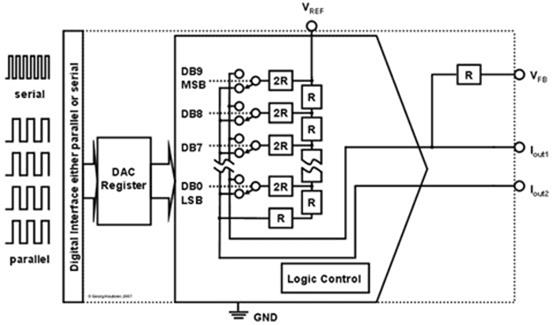
我们先讲DAC(数字模拟转换器),你欣赏的音频都是数字格式,以0、1的形式存在于载体中,在变成进入你耳朵的声音之前,它需要被转换为实际的模拟电信号,后面还有功率放大等流程。但DAC负责将数字信号转换成模拟信号,可以用这张简单的图来展示DAC工作流程:

理想中的DAC会输出红色阶梯状的电压信号,现实中由于不同电压级别之间的变动必然会造成连续的变化,实际的输出的波形应该是灰色信号;DAC的分辨率够高(也就是输出的电压间隔小,电压级别多),它的信噪比就会更好。DAC是大部分音频系统中都会存在的部分,它对声音的影响是很大的。
R2R属于DAC中到一类,它的第一个R是指电阻网络中阻值为R的电阻,后面的2R指阻值为2R的电阻,R2R架构是一个电阻网络构成的DAC架构:

通过巧妙地将2R阻值电阻、R阻值电阻组合在一起。在特定开关的到组合下,2R电阻与2R电阻并联后的阻值为R,再与R电阻串联后置为2R阻值,这样得到的2R电阻又可以作为下一级并联电路的一部分。
R2R DAC在使用的电阻数量较多的情况下,拥有比常见的Delta-Sigma DAC更精准、范围更大的电压信号输出能力,不同电压档位之间间隔非常小(前提是电阻网络规模够大)。由于不需要时钟信息(模拟电路的电阻分压原理),也不会产生抖动的影响。
看起来R2R很好很强大, 但现实却是R2R DAC已经逐渐式微,常见的音频DAC市场已经被Delta-Sigma DAC占领。
这是因为R2R有着自己固有的缺点:
1、R2R DAC对电阻的一致性、温度漂移要求非常苛刻。首先电阻本身必须经过专门的配对,保证R与2R的阻值差异不能太大。不要说1欧姆/0.1欧姆的差别,实际上能容忍的误差要比这个数量级低很多,只要稍微有一点点阻值差异,输出的电压信号级别就会有误差。
2、要达到高的分辨率,就要用很多组R-2R电阻,然后你要保证它们之间特挑过后基本没有阻值差异。在分立式电阻器件的组合情况下,这又占用了大量的PCB面积,毫无疑问会挤占其他电路器3、件的空间。
分立式电阻器件的温漂问题是不可避免的,不同电阻温漂的程度也不一样。
4、R2R网络可以通过集成电路的形式来实现,代表产物就是上世纪BB出产的顶级R2R芯片:PCM 1704,坊间认为这玩意相当不错,但它已经停产了,因为制造工艺太复杂,成本高,PCM 1704内置了两个23bit的DAC来达成24bit R2R DAC输出,内部还采用了激光微调电阻,就这样也不能保证良率和效期的指标。你就应该理解R2R DAC成本有多高了。
我前面提到P6时说它采用了R2R “DAC”,故意打上双引号是为了说明其实P6是采用分立式电阻网络来实现的R2R DAC,而不是集成电路形式(毕竟PCM 1704很难搞到了,保修+供货是大问题)因此,P6这台机器应该会有很恐怖的BOM和生产工艺成本。还有值得一提的一点是,P6的整机动态做到了相当于8颗并联1704芯片的理想动态。

声音部分的评测,我不会写的非常八股,会随着我在搭配方面的感受落笔,因为P6在我心目中真的是随身产品中真正的“参考级”*放播**器,我对它在调音部分的评价甚至要高于乐三万、乐四万,用三频、声场等分类式写法的话,反倒显得有些在埋汰它。

先说推力表现,老万直言P6主要是针对耳塞的机器,我先后拿了不少我评测常用的耳塞来试探它的底子,包括“尺子”RS10、带静电单元的NG EURUS、监听塞qdc4 studio、和MMR前身Jomo家的旗舰Flamenco,基本上可以轻松推到起飞、而且仍有大量余力,动态和两端延展近乎完美。但话说回来,我怀疑“P6针对耳塞调音”只是老万的谦词,实际上我拿它来驱动和声力的Helios镀铍动圈头戴时,仍然推出了非常健康、匀称、富有动态的声音框架,只是横向略微有些打不开而已。
之前在体验工程机时我明确写过,P6是一款透明度极高、声音线条刻画清晰明朗的*放播**器,结像规整有序,就像LP6ti一样都是高素质型走向,并且和我们以往听到的所谓“模拟味”不同,P6虽然是使用了R2R结构,但整体却是一种比较“现代”的声音,在素质流的基底上拥有精致、自然的声韵,避免了数码味过重而导致的不耐听。手头的这台近完全体的样机,在动态、饱满度、声场方面相较于上次仍有提升,并且中频的部分仍然保持了一定的润泽度,人声表现不会显得糙、或者绵软,音色平衡度较好,男声的醇厚、女声的甜美,拿捏到了一个非常微妙的尺度,不会像之前的L4一样音色有一定的拔高痕迹、导致偏年轻化。

P6本身对“味道”的表达非常克制,但也并不完全是白开水的状态,毕竟白开水还能喝到水壶的水垢味呢。前文提到了它仍是有一定润泽度的,非要比喻的话,我觉得它像是给社会上流人士专供的那种高级矿泉水,水质偏软、入口时非常顺滑爽口,带有一丝的清甜感。作为我一个相比机器素质、更加注重实际搭配时的带载能力的人,我时常会“脑补”一些有可能的搭配,比如我也经常先入为主地认为P6这样参考级、声音略素的*放播**器,总会在高频的某个频段失控、出现细碎感,事实上当我搭配了类似达音科Luna、INEAR PMX这种对控制力要求较高的耳塞时,它表现出了全方位的从容、精准,非要挑刺的话,只能说此时Luna中频的味道有所削弱,但结像的立体感和饱满度却是“参考级”的感受。

上文我还提过,我对它调音的评价比乐三万、乐四万还要高,这里也是时候解释一下了。乐四万是一款可以推HD800的机器,它的动态甚至比一些台机都要高,对我来说,这样的声音听着会比较吃力、太躁,而乐三万推耳塞的声音确实极其饱满,但它给我一种“赋予了耳塞额外的密度”的感受,所以对于耳塞*党**,我更推荐P6。拿T9iE这款非常均衡的旗舰动圈耳塞来说,素质层面,P6补齐了它在密度上的最后一块短板,这种密度是非常自然的、不会让你感觉有另外的“增益”,同时动圈本身宽松的韵味也完全得以保留,而其声场的规整性、纵深的规模,甚至比我用旷世旗舰CMA12推出来的空间感更加优秀,在“推爆了”的同时,给T9iE赋予的是一副健康匀称、肌肉协调的身体。

在曲风适应性方面,P6对古典乐的表现毋庸置疑,如果你是一个对大动态要求较高的古典发烧友,P6可以说是一台甜品级的机器,此外,一些优质的电影原声、ACG曲目,比如汉斯季默、泽野弘之的作品,我也极力推荐。人声方面,P6润泽度虽有、但可以说还是欠缺了一定的感染力,在推EURUS、Flamenco这些本身厚声型的耳塞时,它不会对人声的韵味造成短板、且可以达到非常好的互补作用,但像Luna、T9ie这种本身也较为清淡的耳塞,P6的搭配是比较偏直白一些的。

尽管你们可以看出我对P6的声音评价已经足够高,但老万表示零售版的机器仍会有提升,如果所言属实的话,在HIFI性的层面上,P6是你在两万价位能买到的最好选择,只是你喜不喜欢这种偏参考级的素声型调音、需不需要如此大的推力输出,就根据自己的实际需求来吧。当然了,其实乐彼这样优点和槽点过于鲜明的品牌,其对应的用户群体,并不会因为我的评测而影响购买意向,或许在老万心里,大家心里面还记着这么一个认真做研发的国产*放播**器品牌,就已经很知足了。