依爱消防设备安全操作规程
一、消防监控中心区域内消防各系统属连锁自动装置,在操作前必须观察各个系统是手动位置还是自动位置,首先观察各系统电源信号灯是否正常。
二、要求每月至少1-2次运行自检功能检查系统各部分是否正常,如有故障尽快与消防维保人员联系,及时维修。
三、系统各部分安全操作方法如下:
1、烟感及手动报警系统:当消防主机有报火警时,确认报警地址及相应楼层后,首先通知保安人员到报警位置观察,同时与该层人员及时取得联系。若为火灾立即将消防主机切换成自动模式并按照各单位制定的《火灾紧急预案》进行灭火及救援,若为误报,保安人员将区域报警点进行复位后,由消防监控室内值班员将消防主机复位。
2、防火卷帘门系统:发生火警时,根据失火方位及火灾大小,可采取隔离法,及降落相应的防火卷帘门,值班员可根据现场报告情况远程控制降落,就近人员也可使用控制按钮降落,若以上两种情况都不能降落时(观察卷帘降落信号灯),可速派消防维修人员到卷帘门控制箱打开锁匙开关强迫降落。
3、消火栓系统:该系统是救火的主要设备之一,当进行该系统操作时,时刻监视该系统的消火栓报警信号。当灭火人员按下就地消火栓报警信号,消防中心得到该消火栓的报警后,这时消防主机在自动状态下相应的消火栓泵自动启动,启泵信号灯亮。若不能自动启泵时,应立即转入手动位置启动,若消防主机在手动状态则水泵启动请求指示灯亮,消防值班员按下水泵启动按钮启动水泵,如仍不能启动时,速与水泵房人员联系,或派人到泵房强行启动。
4、排烟系统:发生火灾时,值班员可通过自动或远程控制打开该层及其上下层的排烟阀。若失控时,通知人员就地打开该层的排烟阀,这时排烟风机自动启动,启动信号灯亮。若风机不能自动启动,速转入手动位置启动,仍不能启动时速派人到风机房内强行启动。
5、加压送风系统:根据火灾的不同方位,可手动或自动打开相应的加压风机,启动信号灯亮,若失控时可派人到风机房进行手动操作。
6、 喷淋系统:当某层发生火灾时,失火部位的喷淋头*破爆**喷水,该层的水流指示器动作,监控中心得到该层的报警信号。在此时可通过手动或自动(压力开关水位下降至下限)启动喷淋泵,相应的启泵信号灯亮。若不能自动启泵时,立即转入手动位置启动,仍不能启动时速派人到泵房强行启动。
7、消防值班人员应定时检查消防蓄水池水位是否下降,如水位下降,通知水务人员及时补充。
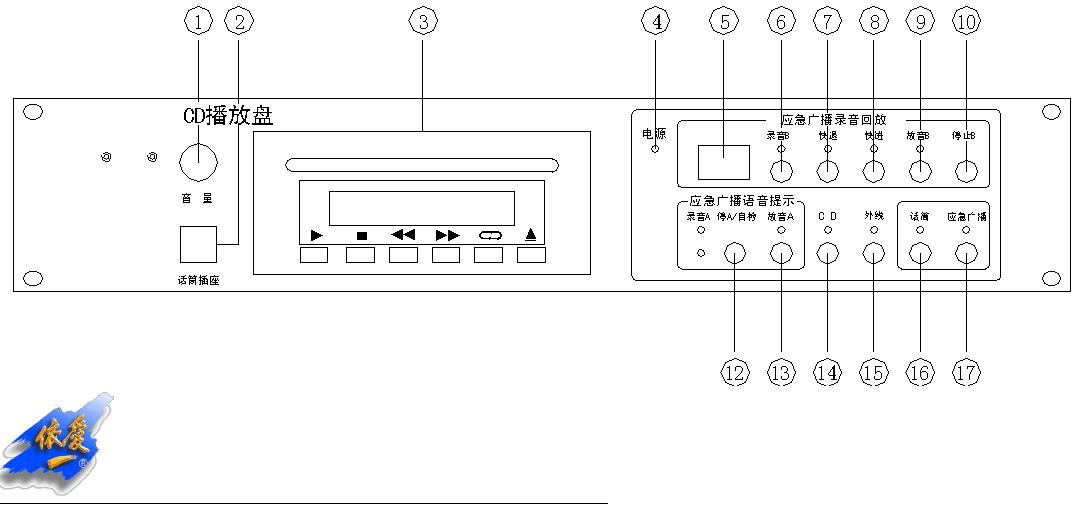
8、消防广播系统

1)自动控制
消防联动控制设备可通过联动控制自动启动本设备,进行消防自动广播,设备自动进入应急广播播音方式。
2)紧急手动控制
有紧急情况发生时,值班人员可按下“应急广播”键,设备自动进入应急广播电子语音方式进行播音,同时还可按下手持话筒按钮,直接进入话筒应急播音。
3)四种播音方式
·话筒播音:话筒播音具有最高优先级只要对设备供电,无论设备处于任何状态,下手持话筒的(16号键)开关,*放播**盘自动进入语音播报状态,并自行录音保存。方便值班人员处理紧急事件。松开话筒开关(16号键)3秒后自动返回播音前状态。值班人员也可通过按下“15号话筒”键直接话筒播音。
·CD播音:本设备作为背景音乐音源使用的播音方式。将CD盘放入CD仓盒,操作放音键即可*放播**CD音乐。放音过程中操作“快进”或“快退”按键可*放播**下一曲或上一曲。按住“快进”CD进入快速播音,释放则正常播音。
·外线播音:外线的信号源可以是CD激光唱机也可以是收音机等设备。按下“外线”键即进入外线播音。
·应急广播播音:将应急广播的内容事先录制到“一分钟电子语音”中,电子语音的录制方法:根据所录制的音源选择播音方式,例如话筒播音方式,操作隐藏的按键开始录音,“录音A”指示灯亮,录制讲话内容,同时LED数码显示60秒的倒计时,提示操作人员的剩余时间。录音一分钟左右自动停止,也可按下“停止A”键终止录音。在消防应急广播、消防电话*放播**电子语音时,按下“停A/自检”键停止*放播**。若重新*放播**,再按下“开始”键播音重新开始。
4)话筒播音的自动录音
当采用话筒、外线播音时,可对播音内容自动录音,录音指示灯亮。这时播音内容将被自动记录下来,播音结束,录音停止。录音单元设有“录音”、“快退”、“放音B”和“停止B”键和相应的指示灯。
5)应急广播录音回放监听
·持续按住“CD”播音键3秒,CD播音指示灯熄灭,按下电子录音机“放音B”键,即可监听电子录音机录制的内容。操作“快退”、“快进”,可选择录音段数,在相应的段数操作“放音B”,即可回放所记录的语音,监听时间最长可达30分钟。监听音量不可调节。
·操作话筒、CD、外线、电子语音中的任何一种播音键,将取消电子录音机的监听。
·当需要电子录音机的信息时,可直接从“电子录音机输出”接口提取,该接口输出电平为0dB。
·本设备的监听喇叭,可监听四种方式下的播音。
6)正常广播与消防广播的自动切换
·正常广播:当正常广播信号从“外线2”接入本设备时,只要后级的广播控制设备处于开启状态,便可实现正常广播。
·消防广播:一旦本设备被启动,本设备将正常广播的“外线2”自动切换到消防广播下的电子语音播音方式,同时联动后级的广播控制设备,实现消防广播。
8、上述各类设备根据各单位实际安装情况自行熟悉掌握