地下宝藏金属探测器利用电磁应的原理(分三大类),利用有交流电通过的线圈,产生迅速变化的磁场。这个磁场可以在金属(金铜银铁钢)物体内部能感生涡电流,涡电流又产生磁场,倒过来影响原来的磁场,引发探测器发出鸣声,見探测器图①,图②:

图①,用来探测地下宝藏

图②,用来安检人身危险物品
金属探测器的精确性和可靠性取决于电磁发射频率的稳定性,一般使用从80to800KHZ的工作频率。工作频率越低对铁的检测性能越好; 工作频率越高,对高碳钢的检测性能越好。检测的灵敏度随着检测范围的增大而降低,感应信号大小取决于决定金属粒子尺寸和导电性能。
金属探测器电路一般由高频振荡器、振荡检测嚣、音频振荡器、功率放大器等部分组成,并配以电源,指示表和声响器。見图③

图③,电路基本结构图
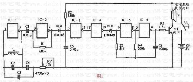
下面,以TC4069数字集成模块组成的金属探测器电路原理图。見图①

上图①磁感应式探测器电路
图中,TC4069是一块CM0s六反向器数字集成电路,但也可以作放大电路使用。在这个原理电路图里,反向器lc1和Ic2都是作为放大器来使用的。見图②,

图②TC4069数字集成块
金属器的探头是一只高Q值的电感L,它与反向器lc一l及电容器C2、C3、C4、构成了一个电容三点式振荡器,其振荡频率为27kHz。调节电位器Rp可使电路处在刚刚起振的状态下。微弱的振荡信号通过由反向器IC一2和电阻R1组成的放大电路进行放大,再由二极管ⅤDl进行整流,整流后的信号由反向器IC一3和lC一4进行放大,最后通过二极管ⅤD2去控制由lC一5和|C一6构成的音频振荡器的工作状态。
作为探头器的电感L在没有接近金属物体时,电路正常起振,振荡信号控制音频振荡器停止工作,扬声器不发声。当有金属物体接近电感时(电感线圈的轴向方向),电感上L的Q值下降,电路停振; 沒有信号去抑制音频振荡器,所以音频振荡工作,驱动讯响器发声。見图③电感器

图③,电感式涡流线圈
使用时,接通电源后,仔细调整电位器RP使讯响器刚刚不响,这时灵敏度较高,探测距离可达10一30mm。整个电路关键性元件是探头电感L,如果买成品电感器,必须是工字型磁芯的立式电感器,电感为6.7mH,电感的自身电阻越小越好。
金属探测器主要类型有三大类: ①电磁感应型(如上图),②x射线检测型,③微波检测型。
金属探测器主要功能用途: 在军事上可用于探测地雷,在安全领域,可以探测人随身携带或隐藏的*器武**与作案工具; 在考古方面,可以探测埋藏地下的金属物品的古墓,找到古墓中的金银财宝与首饰或其它金属制品; 在工程中,可用于探测地下金属埋藏物,如电缆、铁钢管道,在矿产探测中,可用来探测发现自然金铁颗粒度等领域。
金属探测器微小型的探测距离2一5一10厘米,中型的可探测距离20厘米一1米,高档贵重的探测器可探测距离5米一20米以上,但价格很昂贵。