以下文章来源于TsinghuaJoking ,作者卓晴

TsinghuaJoking .
这是一个公众号,它不端、不装,与你同游在课下、课上。 卓晴博士,清华大学中央主楼 626A。010-62773349, 13501115467,zhuoqing@tsinghua.edu.cn
在电子领域中,555定时器集成芯片是著名集成芯片之一。然而很多人并不知道它是如何被发明的?下面是发表在网站Circuit Today上的一篇文章,带你重温从555被发明开始直到当今的发展历程。
一、什么是555定时集成芯片?
555芯片具有多种功能,可以用做定时器、振荡器以及脉冲产生电路,在电子领域它是一个最重要、最流行的芯片。在单个晶体制作的集成芯片如同运算放大电路一样可靠、便宜。它能够产生稳定的方波信号,占空比从50%到100%。

图1 Signetic公司的第一代NE555集成芯片 二、555集成芯片如何诞生的?
Hans R. Camenzind,在1971年设计了第一款555定时器集成芯片,当时他任职于美国Signetics公司。这个设计也成为Hans R. Camenzind在集成电路技术领域中最重要的一段经历。在1971年夏天,第一版设计方案被审定,集成有恒流源电路,总共有9个管脚。
虽然方案被通过,Camenzind有提出了一个新的注意,将原来的恒流源直接替换成一个电阻,这样所需要的芯片管脚就可以减少到8个,进而可以封装在8PIN电路封装里,而不需要使用14PIN的封装。在当年10月份新版的设计方案被通过,它总共包含有25个三极管、2个二极管以及15个电阻。通过外部的电阻、电容来确定定时器时间周期。

图2 发明了555定时器电路的Hans R. Camenzind
1972年,Signetic公司发布了第一款555定时器电路,有两款封装形式:8PIN的DIP封装以及8PIN的TO5金属罐封装。芯片信号为SE/NE555,是当时唯一商业化的芯片。由于这款新片价格低廉,但功能强大,一经问世就火爆畅销。后来,其他十二家公司也生产555集成芯片,它成为畅销集成芯片。
一直有人认为555芯片之所以取名为555,是因为芯片中存在三个5k欧姆串联分压电阻。Hans R. Camnenzind在他的“Designing Analogue Chips”书中讲到,芯片的命名是由当时Segnetics公司主管,ArgFury给起的名字,而ArgFury最喜欢的数字就是555。
关于555芯片的工作原理和使用介绍可以参见:555 Timer-A complete Guide网文。

图3 8PIN封装的555定时器电路管脚定义
三、555定时器电路应用
经过若干年的积累,电子工程师和爱好者探索了555集成电路的不同应用领域,比如温度测量、电源调理、各种振荡器。现在已经被上千例的应用方案。
555定时器的应用可以按照它的工作模式分类,正式它的丰富灵活的工作模式使得它在很多电子设计中都占有一席之地。
基本上,555定时器电路包括有三个工作模式:
1、双稳态模式:施密特触发器;
2、单稳态模式:单脉冲发生器;
3、无稳态模式:自由多谐振荡器;
根据555的工作模式(无稳态、单稳态、双稳态),555集成电路可以组成不同形式的多谐振荡器。比如选择555组成单稳态模式,可以形成单稳态多谐振荡器。这些多谐振荡器可以进一步形成组成弛张振荡器、定时器、触发器等。

图4 555集成电路
四、产生PWM波形
可以通过改变555芯片的控制引脚(PIN5)电压使得555产生脉宽调制(PWM)信号,信号的占空比取决于控制管脚的电压。
可以在开关电源电路中看到555集成电路的应用。开关电源中需要使用到PWM波形,很多设计者都将555定时器作为重要的选择,这得益于它价格低廉以及可以与其它电路很好结合。通常需要使用到两个555芯片,一个组成多谐振荡器,一个组成PWM信号产生电路。

图5 555集成电路板
小型DC-DC变换电路是另外一个555集成电路应用领域。此时,555定时器工作在振荡器状态,它的输出驱动逆变器产生输出的电压,这种电路用在很多工业应用场合。
除此之外,555还被用于测量温度、测量湿度、波形产生以及各种定时器电路。
在实际应用中,CMOS工艺制作的555定时器电路应用最广,其中包括有MOTOROLA公司出品的MC1455。它可以直接替换NE555芯片,当时售价仅有0.25美元,十分亲民。
五、双极性三极管与CMOS两种工艺
从555电路一开始设计,包括随后其他12个公司所生产的芯片它们都是相同的方案。其中包括有一些缺陷,比如比较器失衡,工作电路占用面积较大,对温度敏感等。
针对这些缺点,Hans R. Camenzind重新设计了555电路,比起原来的电路改进了缺点,提高了性能。新版555被命名为ZSCTI555。虽然芯片改进了,但是在某些蜂鸣器电路中却无法工作了,所以老的设计仍然在市场上被销售。
双极性555电路,消耗电流大,会产生大的电流毛刺,在低功耗电路中无法应用。这也引起CMOS版本的555电路被设计出来,它可以极大降低电路的功耗以及所产生的电流毛刺噪声。
一款CMOS版本的555是由TI公司提供的LMC555。

图6 LM555集成芯片内部电路框图
六、555集成芯片的变种
现在我们了解到了555电路的功能,它可构成连续振荡器电路,也可构成单脉冲振荡器电路。有很多功能兼容的555定时器集成电路被不同的公司生产出来,包括双极性和CMOS的555定时器。
下面给出了555集成芯片的两种封装形式:

图7 555两种封装形式
有一种14PIN封装的电路,被称为556,它实际上是封装有两个相同的555的芯片。这两个555公用电源管脚,其余12管脚分别组成它们各自其他6个管脚。
TI公司产生的LM556就是一个双定时器电路芯片,比较适合序列定时器的应用。

图8 LM556的管脚定义
还有一些DIP16封装的定时器电路,被称为558, 559。它们是集成有四个555芯片。558是用于边沿触发的四定时器芯片,省略了在序列定时应用中的耦合电容。
七、有趣的555项目
今天我给大家分享一个很有趣的项目,就是用分立元器件去实现一个比砖头还要大的555定时器芯片。
如果从头开始制作电路,尤其是使用分立部件。就能深入了解555定时器芯片的每一部分以及IC的工作原理,进而对数字电路理解更加透彻。
1、预备知识
我们先看一下DIP-8封装的555芯片,它外观是这样的,如下图所示;

图9 Signetics公司第一代NE555N
除了注重外表,我们还得看一下内部的情况,真实世界下,芯片内部的情况如下所示;


图10 555芯片 内部结构
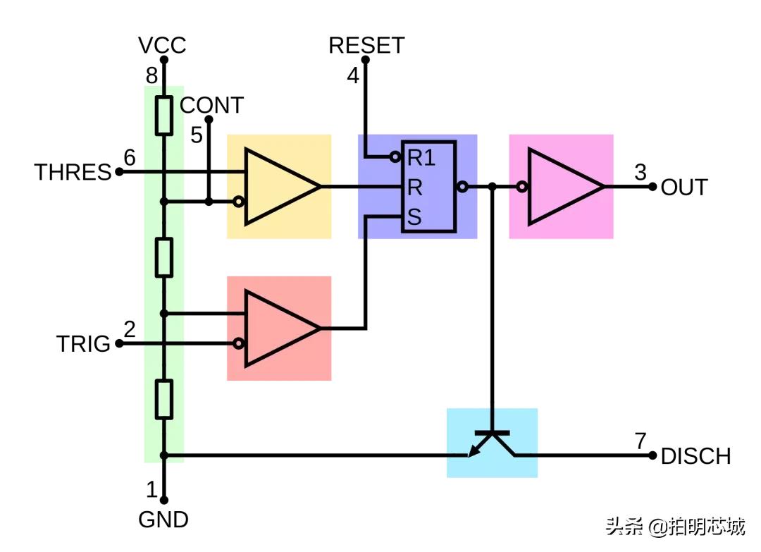
整体来说,我看不懂,下面还是直接看一下NE555芯片的内部电路原理图吧。具体如下所示;

图11 555芯片内部原理图
简单分析一下这个原理图:
- 绿色部分:是一个分压器,在正电源电压 VCC和接地 GND 之间是一个由三个相同电阻组成的分压电路,它在1 ⁄ 3 VCC和2 ⁄ 3 VCC处产生两个参考电压。后者连接到“控制”引脚。所有三个电阻都具有相同的电阻,双极定时器为5kΩ,CMOS 定时器为 100 kΩ(或更高)。
- 黄色和红色部分是两个电压比较器;
- 紫色部分是RS触发器;
- 粉红色部分是带推挽输出的驱动器;

图12 555芯片内部原理图
2、555计时器芯片


图13 分立元件构成的555集成电路
因此,为了开始这个项目,我们可以将555的电路分成小部分,因为最好将大电路分成几部分,这种模块化的设计,有助于对简化面包板周围的电路,另外也便于我们进行故障排除。正如前面提到的,可以分为以下几个部分:
- 分压器
- 电压比较器
- SR 寄存器
- 输出驱动器
- 复位晶体管
- 放电晶体管
3、分压器
分压器很简单 - 使用 4.7K 电阻器和整个电路的串联二极管保护。

图14 分压器
4、电压比较器
该项目最有趣的部分是学习和设计 555 IC 内部使用的电压比较器。特别是差分对如何工作,什么是电流转向。
我还在差异中了解了恒流吸收器的重要性。对和使用电流镜来增加差异的增益。

图15 电压比较器

图16 两个电压比较器
5、SR 寄存器
RS触发器又称SR锁存器,是触发器中最简单的一种,也是各种其他类型触发器的基本组成部分。
两个与非门或或非门的输入端输出端进行交叉耦合或首尾相接,即可构成一个基本RS触发器。
现在的SR触发器,通常由两个晶体管触发器(或非门)与一些额外的输出缓冲器一起使用,以降低 Q & ~Q 输出的输出阻抗。

图17 原理图

图18 硬件电路

图19 工作状态
6、输出驱动器
对于输出级,在原来的 555 定时器中有图腾柱配置,这很好,但它有点小故障,性能不太好。所以我使用了旧的推挽级作为 555 IC 的输出缓冲器。

图20 输出驱动器
7、复位晶体管
使用 PNP BJT 作为复位输入。

图21 复位晶体管
8、放电晶体管
一个 NPN 达林对,用于对地硬短路,单个 NPN 正在工作,但在 A 稳定模式下有一些问题。

图22 放电晶体管
9、最终布局
进行连接以匹配真实 555 定时器的引脚配置。

图23 最终整体布局图
下面是整体布局,即使是硬件电路的设计上,也满足了低耦合,高内聚的思想,如下所示;

图24 最终整体布局图
最后加上黑色的盒子,看起来就像一个鞋盒子;
10、测试环节
最后我们使用一些带有别针标记的鳄鱼夹,以在面包板上对其进行测试。

图25 鳄鱼夹





测试了一下,两个按键控制LED灯的亮与灭,已经可以正常工作了;

图26 测试LED
11、最后
这个项目不是很大,涉及到的分立元器件也不是特别多,可以通过这个项目学习芯片内部的工作原理。
—— The End ——
参考资料:
1、《555 Timer – A Complete Basic Guide》,https://www.circuitstoday.com/555-timer;
2、《The History of 555 Timer IC – Story of Invention by Hans Camenzind》,https://www.circuitstoday.com/the-history-555-timer-ic;
3、《Giant 555 Timer》,https://hackaday.io/project/182863-giant-555-timer。

ICZOOM拍明芯城是快速撮合的元器件交易平台,是一站式元器件供采和综合供应链服务平台,专注于为中小微客户提供电子产业互联网服务,包括撮合服务、配单服务、寄售代购、报关报检、软件定制、智能仓储、智慧物流、供应链金融等深度垂直服务。
免责声明:
1、本文内容、数据、图表等来源于网络引用或其他公开资料,版权归属原作者、原发表出处。若版权所有方对本文的引用持有异议,敬请留言或私信联络,本方将及时妥善处理。
2、本文的引用仅供读者交流学习使用,不涉及商业目的。
3、本文内容仅代表作者观点,我们不对内容的准确性、可靠性或完整性提供明示或暗示的保证。读者阅读本文后做出的决定或行为,是基于自主意愿和独立判断做出的,请读者明确相关结果。