微型直流电机是*人用成品**核心配件之一,主要作用是产生驱动转矩,作为情趣玩具振动、转动或*插抽**的动力源,是依据电磁感应定律实现电能转换或传递的一种电磁装置。
像振动按摩器、跳蛋、转珠棒、AV棒、自动飞机杯等玩具都内置有微型直流电机,那么像这些*人用成品**该使用哪种微型电机比较合适呢?
我们可以把*人用成品**微型电机分为两大类,一种是微型振动电机,还有一种是微型减速电机。
- 微型振动电机可使用直流有刷电机,在微型电机轴上带一个偏心轮(如图一),当微型电机运转时,偏心轮的圆心质点不在微电机转心上,电机便会处于不断的失去平衡状态,由惯性作用引起振动,微型振动电机在*人用成品**主要应用在按摩器、跳蛋等产品上;
- 而微型减速电机是通过齿轮减速箱影响电机转速,使微电机转速变慢、扭矩变大,从而微型减速电机在旋转棒、伸缩棒等产品上应用广泛。

图一
*人用成品**电机的主要参数为空载转速、额定负载转速、额定负载转矩、堵转转矩、额定负载功率等,参数不同,微型直流电机价格也不同。
N20微型振动电机参数表
- 型号:N20-08225/N20-09165
- 始动电压:1.2V/1.0V
- 额定电压:3.7V/3.7V
- 负载:R6*4.0SIZE/¢7*5SIZE
- 电流:0.11A/0.15A
- 转速:7600RPM/10700RPM
- 堵转电流:0.32A/0.5A
- 功率:0.25W/0.30W

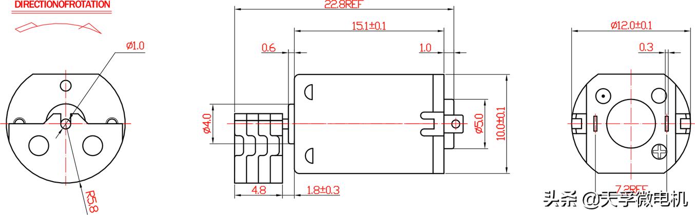
微型振动电机工程图
更多的微型直流电机咨询请继续关注天孚微电机生产厂家。