普通微波炉电路
图4-19所示是一种典型的机械控制式微波炉电路。该电路的核心元器件是磁控管MT、高压变压器T、定时器、主连锁开关,辅助元器件是转盘电动机、炉灯。

图4-19 机械控制式微波炉电路(图中开关处于关门状态)
关闭炉门时,连锁机构随之动作,使连锁监控开关S2断开,主连锁开关S3和副连锁开关S1闭合,此时微波炉处于待机状态。将定时器置于某一时间挡后,定时器开关S5闭合,接通炉灯EL的供电回路,EL开始发光。再将功率调节器调为需要的挡位,此时220V市电电压不仅为定时器电动机MD、转盘电动机M、风扇电动机MF供电,使它们开始运转,而且加到高压变压器T的一次绕组,使它的灯丝绕组和高压绕组输出交流电压。其中,灯丝绕组向磁控管的灯丝提供3.3V左右的工作电压,点亮灯丝为阴极加热;高压绕组输出的2000V左右的交流电压,通过高压电容C和高压二极管VD组成半波倍压整流电路,产生4000V的负压,为磁控管的阴极供电,使阴极发射电子,磁控管形成2450MHz 的微波能,经波导管传入炉腔,通过炉腔反射,刺激食物的水分子使其以每秒24.5亿次的高速振动,互相摩擦,从而产生高热,实现食物的烹饪。
电脑控制型微波炉电路
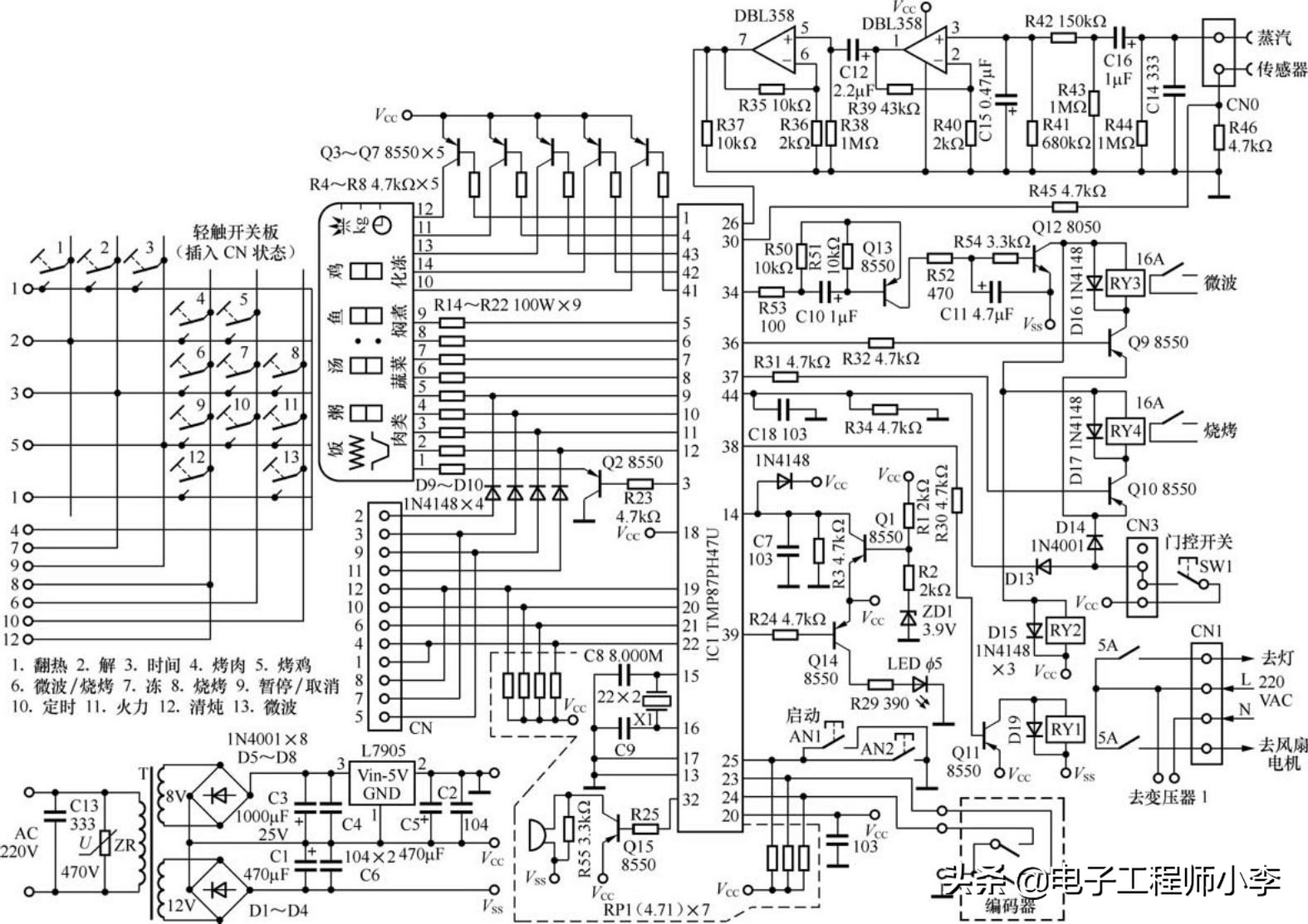
下面以安宝路傻瓜智慧型微波炉的电路为例,介绍电脑控制型微波炉电路的识图方法。该机的电气系统构成如图4-20所示,电路原理图如图4-21所示。

图4-20 安宝路傻瓜智慧型微波炉电气构成示意图
1.电源电路
参见图4-21,将该机的电源插头插入市电插座后,市电电压通过电源变压器降压后,输出5V和12V两种交流电压,其中,5V交流电压经D5~D8构成的桥式整流堆整流,C3、C4滤波产生8V左右的直流电压,再通过L7905稳压输出5V直流电压,利用C2、C5滤波后为CPU、显示电路等供电;12V交流电压通过D1~D4桥式整流,再经C1、C2滤波产生12V左右的直流电压,为继电器等电路供电。
市电输入回路的ZR是压敏电阻。市电电压正常时ZR相当于开路;市电电压过高时ZR击穿,使市电输入回路的8A熔断器过流熔断,避免了电源电路等元件过压损坏,实现了过压保护。
2.微处理器电路
该机的微处理器电路由微处理器TMP87PH47U(IC1)为核心构成,如图4-21所示。
(1)CPU工作条件电路
5V供电:当该机的电源电路工作后,由它输出的5V电压经电容C5、C2滤波后,加到微处理器IC1(TMP87PH47U)的供电端 18 、 40 脚,为它供电。

图4-21 安宝路傻瓜智慧型微波炉控制电路
复位:该机的复位电路由微处理器IC1、PNP型三极管Q1、稳压二极管ZD1、电阻R1、R2等构成。
开机瞬间,由于5V供电是逐渐升高的,当它低于4.6V时Q1截止,为IC1的 14 脚提供低电平复位信号,使IC1内的存储器、寄存器等电路清零复位。当5V供电超过4.6V后Q1导通,由它的c极输出的高电平电压加到IC1的 14 脚,使IC1内部电路复位结束,开始工作。
时钟振荡:微处理器IC1得到供电后,它内部的振荡器与 15 、 16 脚外接的晶振X1和移相电容C8、C9通过振荡产生8MHz的时钟信号。该信号经分频后协调各部位的工作,并作为IC1输出各种控制信号的基准脉冲源。
(2)蜂鸣器电路
微处理器IC1的 32 脚是蜂鸣器驱动信号输出端。每次进行操作时, 32 脚输出的蜂鸣器驱动信号经R25限流,再经Q15放大后,驱动蜂鸣器鸣叫,提醒用户该机已收到操作信号,并且此次控制有效。
3.炉门开关电路
参见图4-20、图4-21,关闭炉门时,联锁机构动作,使联锁开关SW1、SW2的触点接通,而使门监控开关SW3的触点断开。SW2的触点接通后,接通转盘电机、高压变压器、烧烤加热器(石英发热管)的一根供电线路。SW1的触点接通后,一方面 V cc可以通过D14为Q10、Q9的e极供电;另一方面通过D13为微处理器IC1脚提供高电平信号,被IC1检测后识别出炉门已关闭,控制该机进入待机状态。若打开炉门后,SW1、SW2断开,不仅切断转盘电机、加热器、高压变压器的供电线路,而且使 IC1 的脚电位变为低电平,IC1判断炉门被打开,不再输出微波或烧烤的加热信号,但脚仍输出控制信号,使Q12继续导通,为继电器RY2的线圈供电,使RY2的触点仍闭合,为炉灯供电,使炉灯发光,以方便用户取、放食物。
4.微波加热电路
在待机状态下,首先选择微波加热功能,再选择好时间后按下启动(开始)键,被微处理器IC1识别后,IC1从内部存储器内调出烹饪程序并控制显示屏显示时间,同时控制 36 、 38 脚输出低电平控制信号。 38 脚输出的低电平控制电压通过R30使Q11导通,为继电器RY1的线圈供电,RY1内的触点吸合,为风扇电机供电,风扇电机运转后为微波炉散热降温; 36 脚输出的低电平信号通过R32限流,使Q9导通,为继电器RY3的线圈供电,RY3内的触点吸合,接通转盘电机和高压变压器初级绕组的供电回路,不仅使转盘电机带动转盘旋转,而且使高压变压器的灯丝绕组和高压绕组输出交流电压。其中,灯丝绕组为磁控管的灯丝提供3.3V左右的工作电压,点亮灯丝为阴极加热,高压绕组输出的2000V左右的交流电压,通过高压电容和高压二极管组成半波倍压整流电路,产生4000V的负电压,为磁控管的阴极供电,使阴极发射电子而形成微波能,它经波导管传入炉腔,通过炉腔反射到食物上,产生高热,为食物加热。
5.烧烤加热电路
烧烤加热控制电路与微波加热控制电路的工作原理基本相同,不同的是使用该功能时需要按下面板上的烧烤键,被微处理器IC1识别后,IC1不仅控制 34 脚输出控制信号,而且控制 37 、 38 脚输出低电平控制信号,如上所述,不仅使风扇电机和转盘电机开始旋转,而且 37 脚输出的低电平控制信号通过R31限流,使Q10导通,为继电器RY4的线圈供电,RY4内的触点吸合,接通烧烤加热器的供电回路,使它开始发热,将食物烤熟。
6.过热保护
当磁控管工作异常使它表面的温度超过115℃后,过热保护器(温控开关)的触点断开,切断整机供电,以免磁控管过热损坏或产生其他故障,实现过热保护。
7.蒸汽自动检测电路
该机蒸汽自动检测电路由传感器和放大器等构成。传感器是一个压电陶瓷片,它安装在一个塑料盒子内。将这个塑料盒安装在蒸汽通道内,就可以通过对蒸汽进行检测。当炉内的水烧开后出现蒸汽,通过蒸汽通道排出时,被传感器检测到并产生控制信号。该信号经C16耦合,利用R42限流,再经DBL358(同LM358)放大,产生的控制信号加到IC1的 26 脚,IC1就可以根据该信息控制显示屏显示剩余时间和加热火力。
【电子工程师资料分享圈】,一个能帮你全面提升技能、收入稳步提升的圈子!
这里不仅有关于电子工程师的专业技术资料、还有职场老兵的经验心得,是你的学习好帮手!
为什么要加入【电子工程师资料分享圈】,加入即可享受以下四大特权福利!
①圈内的资料,大部分是圈主付费购买,现在免费分享给大家;
②免费帮你*载下**百度文库任何资料,每人每天限一次机会;
③你有任何疑问,可以在圈子提出,圈主和其他圈友一起帮你解答疑惑;
④圈主具备十几年的行业经验,会在圈内不定时的分享一些自己的经验心得;
本圈属于终身会员制,现活动五折优惠,入圈只需9.9元,想加入趁现在!
(此处已添加圈子卡片,请到*今条头日**客户端查看)