你是否还在找专业的通讯支架?
你是否担心找到的不是专业的生产厂家?
那么恭喜你找到了!
专业的图纸,给出完美的定制!
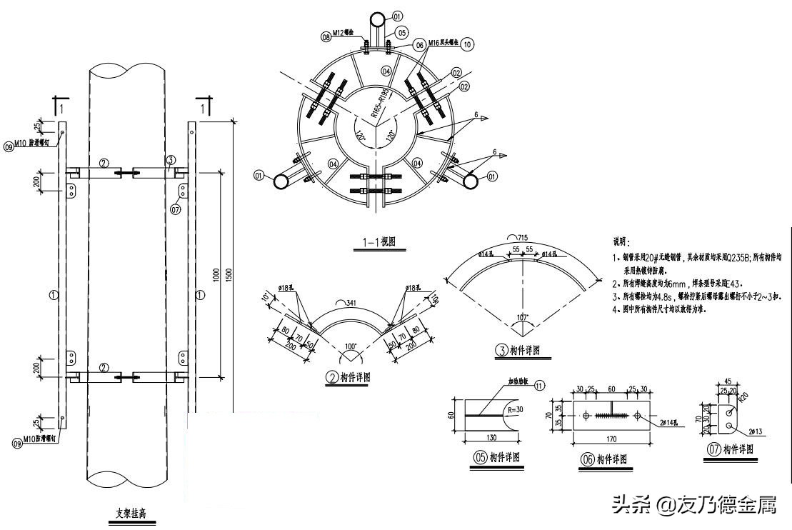
接下来,讲一下5G通讯支架的规范:
2、材料要求
2.1.天线抱杆主杆所用钢材为无缝热镀锌钢管(20#钢),直径至少为70毫米以上。各种
规格抱杆均有避雷针设施并牢固焊接,避雷针长度应满足工艺要求并不应小于0.8
米。
2.2.钢材质量应符合《碳素结构钢》(GB/T700-2006)、《低合金高强度结构钢》
(GB/T1591-1994)以及其它现行国家产品标准要求和设计要求。
2.4.钢材的表面外观质量除应符合国家现行有关标准:
(1) 当钢材的表面有锈蚀、麻点或划痕等缺陷时,其深度不得大于该钢材厚度负允许
偏差值的1/2;
(2) 钢材表面的锈蚀等级应符合现行国家标准《涂装前钢材表面锈蚀等级和除锈等级》GB8923规定的C级及C级以上;
(3) 钢材端边或断口处不应有分层、夹渣等缺陷。
2.5. 焊条采用E43型,其质量标准符合《碳钢焊条的药皮类型和焊接电源》(GB5111
焊缝等级为三级。
2.6. 钢塔桅结构连接用高强度螺栓、普通螺栓、锚栓(机械型和化学试剂型)、地脚栓等紧固标准件及螺母、垫圈等标准配件,其品种、规格、性能等应符合现行产品标准和设计要求。
本公司产品都是按照国家规范定制,品质值得信赖!
通讯抱杆可分为四种,如下:
1.C型抱杆

2.D型抱杆

3.女儿墙抱杆

4.配重式基础屋面抱杆

实图,如下:

