目前流行的功率放大器除采用集成电路功放外一大部分都是用分立元件构成,下面重点介绍OCL电路。基本电路由差动输入级、电压放大级、电流放大级(推动级)、功率输出级和保护电路组成。
图A是结构框图,B是实用电路例图,有结构简单的基本电路形式,也有增加了辅助电路和补偿电路的复杂电路形式。本文把常见的OCL电路分解成几块,从电路的简单原理,常见的电路构成,检查时电路的识别,维修的基本方法逐个进行介绍。认识了局部电路拼出整个电路图时功放的维修就相对容易多了。C是电压分布图。
电压测量是功放检修中基本方法,电压分布是以输入端到输出端为0V中轴线,越向上红色越深表示正电压越高,越向下蓝色越深表示负电压越低。图B这种全对称电路电压也正负对称,是检修测量的主要依据。

B

一 差动输入级
图1是最基本的差动(差分)输入级电路,它由两个完全对称的单管放大器组合而成,两个管的基极分别是正负输入端。一个输入端作为信号输入用,另一个输入端作为反向输入末端负反馈用。因其能有效地抑制输出端的零点漂移而成为OCL电路的输入门户。
输入级有单差动和双差动之别,单差动电路简洁,双差动对称性好。从前级送来的信号通过一个电容和电阻所连接的三极管就是差动输入级,相邻的同型号管子就是差动的另一半。输入端接的是一个管的基极则是单差动,如接着两个管的基极,就是双差动。为克服电源波动对电路的影响,
图2在差动放大器的发射极增加了恒流源。有的在集电极增加了镜流源如图3,保证了差动两管静态电流的一致性。
图4是既有恒流源又有镜流源的高挡机采用的差动输入电路.




图5、6、7是常见的三种恒流源电路,尤其是图6这种利用二极管箝位方式用的最多,两个二极管将三极管基极稳定在1.4V左右,在电源电压波动时差动级的静态电流保持不变,提高了放大器的稳定性。
图8、9镜流源中两个三极管基极相连,发射极电阻相同,流过两管的电流一样,象照镜子一样确保差动两个管的静态电流一致性。这两部分电路的识别方法是差动管两发射极电阻归到一点后所连接的三极管就是恒流源,它最明显的特点就是基极上接有二极管或稳压管。镜流源两管集电极与两个差动管集电极分别相连,因它的两个三极管的连接方式较特别,两个基极和一个集电极连在一起所以识别起来也容易。





差动级工作在甲类状态,每个三极管都必须良好的导通,检测要点是差动两管的be结电压,用数字表精确测量应在0.63V左右,两管各极对称电压一样。因它的反向输入端接着由末端引过来的反馈网络,后边电路的异常将影响差动管的静态偏置,常态时差动级各三极管基极对电源地都是0V,如发现电压异常多数是后边电路故障引起反馈输入端电压偏移。
该部分电路故障率很低,应先检查后边电路故障。在不加电的状态下可测量差动级各管的PN结是否良好,因各管各脚都接有电阻,测量时用指针表R×1档,NPN管黑表笔接基极红表笔分别接集电极和发射极都导通,交换表笔再测都不导通,PNP管与之相反.
二 电压放大级
图10是最简单的电压放大电路,在低档次的功放中广泛应用。由差动级送来的信号经单管放大后从集电极输出,经电阻和二极管分压送往下级。图11是复合管放大方式,图12是差动放大方式。后两种电路都加进恒流源作为集电极负载,提高后级电路的稳定性。这三种电压放大电路都是配合单差动输入电路的。
如八达 DC-211AK功放就采用图11电路,联声MA-767功放则与图12类似。图13是双差动输入方式电压放大级的基本电路,极性不同的两个三极管分别对来自不同极性的差动级集电极信号进行再度放大。如高士 AV-115 功放的电压放大电路就是如此。
在一些高档机和专业功放中常采用图14和图15共射共基放大电路,该放大器能改善放大器的线性和展宽频带。如湖山PSM96功放其电压放大如图14所示。DSPPA MP-600P 、ZHONGHE ET-5350 就采用图15电压放大电路。该部分电路也工作在甲类状态,be结电压在0.63V左右。





电压放大级与电流放大级是直接耦合的,电压放大管集电极接着电流放大管基极,电流放大管的偏置就由前边电路提供。图16是最基本的偏置电路,这部分电路本身是电压放大管的集电极负载,通过电阻分压和二极管箝位为后级提供合适的偏置电压。
图17、18、19、20、21、22是由三极管构成的恒压偏置电路,确保了后级偏置稳定。六种电路虽然有区别但基本原理一样。恒压管处于良好的导通状态,其be结电压在0.67V左右。较多功放电路采用图19所示恒压偏置电路,调整图中可调电阻可改变后级的偏置电压和静态电流。
还有通过调整此可调电阻实现整机由甲乙类向纯甲类的转换。这部分电路有着明显的标识,利用三极管的正温度特性恒压管大多数都贴在功率管散热片上。由它可引出电压放大管。
采用图15共射共基放大电路虽然复杂一些,但每侧两个发光二极管明显位置可找到相关元件。该部分电路故障率也很低,恒压偏置的可调电阻接触不良会导致功率管偏置太低的现象,这是因为可调电阻开路将使恒压管失去下偏置电阻,基极电压接近集电极电压而饱和导通。
电流放大管和功率管便失去偏置。这也是可调电阻为什么要设在下偏置电阻位置的原因,设想如果将可调电阻放在上偏置电阻位置开路时将造成恒压管的截至,后边功率管会因偏置过高而饱和导通,那将是一个什么样的结局。电压放大级本身故障率并不高,但是当后边电流放大级管子击穿常会烧坏恒压偏置管。
该部分检测的要点是连接后级基极的两个输出点A和B(双差动电路是两个电压放大管的集电极,恒压偏置管的集电极和发射极)的电压约是2.2V左右(0.5+0.5+0.6+0.6后四个管子偏置总和)。过高将会使功率管静态电流过大发热。A B两点对地电压应是对称的±1.1V左右,不对称势必会造成中点偏移。


三 电流放大和功率输出级
图23、图24是电流放大管射级电阻悬浮方式电路,在强弱信号变化时发射极电位会随之浮动,有利于克服交越失真和削顶失真。图25两个发射极电阻与输出中点连接,有利于中点平衡。三种电路几乎为绝大多数功放采用。
发烧级功放电流放大级和功率输出级均处于甲类状态,一般家用OK机和演出专业功放电流放大管be结电压都调整在0.6V左右,功率管则处于乙类状态be结仅有0.5V。图26是末级采用场效应管的功放电路,场效应管属电压驱动器件,可减轻推动管在大功率输出时的负荷。
场效应管输出电流大负载能力强也是一些专业功放选用的原因。很多低价功放也使用拆机场效应管装机。场效应管偏置比三极管高,大约在1.8V左右。图27是采用同极性NPN功率管的准互补OCL电路,将标准OCL电路PNP推动管的发射极电阻移到集电极与负电源之间,原发射极电阻处加一个100欧姆左右的反馈补偿电阻,将原图PNP功率管换成NPN管,基极改接在下推动管的集电极,集电极和发射极电阻接人电路的位置互换。
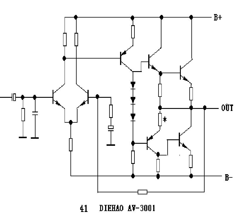
这种电路在六七十年大功率PNP管缺乏时很流行,因拆机管中NPN管和N沟道场效应管远比PNP管和P沟道场效应管多得多,所以也是沿海用拆机管打造廉价功放的常用电路。图40是基本OCL电路,图41是采用准互补OCL电路的DIEHAO AV-3001功放的电路图,通过对比可看出它们的区别。
图28是功率管集电极输出电路,集电极输出具有电压放大作用。在采用OCL电路的新型扩音机中广泛应用,如图42 ET-5350扩音机就是集电极输出经输出变压器后定压110V、70V、16V输出。电流放大管多使用C2073、A940、TIP41、TIP42、D669、B649这类*功中**率管,在电路板上其封装和位置是显而易见的。






定压输出电路
这两级电路是功放中损坏率最高的部位,当发生故障时首先烧坏功率管,随之殃及推动管,恒压偏置管和推动管射极电阻跟着遭殃,在维修时要把这几处元件都要检查到。
在前边电路检查和修复后不要急于装功率管,先通电检测功率管be结空脚时的电压是否是0.5V,输出端是否是0V。此两处电压不对时应回头继续检查前边电路。
这是维修中最关键一步也是最难的一步,可采用与另一声道(无故障)对比和本电路上下对照(双差动全对称电路)的方法耐心检查,也许查出的就是损坏电路的元凶。更换功率管要谨防赝品,如常见功放对管中C3280、A1301、C5200、A1943、C3858、A1494等赝品很多,依其封装真假难辨。
四 过流保护和扬声器保护电路
图 29、30、31 是普遍采用的过流保护电路,功率管发射极电阻作为取样电阻,当信号过强输出过大时功率管发射极电阻压降增大,经电阻分压后使保护管开始导通,因其集电极的二极管与电流放大管基极相连,降低了电流放大管基极信号强度,起到限流保护的作用。
因该电路与功率管相连。当功率管热击穿后也同时将其摧毁。由于 OCL 电路开启瞬间有一个平衡过程,此过程中输出中点有一个从直流电位向零电位过度的时间,此电压有时可能接近电源电压,大有烧毁扬声器音圈之势。在使用中出现故障也会造成输出中点偏移,直流高压也会损坏扬声器。扬声器保护电路是伴随着 OCL 功放的应用而诞生的。
图 32、33 是较流行的扬声器保护电路,具有延迟闭合继电器接通扬声器和中点偏移断开扬声器的功能。在一些大功率专业功放中使用了所谓大水塘的数万微法的滤波电容,当交流关机后电容还有一个放电过程,此过程也伴有中点偏移现象,也对扬声器产生威胁。图 33 电路中就增加了交流断电保护功能,当变压器断电后经二极管整流产生的负电压立刻消失,交流保护三极管由截至转为导通,将继电器驱动管基极接地,继电器随之释放断开扬声器。新德克 XA8500 就采取如此电路。
图 34 是用集成电路 UPC1237 制作的扬声器保护电路,不少品牌机都采用此电路,它除具有图 33 电路所有功能外还有故障解除自动恢复功能。第 1 脚是过流检测、第 2 脚是中点偏移检测、第 3 脚是复位方式选择(接地为自动恢复,接电容是断电恢复)、第 4 脚是交流断电检测、第 5 脚接地、第 6 脚是继电器驱动、第7 脚是 RC 延迟、第 8 脚是电源(不得超过 8V)。扬声器保护电路中继电器是故障率最高的,常有触点接触不良甚至继电器烧变形的.



五 拼图
当对一块功放主板的各部分认清后,就可以拼出一幅大概的电路图了,按照图 35 由图 1、图 10、图 16、图 28 组成图 40 电路图。图 41 是 DIEHAO AV-3001 功放电路图,可由图 1、11、16、28 拼出。八达 211B 功放就与图 37 单差动有镜流源的 OCL 拼图类似。图 39 标准双差动输入 OCL 拼图可拼出与湖山 BK2X100-01 一样的电路图。当你维修一台没有任何资料的功放经过如此分解拼图而心中有图。




