
液压马达工程师
微信号:xcyyongjiu
QQ:44621981
关注
对于垂直运动的负载,为了在任意位置停止的时候,负载可以可靠的锁定,或者管路*破爆**的时候,油缸能够锁止并确保设备和人身安全,液压系统设计工程师常常会考虑到液压锁。
但是,有了液压锁,就可以100%的锁定了吗?下面结合笔者的一个设计和调试案例,与大家分享一下关于液压锁的应用。
背景介绍
钢厂连铸机大包回转台承载的钢包装有1500°左右的几十或者上百吨的钢水,因此设备和液压系统的安全可靠运行非常重要。
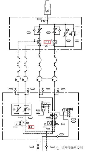
如图所示为大包回转台升降控制的液压系统原理。
该原理包含两部分。一部分是站内控制阀块,右边一组阀包含两个板式插装阀和一个两位四通电磁阀,控制柱塞缸的升和降的动作和速度,左边一组包含一个两位四通电磁阀和一个叠加式节流阀,控制缸旁块液压锁的启闭及其速度。另外一部分是缸旁阀块,包含液压锁、调速阀、常闭节流阀及溢流阀等,主要是实现调节运行速度、过载保护以及更重要的是在停止状态下柱塞缸的锁定功能。

在之前的设计中采用Rexroth的SL系列板式液控单向阀。正向,A至B自由流动;反向,如果X口通控制油,控制活塞4作用于主阀芯2,使其打开,则B可与A相通;Y口与A口隔离,Y口的压力大小对主阀芯动作无影响。
该设计选型可以确保该原理可以正常的工作。

由于设备空间比较紧凑,需要对阀块的结构尺寸进行优化;此外,也出于成本上的考虑,此处改用SUN公司的CV系列液控单向阀。

在调试过程中发现,当控制液控单向阀的电磁阀4.4失电的时候,柱塞缸无法锁定在任意位置,会缓慢的下降。
造成柱塞缸下降的原因很多,从液压原理分析,最主要的原因可能有:
-
溢流阀一直溢流,设定压力太低或泄露
-
缸旁块上的常闭节流阀未完全处于关闭状态
-
液压锁锁不住
在对上述原因进行分析时,1&2的可能性都已经被排除,落脚点就在原因3上面了,也就是液压锁并没有锁住!
用了液压锁,为什么还锁不住?
原因分析
首先对图示结构的液压锁工作原理进行分析。
2为油源侧与高压油相通,1为负载侧与油缸相连。压力油推动主阀芯,2与1正向自由相通。如果没有控制油,1无法与2连通,因为主阀芯定位在阀座上了,要想使其连通,控制油3必须接通,当控制油3接通的时候,控制活塞推动主阀芯,从而液压油可以从1流向2,实现反向流动。4为卸油口,理应零压回油箱。

再来分析该液压原理,当所有的电磁阀处于失电状态,柱塞缸应该并必须停止运动并锁定。在非工作状态即所有电磁铁失电时,我们来看看电磁阀4.4,此时P口压力与液控单向阀的Y口(4口)相连,也就是说4口此时一直是高压状态。当4口为压力油时,其力会作用在控制活塞上,如下所示,当力足够大的时候,其也相当于先导控制油的功能了,从而1与2相通,起不到锁定的作用了。因此故障原因就在于4口通了高压油。

为了解决在失电状态下Y口(4口)不与压力相通的问题,可更换4.4电磁阀的机能,采用JA的电磁阀即可。此时,在失电的工况,X口和Y口均实现零压回油箱。

总结
从此应用案例可知,尽管我们有时候在设计系统的时候,原理都是一样的,但是选用不同品牌的产品,其性能、结果可能不同;此外,原理设计的时候,了解所选用元件的内部结构及其工作原理,对我们系统设计工程师来说,也可以减小犯错的几率。

点“阅读原文”进入液压技术VIP社区