目 录
前 言
1 范围………………………………………………………………………………………………1
2 引用标准…………………………………………………………………………………………1
3 电吹风的分类 ……………………………………………………………………………………2
4 电吹风的功能介绍………………………………………………………………………………2
5 电吹风的工作原理………………………………………………………………………………2
6 电吹风的结构……………………………………………………………………………………3
7 电吹风的线架……………………………………………………………………………………13
8 电吹风的测试……………………………………………………………………………………16
9 推荐的通用件和专用件…………………………………………………………………………19
前 言
随着人们物质文化生活水平的不断提高,家电产品在现代家庭中已得到广泛普及。其中护理类产品,像电吹风也越来越受到消费者的青睐。电吹风类产品也成为了人们生活中不可缺少的一件小家电产品。正是由于人们的关爱(特别是爱美女性),电吹风产品的销量逐年増大。据悉,美国个人护理产品销量排行第一的H.O.T公司,每年从中国进口的电吹风类产品就达到4-5千万台,荷兰Philips和美国Conair, Sunbeam ,Wal-Mart等著名的大公司每年也都从中国进口大量的电吹风等护理产品。因此,在中国小家电产品品种快速发展的今天,电吹风类产品仍稳占有一席重要之地。
如今,外型美观,款式新颖,功能强大,质量可靠,经济实用的电吹风产品销售形势日趋大好,而我们公司经过三年在电吹风领域的拼搏,在产品开发、生产工艺方面积累了非常宝贵的经验,为了使公司在这一领域里继续做大做强,我室邀请了有经验的项目工程师,将他们在设计开发、生产实践中积累的宝贵经验加以总结、提炼,编写了这本电吹风设计规范,为后继的工程师在开发同类产品时提供参考。以提高电吹风类产品的开发速度,减少失误,降低设计成本。
由于这是本室第一次做这项工作,加之时间仓促,其中难免有缺漏错误之处,欢迎读者提出宝贵意见。
本标准主要起草人:刘家荣 黄 皞
修订:刘家荣
标准化:关宝珍
Q/DRB 7-2008
设计规范—电吹风
1 范围
本标准规定了电吹风设计时应遵守的安全标准,概述了电吹风的功能、结构、性能要求、电气、包装、测试方法等。
本标准适用于本公司电吹风系列产品的设计开发工作。
2 引用标准
下列标准中的条款通过本标准的引用而成为本标准的条款。凡是注日期的引用标准,其随后所用的修改单(不包括勘误的内容)或修订版均不适用本标准。凡是不注日期的引用文件,其最新版本适用于本标准。
GB/T 191-2000 包装储运图示标志
GB/T 1019 家用电器包装通则
GB/T 1804-2000 一般公差 未注公差的线性和角度尺寸的公差
GB 4706.1 家用和类似用途电器的安全 第一部分:通用要求
BSEN 60335-2-23-1996 对皮肤及毛发护理器具的特殊要求
GB/T 2828-1987 逐批检查计数抽样程序及抽样表
GB/T 2829-2002 周期检验计数抽样程序及表
GB 5296.1-1997 消费品使用说明 总则
GB 5296.2-1999 消费品使用说明 家用和类似用途电器的使用说明
GB/T 13914-2002 冲压件尺寸公差
GB 16798-1997 食品机械安全卫生
SJ/T 10628-1995 塑料件尺寸公差
广东德豪润达电气股份有限公司2008-01-31批准 2008-02-01实施
1
3 电吹风的分类
3.1 按电压分
3.1.1单电压型:满足UL及CSA规格要求。
3.1.2多电压型:能同时满足UL、CSA及欧洲规格要求。
3.2 按使用方法分
3.2.1手持式:适合于家庭及发廊。
3.2.2壁挂式:适合于宾馆使用。
3.2.3座台式:高档家用型。
3.3 按使用类型分
3.3.1便携式型:将电吹风的手柄做成折叠式,适合旅游外出。
3.3.2专业型:适合于美发厅,使用交流马达,大功率。
3.3.3普通型:适合家用。
3.4 按控制方式分
3.4.1机械式:拔动开关位置,调节功率及风速。
3.4.2电子式:采用电子控制进行无级调速,达到调节风量和热量的目的。
4 电吹风的功能介绍
随着人们的不断研究,电吹风的功能也越来越多,大致有以下功能:
4.1 护理头发,烘干定形;
4.2 高、低档及冷、暖、热风档调节;
4.3 配件任意更换:如扁嘴,扩散器、梳等;
4.4 后盖可拆卸,便于清洁灰尘等;
4.5 机内设计有温控开关及热熔断器双重保护,防止机内过热而发生危险,保证安全;
4.6 有漏电开关保护:由于某种原因漏电而发生危险时,或漏电开关检测到漏电电流达到4mA~6mA时,漏电开关动作,自动切断电源;
4.7 负离子功能:使头发便于梳理,不分叉,对头发起到保健作用;
4.8 智能功能:使用红外线传感器,自动检测头发的湿度而自动调节功率及风速,达到不伤害头发的效果。
5 电吹风的工作原理
5.1 带动风叶高速旋转产生风量;
5.2 发热丝通电产生功率,热量随风吹出;
5.3 通过控制功率开关及冷热风开关,产生相应的风量及热量;
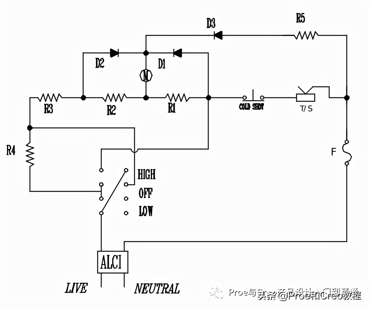
5.4 常用的风筒的工作原理,如图1所示:采用市电输入,在开关处通过LOW、High的转换从而改变R3和R4的串并联形式,以实现高低档位的切换。通过给马达串一定阻值的发热电阻线来给马达分压,以满足马达的额定电压的要求。而所串接的发热线也恰好把冷空气变成热空气,以达到干发的目的。如所用马达为直流马达,可通过桥支整流,以实现把交流电改变成直流电的目的。如图所示,可在电路中设置冷风开关,把功率减小到最少,以满足不同使用者的爱好。为防止因故障而使发热组件的温度过高而发生安全隐患,可在电路设置温控器和温度熔断器,以保证使用者的安全。

图1
6 电吹风的结构
6.1 电吹风的主体结构
图3、图4为较常用的电吹风的结构图,它主要包括图2所示几个部分:
6.1.1线架部件: 它是最终的功能实现的部件,是电吹风的核心所在;
6.1.2壳身部分:通常有前后壳或左右壳之分,用以固定线架,马达组件,以及提供安全保护;
6.1.3 马达架组件:通过马达带动风叶旋转,实现线架的散热;

6.1.4 后盖部分:它是进风的通道,便于对灰尘的清洁;不是所有的电吹风都设计有后盖,低功率的电吹风通常没有后盖;
6.1.5 手柄部分:它的作用是便于使用者手持使用。但也有的把手柄和机身分开,使用时再组合;也有的像发梳一样,没有手柄,直接握住机身使用;
6.1.6 电源线套:它可以保护电源线在扭转时不会被损坏。
根据需要,有的还增设软胶垫以防滑;有的增设冷风开关;有的设计有配件,供不同爱好者使用。如风嘴,扩散器等;根据使用者前往不同区域的使用要求,增设调压制以改变电压。
6.2 零件的设计要点
6.2.1壳身
根据不同的外观和结构要求,主壳身可分为:
a)左、右壳(外形见图4)
左、右壳有用扣位联接的,也有扣位加螺钉混合联接的。左、右壳的联结方式如图5、图6。
在图5中,左、右壳采用几处扣位,再加手柄处的一个螺钉加以联结。此结构最容易产生的问题是左右壳装配后止口不均匀,两端配合处易产生裂拉现象,在设计时应注意扣位的位置布局。


图6所示结构在左、右壳的中部采用扣位,前后端分别采用两个螺钉或卡扣,再加上手柄处的一个螺钉加以联结。此种结构两端联结较为可靠,不易裂拉,但结构较前种方法复杂。无论采用扣位联结还是采用扣位加螺钉的联结方法,其位置、数量、结构均要合理,既要满足强
软件安装+3D素材+问题解答+源文档可以私信小编回复“教程”或者“资料”获取!
度要求,又要使装配工艺简单。
在左右壳的内部,装有线架,在线架的外部,一般套有锥形云母纸,既用来导风向,又具有隔热的作用。故需在壳的内部根据云母纸的形状设计几条骨位,用以固定云母纸。在主壳身的后端,一般装有马达架,如图5,用两条骨位夹位马达架的两端限制其轴向窜动,为防止周向转动,可加两条防转骨位以防转。
在主壳身的末端,一般设计有许多孔位,做为进风的通道。应注意进风面积不能太小,以避免发热线发红,温控器早跳,从而影响电吹风的使用功能。同时应注意进风处胶位的强度。如以主壳身直接作为电吹风尾端(不加后盖),应尽量使进风口的宽度小于5.5mm,以满足安规要求。如有后盖作为电吹风的尾端,在除去后盖后,也应尽量使进风口的宽度小于5.5mm,以保证开口到旋转风叶的安全。
如有配件,在主壳身的前端应设计有专用的结构,将在配件一节中详述。
b)前、后壳(外形如图3)
前、后壳的联结与左、右的联接壳大至相似,所不同的是前后壳的联结部分呈半封闭状态,如图7,图8,联结方法的设计视具体情况而定。如图7,因联结的部分大致呈圆形,且螺钉的位置较靠上,故采用两个扣位加一个螺钉来联结。而在图8中,因联结部位呈不规则状态,螺钉位又离上部分较远,如采用图7的方式,则在距扣位和螺钉位较远处易产生止口不均匀及裂拉现象。故此形状宜采用三扣位加一个螺钉来联结。如外观许可,在扣位处也可用别的方法,如螺钉等联结方式。
在前壳的内部,为固定线架,和左右壳相似,设计几条轴向的骨位来对云母纸进行限位,并在骨位上产生台阶,以托住马达架,在后壳上产生骨位或台阶,压紧马达架以防止其轴向窜动。同时应设计一条骨位插在马达架的槽中,以防止马达架转动。但值得注意的是,设计的骨位要充分考虑其脱模斜度,及其注塑工艺。主壳身一般选用PC,ABS,PP,PA66等能耐高温的材料。部分表面要求有金属感的外壳,可采用ABS电镀;或内部采用塑胶,外部套金属外壳,以满足安全要求。由于主壳身内部装线架,工作时温度高,故塑胶外壳壁厚不宜太簿,一般在2.0mm~2.6mm左右,同时也满足了它本身的强度要求。
6.2.2 手柄
常见的电吹风的手柄有两种:
1) 连体式:如图3。即手柄和主壳身做成一体;其联结方法常采用螺钉联结,如图9所示。也可采用螺钉同扣位相结合来联结。
2) 分体式:手柄和主壳身不属一个零件。它又分两种:
a)手柄固定式。手柄和主壳身装配后是固定的,不可改变其状态。

b)手柄可调节式。一般常见的有两种方法,一种是手柄可折叠。如图10,在旋转前,弹性
圈上的凸点a在主壳身的相吻合的半圆形槽中,保证其在不转动时的可靠位置。转动手柄,带
动弹性圈利用其自身的弹性变形滑至b槽中,完成其转动过程。弹形圈采用POM,具有较好的弹性和刚度,使转动既顺滑,又有较好的节位感和好的手感。在图11中,把弹簧b套在主壳身盲孔中的柱位上,再把顶部带弧的套筒a套在弹簧上。装配时,手柄上孔d(底部带弧状)压住套筒a,转动手柄,使其从d孔转动到c孔,实现其折合过程。可折叠式电吹风的最大优点是不使用时占用的空间少,旅游电吹风大都采用此种结构,方便外出携带。但设计时应注意旋转后应尽量靠拢主壳身,这样既美观,又节省空间。也应注意旋转时应带有节位感,提醒使用者是否转到位。同时应考虑转动力的大小应适中,方便操作。
另一种手柄可调节式的电吹风,手柄可随其主轴旋转,方便使用者左右手交换使用。
一般在手柄的末端还设有电源线压紧装置,以防止电源线的移动,将在电源线压紧装置中详述。
不是所有电吹风都设计有手柄,有的电吹风放在支架上使用;有的电吹风带有底座,放在桌上使用;也有的挂在墙上使用;而有的则把手柄和电吹风组合或分开都可使用。不再在此一一叙述。
6.2.3 出风栅
出风栅处是电吹风工作时热风的专用通道,由于一般温度高,故材料常采用金属或尼龙加纤维等耐高温的材料,如08,PA66+33%F.G,PBT,PPS等。出风栅的设计应注意以下几点:
1) 强度要好,能够承受一定的冲击。
2) 最大开口的设计。当出风栅的最大开口小于3mm时,从出风栅的最外端到线架的带电体
的距离应大于8mm;当出风栅的最大开口大于3mm而小于5.5mm时,从出风栅的最外端到线架的带电体的距离应大于15mm。所以在设计时应充分考虑线架的结构。注意开口的最大尺寸不应大于6mm。
3) 出风栅的固定要牢固可靠。

6.2.4 马达架
马达架的作用是主要是用来固定马达,同时也起到导风向的作用。常用的材料有PC,
PA66 +33%F.G,也有的用PP加纤维。马达装配在马达架的装配孔内,用螺钉加以固定,以确保马达的牢固可靠,且保证马达轴心和马达架轴心的同轴度。马达架内径的设计一定要合理,确保风叶转动灵活,不会造成刮风叶,又要保证风叶吹出的风有足够的速度。马达架和风叶的半径间隙一般要设计在0.5mm~0.8mm。马达架一般还要做5~7片导风叶片,叶片厚度一般设计为1.2mm~1.5mm,整体形状为弧形,以实现风的导向和分配。
6.2.5 风叶
风叶是通过马达的转动来输出风的零件。是电吹风实现其功能的最为重要的核心零件。一般采用PC,PP,PA66等材料注塑而成。风叶的尺寸和形状直接关系到出风量和风速。因此风叶的设计除了其外径必须合理外,叶片的形状也非常重要,既要满足风量、风速的要求,又要满足动平衡要求。模具应尽量采用三点均匀入水,且注塑时应严格控制其工艺。风叶孔和马达轴的联结一般采用过盈配合,若风叶不镶铜套,马达轴可滚花, 过盈量一般取0.15mm~0.25mm;若风叶镶铜套,过盈量一般取0.02mm~0.04mm。
6.2.6 后盖
在电吹风的结构中,有无后盖,将视其外观和具体要求而定。后盖与主壳身的联结有两种方式,一种是后盖装入后不可拆卸,常采用扣位或螺钉联结。在后盖内部设计部分柱位或骨位以固定尼龙网或铁砂网。另一种是后盖可拆卸。除去后盖后整个电吹风都必须满足安全要求,故在设计后盖时,只要满足3英寸跌机合格和常规安全即可。后盖与主壳身的联结方法,最常用的是与图13配件相同的联结方式。
6.2.7 线套
一般的电吹风都设计有线套,线套的作用有三个:
1)保护电源线。电吹风在使用时,由于电源线经常会弯曲扭转,故防止电源线因扭断而产生安全的问题就尤为重要;
2)在不使用时可挂起;
3)装饰作用。
线套常采用PVC,硬度一般在HRA50°~HRA70°,可根据具体结构而定。线套的固定应牢固可靠,线套中间孔的中心位置应同手柄尾端电源线的高度一致,线套在电源线的出线端口应无利边。挂线耳的最小直径应大于3mm,以满足长期挂放的要求。设计线套时还应充分考虑其出模因素。有的电吹风因外观要求而不设计线套,直接在手柄上设计保护电源线的结构。
6.2.8 配件
电吹风的配件有很多种,外观也各式各样,但从目前市场上来看,电吹风的配件大致分三类:
1)风嘴类;
2)扩散器类;
3)梳类。
配件一般均选用能耐高温的材料,通常有PC,PP,PA等。
配件与主壳身的连接方式较多,现举两例。如图12,在配件的连接处做出高为L的台阶,
利用塑胶的弹性变形直接压入主壳身的台阶内。配件连接处的台阶高度因材质不同而有所不同,通常取0.8mm左右,并在台阶的两边倒圆角,方便压入和取出。但应注意配件的a处胶位不宜太厚,以免产生缩水。也有的在主壳身内装有隔热筒,在隔热筒上产生如图12配件形式的台阶,原理和图12一样。

图13,在隔热筒上开如图所示的圆周对称的两槽,在配件内部凸出圆周设对称的两柱位,装配时,将配件上的柱位对准隔热筒前端的槽压入,然后再旋转以锁死。此种联结方法特别适合一个电吹风多个配件的情况,可避免因各个配件尺寸的差异而使不同件的配合松紧不一。
配件的联结方式很多,只要达到装卸方便,力度合适,外形美观,就不失为优秀的设计。
除以上零件外,在实际的设计中,还有许多零件,如开关制盖,冷风按钮,隔热筒,尼龙网等。在设计时除了满足功能要求外,还要满足生产工艺,安规要求,以及合理的成本。
6.3 零件的联结方式
6.3.1 扣位联结
在塑胶产品的设计中,扣位联结几乎占了全部联结方式的80%,它具有联结可靠,装配工艺简单,成本低廉的特点,故被广泛采用。扣位的方式及演变形式有很多,图14、图15是最基本的两种。
在图14中,是直接在上壳的壁身掏出一个扣位槽,和下壳的扣位相配合,但应注意部分尺寸。以壳身厚为2.2mm为例,L1不应小于1.1mm,否则在上壳身外表面会产生缩水。如表面蚀纹则会更明显。L2不应小于3mm,如太小,则在装配时会因扣的弹性变形太小,扣位会在L2段
发生断裂;L3不应小于1.2mm,但当L3太大时,b处会产生缩水。此时可如图加a骨位,以增加其强度。图13通常用在截面曲率较小的场合,如前后壳的配合等;当壳身曲率较大时,由于在上壳掏扣位槽后,所剩的胶厚就会很少,故采用图15a)的结构。图15a)中,由于扣位处的胶
位太厚,常会产生缩水现象。为避免此现象的发生,可设计成15b)的形式。将其多余胶位掏空,从而形成排扣,可避免缩水的现象发生,又不影响其强度。图15a)中的扣位通常用在截面曲率较大的场合,如左、右壳,及手柄等处的联结。


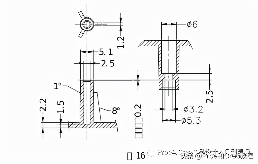
6.3.2 螺钉联结
在塑胶产品中,螺钉联结也是极其广泛的,但它具有联结可靠,强度好,定位精度高,装配简单等特点,而被广泛采用。图16是壁厚为2.2mm,材料为ABS,螺钉直径为3mm的螺钉及螺孔典型设计范例。设计时可作为参考。
螺钉联结虽然有许多优点,但由于它的成本较高,故在选用时还是应优先考虑扣位结构,扣位满足不了使用要求时,方考虑使用螺钉联结。
6.4 电源线夹紧装置
电吹风的电源线夹紧方式,通常有两种,如6.4.1和6.4.2所述。
6.4.1 如图17所示,利用夹线片和壳身螺钉之间的骨位a夹紧电源线,防止电源线在受到外力时发生位移。为加强其防滑效果,通常在夹线片的夹线部位设计出一小段凸出的骨位,以此把电源线压成 “W”形状,以保证良好的抗拉力效果。应注意的是,压线骨位应避免尖角利边,以防划伤电源线。也有的采用在电源线上套一段纤维筒,以达到同样的效果。此种压线方式通常用在如ABS,PC等材料强度较好的场合。

6.4.2 如图18,利用螺钉和外圈骨位形成一个半封闭的形状,把电源线绕在其间,再利用另一壳上的螺钉的端面压住电源线,达到压紧电源线的目的。为增强效果,可在如图的螺钉位上设计出小骨位以防滑。此种压线方式适用于各种塑胶材料,尤其是不能使用夹线片的场合。但在实际生产过程中,可能需改模多次才能达到较理想的效果。
6.5 其他重要的结构
6.5.1 骨位
骨位在塑胶产品中应用极其广泛,可以说无处不在。它主要有两种作用:一是起支撑作用,二是起到加强和防止变形的作用。骨位的设计主要注意以下几个方面:
1)骨位厚度。如ABS,PC等缩水不大的材料,骨位的厚度通常取壁厚的1/2~3/4;而对于
缩水较大的材料,如PP,PA等,骨位的厚度通常取壁厚的2/5~3/5。骨位的设计应根据产品的
结构而定,壁厚太大,会产生缩水,变形等;壁厚太小,没有强度,达不到预定的效果,甚至
发生走不满胶的现象。在实际生产中,由于入水位置的不同,同样的骨位在不同的位置的情况也不一样。入水位附近的骨位有时较厚也不会发生缩水现象,而离入水位置较远的地方,骨位甚至很簿,也可能会发生缩水现象。所以我们在结构设计合理的情况下,还要保证模具和生产工艺的合理性。
2)骨位高度。骨位高度的设计应合理,在满足使用要求的情况下,尺寸应尽量小。尺寸太大,不但骨位的顶端易发生变形,而且容易发生走不满胶、粘模等现象。
9.1.3 脱模斜度。在骨位高度尺寸不大且不要求外观时,可以不设计斜度。但当高度尺寸较大时,应充分考虑出模斜度。否则易产生缩水、困气、粘模、变形等注塑缺陷。
6.5.2 止口
止口的作用是防止配合处起级,裂拉,顶变形而引起外观缺陷。在设计时应加以注意。
总之,在产品的设计中,应充分考虑其结构,既要满足产品的外观、使用性能,又要考虑到产品的生产工艺,安规要求等。
7 电吹风的线架
线架在整个电吹风中占有非常重要的地位,它直接影响到产品的性能和安全。线架的种类有很多,但工作原理大致相似,将在7.1~7.6中简要介绍。
7.1电气参数之间的关系:
P=UI I=U/R
其中P为功率,U为电压,I为电流。
7.2 马达工作原理
电吹风的马达分交流与直流两种。交流马达可直接接在交流线路中。直流马达必须通入直流电。直流马达的工作原理如图19,在线路中串联一段电阻R以给马达提供电流,然后通过桥式整流把交流电转化为直流电。
7.3 档位的转换
一般的电吹风,都设计有高低不同档位,来转换功率。转换功率的方法很多,现介绍两种常用的方法。在图20中,当开关置于LOW档时,R1串联在电路中;当开关置于HIGH档时,R1并联在电路中,从而改变整个电路的电阻,以改变功率。图21中,在LOW档时通过二极管整流,将电压减半,来降低功率。

7.4 电吹风的冷风
高功率的电吹风,多数都会有冷风档,以供吹冷风使用。如图22,当未使用冷风档时,R1与R2一起工作,呈现高功率高热量。当使用冷风档时,断开主发热丝R2,也就失去了绝大部分热量,只有串在马达上的发热丝产生较小的热量,以达到近似冷风的效果。

7.5 电压转换的原理
对于小功率的旅行电吹风,常常在不同的国家及地区使用,因不同国家及地区的电压不同,而需增设调压装置。以图23为例,当调压制置于110V时,R2与马达串联后,再与R1并联在电路中。当调压制置于220V时,R1与R2串联在电路中。

7.6 线架的设计
电吹风的线架,如图24,主要包括云母片、云母纸、发热丝、温控器、熔断器、纤维线、马达、二极管、铆钉、垫片、绝缘垫片、支撑架等。以下将简要介绍相关的重要零件。
7.6.1云母片
云母片是支撑发热线、温控器、熔断器等的重要零件。它的形状、孔的位置等都对产品的性能有决定性的影响。常用的云母片有图25中的两种形式。不论使用何种形式,都要保证绕出的发热丝均匀,且尽量贴紧电吹风内壁,云母纸也要和云母片相吻合,以保证风叶吹出的风最大限度的吹到发热丝上,以满足发热丝的散热。云母片上的孔位是用来固定温控器、熔断器、发热线、线耳的。其位置设置是否合适,直接影响到产品的性能。
7.6.2发热线
发热线是电吹风工作时产生热量的零件。它的主要成份是Cr,Al,常用的材料有0Cr19Al3,0Cr25Al5等,它在电吹风中的应用,有直接绕在如图25a)的云母片上,也有先绕成螺旋状,然

后再绕在如图25b)的云母片上。发热丝的阻值可通过计算,然后再根据云母片所能绕发热线的长度,来选取其线径。
7.6.3温控器和熔断器
温控器是为了防止线架温度过高,对人可能造成伤害而采取的保护装置。当线路发生故障时,如发热线碰到一起、马达转速下降或停转,由于发热线的热量不能得到及时散发,就可能造成发热线发红而温度上升,此时温控器就可自行断开,保护使用者的安全。如果是出口到美洲的产品,还需增设熔断器,在温控器失效时,熔断器可断开电路,达到双重保护的功效。
以上零件,在加工时,一定要布局合理,固定可靠,不能有脱落,虚焊,或拉力不满足要求的情况。
8 电吹风的测试
电吹风的测试是整个开发设计过程中非常重要的一个环节。准确的测试,可以使我们在设计过程中做到有的放矢,减少盲目性,少走弯路。
电吹风的测试通常分为常规测试、安规测试和寿命测试,见8.1-8.3。
8.1 常规测试
8.1.1 电流、电压、功率测试:在功率测试中,功率通常要求在额定功率的+5%~-10%范围内;但由于UL认证的最高功率为1875W,当产品的额定功率为1875W时,其功率范围为+0%~-10%。
8.1.2 转速、风速测试:电吹风的转速范围通常要求在14000rpm~20000rpm之间;风速范围通常要求在3.0M/s~3.6M/s之间;在满足测试要求的前提下,要尽可能降低转速。这样会带来两个好处:其一、降低噪音:其二、延长马达寿命。
8.1.3 发红、快跳及停机跳测试
1) 发红测试:将电吹风设于各档位,使用额定电压,用透明玻璃板阻档出风口1s~3s,
使发热丝全红,将透明玻璃板移离出风口2~3英寸处,工作10s~15s后,发热线不能发红。
2) 快跳测试:在额定电压条件下,将电吹风出风口垂直正对UL板1英寸距离行机15min之内,温控器不能动作。
3)停机跳测试:在额定电压条件下,将电吹风出风口垂直正对UL板1英寸距离行机15min后停机,2min之内温控器不能跳开。
4)敲机测试:在桌面上垫上厚布,敲击电吹风出风口及入风口处,电吹风内不可有跳火及
功率不正常现象。
5)震机测试:用手握紧电吹风手柄及面、底壳部份,不能有震手现象。若有震手现象,通常为风叶不平衡所致。
6)功率开关测试:来回拔动功率开关3次,开关拔动顺畅,高、低档功能正常及无火花产生。
7)ALCI测试:来回按压“TEST”及“RESET”按钮3次,通电及断电正常,各按钮复位正常。
8)阻挡入风口测试:在额定电压条件下,运行3min后,用UL毛巾完全包住入风口,直到温控器跳开,测试完成后, 不得有熔胶,冒烟,喷火,熔断器不能断开。
9)阻挡出风口测试:在额定电压条件下,运行3min后,将电吹风出风口置于阻挡板上, 直到温控器跳开,测试完成后,不得有熔胶,冒烟,喷火,熔断器不能断开。
10)包装跌落测试:包装箱离地面三英尺,以一角三边六面自由跌落到3′×3′×1/2″硬木板上,跌落后成品机功能正常,机内无任何零件松动,彩盒无破损。
8.2 安规测试
8.2.1高压测试:测试条件1500V/1sec。要求漏电电流小于0.5mA;
8.2.2绝缘电阻测试:大于20MΩ;
8.2.3跌落测试
1)3英尺裸机行机跌落:将电吹风置于高热档行机,离地面3英尺,分别以三个不同面自由跌落于3′×3′×1/2″硬木板上,跌落后要求成品功能正常,无骨位断裂及整机爆裂等不良。
2)6英尺裸机跌落:将电吹风离地面6英尺,分别以三个不同面自由跌落于3′×3′×1/2″硬木板上,跌落后整机无爆裂现象, 高压测试合格。
4)电源线吊磅测试:将电源线吊35磅力1min,电源线伸长小于2mm。
5)电源线弯折测试:旋转540°/周期,带额定电流作负载,达到3000个周期为合格。
6)正常温度测试:在额定功率条件下,电吹风出风口垂直正对UL板1英寸远,行机15min,最高5点平均温升小于100℃。
7)MSDⅠ测试:将电吹风内马达及发热架分开,在1.1倍额定功率条件下,电吹风出风口垂直正对UL板1英寸距离远,行机15min后开始按1V/分钟降低电压,直到温控器断开,再按0.5V/分钟升高电压, 直到温控器稳定,测试UL板最高5点平均温升小于100℃为合格;此项测试能较为全面地反应电吹风的性能。它能反映出以下几项设置是否合理:
a)零件的结构;
b)温控器、熔断器位置尺寸;
c)出风口与入风口面积的比例;
d)马达的选用、速度的设置;
e)发热线的线经及绕制的直径;
f)外壳、配件的材料等。
8)MSDⅡ测试:在MSDⅠ测试的基础上,继续降低马达电压,直到熔断器断开, 测试UL板最高5点平均温升小于100℃,无熔胶现象,高压测试合格。
9)限制入风口测试:在1.1倍额定功率条件下,运行3min后,每3min增加一层毛巾堵住入风口, 直到增加到10层, 测试中及测试完成后,允许熔断器烧断;出风栅不能掉出;允许熔胶,但UL假手指不能伸入,高压测试合格。
10)限制出风口测试: 在1.1倍额定功率条件下,运行3min钟后, 堵住出风口面积的50%,然后每3分钟增加面积25%,直到完全堵住出风口。 测试中及测试完成后, 允许熔断器烧断,出风栅不能掉出,允许熔胶,但UL假手指不能伸入, 高压测试合格。
11)锁定马达测试: 在额定功率条件下,运行3min后,开始堵转马达,直到熔断器烧断。测试中无着火,烧焦,高压测试合格。
8.3 寿命测试
8.3.1开关寿命测试:将开关加上额定负载,依HIGH-OFF-LOW的顺序为一个周期,达到6000个周期为合格。
8.3.2整机寿命测试:在额定电压条件下,将成品机以15min开、15min关为一个周期,达到1000个周期为合格。测试完成后,不能有熔胶现象。
9.推荐的通用件和专用件
9.1通用件具体参考通用件库;
9.2专用件具体参考《产品专用件—电吹风》。