Point:
1、串口、COM口是指的物理接口形式(硬件)。而TTL、RS-232、RS-485是指的电平标准(电信号)。
2、接设备的时候,一般只接GND RX TX。不会接Vcc或者+3.3v的电源线,避免与目标设备上的供电冲突。
3、PL2303、CP2102芯片是 USB 转 TTL串口 的芯片,用USB来扩展串口(TTL电平)。
4、MAX232芯片是 TTL电平与RS232电平的专用双向转换芯片,可以TTL转RS-232,也可以RS-232转TTL。
5、TTL标准是低电平为0,高电平为1(+5V电平)。RS-232标准是正电平为0,负电平为1(±15V电平)。
6、RS-485与RS-232类似,但是采用差分信号负逻辑。这里略过不讲。
串口、COM口:
COM口即串行通讯端口,简称串口。这里区别于USB的“通用串行总线”和硬盘的“SATA”。
一般我们见到的是两种物理标准。D型9针插头,和4针杜邦头两种。
这是常见的4针串口,在电路板上常见,经常上边还带有杜邦插针。还有时候有第五根针,3.3V电源端。
由于是预留在电路板上的,协议可以有很多种,要看具体设备。

下面这个就是D型9针串口(通俗说法)。在台式电脑后边都可以看到。
记住,这种接口的协议只有两种:RS-232和RS-485。不会是TTL电平的(除非特殊应用)。
我们一般只接出RXD TXD两针,外加GND。

下图是个USB转TTL串口的小板,可以用USB扩展出一个串口。芯片为PL2303HX。
网上经常混淆各种串口,但是这个确实是可以给STC单片机*载下**程序的。

这是另一种,CP2102芯片的,也是USB转TTL串口。据说比PL2303的好,实际使用中没感觉出来。这个小板就多了+3.3V电源端,以适应不同的目标电路。

上边介绍的都是USB转TTL串口,如果目标设备上是RS-232串口(D型9针接口)咋弄?
再接一片MAX232转换一下就行。
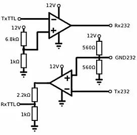
你也可以搭一个简单的比较器电路,来实现TTL转RS-232的功能,如下图。

RS-232转TTL咋弄?这就需要你动点脑子咯。当然,早有人想到了做一款成品。仔细看下图,USB经过PL2303转成了TTL串口,中间四个窟窿可以引出,再经MAX232转换为RS-232电平,9针串口引出。

