低压电容补偿柜也叫低压无功补偿装置MSCGD,工作原理是根据电网向用电设备提供的负载电流由有功电流和无功电流两部分组成,无功电流在电源和负载之间往复交换,大大占用电网,使供电设备的供电能力大大降低,使功率因数降低。就是用装置产生的容性无功电流快速、准确地跟踪抵消电网中的感性无功电流,从而提高功率因数,保证用电质量,提高供电设备的供电能力,并减小电路中的损耗。
一般来说,低压电容补偿柜由柜壳、母线、断路器、隔离开关,热继电器、接触器、避雷器、电容器、电抗器、一、二次导线、端子排、功率因数自动补偿控制装置、盘面仪表等组成。
电容器柜功能及其结构

电容器补偿柜的作用
电容补偿柜的作用是提高负载功率因数,降低无功功率,提高供电设备的效率;电容柜是否正常工作可通过功率因数表的读数判断,功率因数表读数如果在0.9左右可视为工作正常。
电容器柜一次电路原理介

一次电路的工作原理过程
合上刀熔开关和断路器,无功功率补偿控制器根据进线柜电压和电流的相位差输出控制信号,控制交流接触器闭合和断开,从而控制电容器投入和退出。
元器件的作用分析
HH15-160A刀熔开关
HH15(QSA)系列开关熔断器组集负荷开关和熔断器短路保护功能于一体,结构紧凑,使用安全,主要用于具有高短路电流的配电和电动机电路中作为电源开关和应急开关,并作电缆的短路保护,由于开关手柄为旋转操作,特别适用于抽屉式开关柜中安装使用。
本开关系列全封闭结构,由接触系统、操作机构、手柄三部分组成。
由动、静触头及灭弧装置组成的接触系统均组装在由新型耐弧工程塑料制成的封闭壳体内,达到零飞弧;其工作性能的稳定、可靠,并在寿命期内无需用户维护或更换零件。
配用的高分断能力刀型触头熔断体串接在触头之间,当开关处于断开位置时,其外露导电部件均不带电,确保维修和更换熔断体的安全性(打开柜门开关处于断开状态)。
开关具有弹簧储能的操作机构,手柄操作方式系旋转操作,开关分、合动作靠弹簧力完成,均与人力无关,保证其动作的可靠与稳定。
广告
DL/T12192013 串联电容器补偿装置 设计导则作者:国家能源局 著
当当
广告
电网电压稳定性与动态无功补偿作者:葛维春
当当
HY1.5低压避雷器
HY1.5W-0.28/1.3,HY1.5W-0.5/2.6低压氧化锌避雷器 ,产品用于保护交流电力系统电气设备的绝缘免遭大气过电压和操作过电压的损害,适合于配电箱内,电源频率50Hz或60Hz。安装时,先将避雷器固定在托架或横担上,下部接地端子直接接地,然后将上引线固定在接线端子上。HY氧化锌避雷器也叫做硅橡胶氧化锌避雷器,也叫有机金属氧化物避雷器。
DZ47-63/D32塑壳断路器
DZ47系列小型断路器主要适用于交流50/60Hz,额定工作电压为240V/415V及以下,额定电流至60A的电路中,该断路器主要用于现代建筑物的电气线路及设备的控制、过载、短路保护,亦适用于线路的不频繁操作及隔离。
DZ47系列小型断路器由塑料外壳、操作机构、触头灭弧系统、脱扣机构等组成。脱扣机构由双金属片过载反时限脱扣机构和短路瞬动电磁机构二部分组成。触头灭弧系统则采用特殊的导弧角和过道灭室,并具有显著的限流特性
BSMJ-0.4-10-3电容器
“BSMJ”自愈式低电压并联电容器是采用先进的金属化膜作为材料,引进国外先进技术、设备,严格按照国家标准及IEC标准组织生产的;主要用于低压电网提高功率因数,减少线路损耗,改善电压质量,是国家推荐使用的新型节电产品。
体积小、重量轻:由于采用金属化聚丙烯膜材料作为介质,体积、重量仅为老产品的1/4和1/5。
损耗低:实际值低于0.1%,所以电容器自身的能耗低,发热少、温升低、工作寿命长、节能效果佳。
优良的自愈性能: 过电压所造成的介质局部击穿能迅速自愈,恢复正常工作,使可靠性大为提高。
安全性:内装自放电电阻和保险装置。内装放电电阻能使电容器上所 带的电能自动泄放掉;当电容器发生故障时,保险装置能及时断开电源,避免故障的进一步发展,确保使用安全。
不漏油:本电容器采用先进的半固体浸渍剂,滴熔点高于70℃,在使用过程中不漏油,避免了环境污染,电容器也不会因失油而失效。
CJ19-32 交流接触器触头
应用CJ19-32/11.20.02系列切换电容器接触器,主要用于交流50Hz或60Hz,额定工作电压至380V的电力线路中,供低压无功功率补偿设备投入或切除低压并联电容器之用。接触器带有抑制涌流装置,能有效地减小合闸涌流对电容的冲击和抑制开断时的过电压。
使用环境条件:安装地点的海拔不超过2000m。
安装条件:安装面与垂直面倾斜度不大于±5°。
周围空气温度:-5°C~+40°C,24小时的平均值不超过+35°C。
大气相对湿度:在周围空气温度为+40°C时不超过50%,在较低的温度下可允许有较高相对湿度。
接触器为直动式双断点结构,触头系统分上下两层布置,上层有三对限流触头与限流电阻构成抑制涌流装置。当合闸时它先接通经数毫秒之后工作触头接通,限流触头中永久磁块在弹簧反作用下释放,断开限流电阻,使电容器正常工作。CJ19-25~43的接触器有两对辅助触头,CJ19-63~95的接触器有三对辅助触头。接触器接线端有绝缘罩覆盖,安全可靠。线圈接线端带有标出电压数据,可防止接错。
CJ19-25~43接触器可用螺钉安装,也可借底部的滑块扣装在35mm标准卡轨上。面罩上有一个可拆卸的长方形白色小牌,用户可用它打印项目代号等。

JR36-20热继电器
JR36系列双金属片式热过载继电器(以下简称热继电器)适用于交流 50Hz,主电路额定工作电压至380V,额定工作电流0.25~160A的电路中,对交流电动机的过载和断相进行保护。
热继电器具有整定电流可以调节、温度补偿、断相保护、自动复位和手动复位任意选择、能进行线路动作灵活性检查、可手动断开常闭触头(常开触头不闭合)等功能,其外形尺寸和安装尺寸与JR16B系列完全一致,是新一代较为理想的产品。
电流互感器BH-0.66 150/5
BH-0.66电流互感器为塑料外壳,全封闭,户内型产品.适用于额定频率50HZ或60HZ、额定电压为0.66KV及以下的电力系统中作电能计量、电流测量和继电保护用。
BH-0.66电流互感器为母线型塑料壳式绝缘,产品下部有安装板供固定安装用,中间窗孔供一次母线通过用。
一次电路的的安装图

一次电路连接母线安装及其安装实物图

母排的作用是汇流和电流分配。水平母排规格一般根据进线柜额定电流进行选择,但要满足动稳定和热稳定要求;垂直母排额定电流一般为1000A。
常用的母线结构型式有矩形、槽形和管形等。
① 单片矩形导体具有集肤效应系数小、散热条件好、安装简单、连接方便等优点,一般工作电流小于或等于2000A。
② 多片矩形导体集肤效应系数比单片导体的大,所以附加损耗增大。因此载流量不是随导体片数增加而成倍增加的,尤其是每相超过三片以上时,导体的集肤效应系数显著增大。在工程手册中多片矩形导体适用于工作电流≤4000A的回路。4000A以上时,应选用有利于交流电流分布的槽形或管形的成形导体。
③ 槽形或管形的成形导体的集肤效应系数小,电流分布比较均匀,散热条件好,机械强度高,但造价较高,安装也不方便。
母线的截面积选择原则
A 分支母线的截面积原则上可按断路器额定电流的大小来选取。
B 在仅有一路进线情况下,主母线(水平母线)截面可与进线柜分支母线截面相等或稍大些。
C 若进线回路有两条,情况稍为复杂一些。此时通常将两回进线柜安排在主母线的左右两端,这样电流的流向分布更为合理,主母线的截面就可以不按两进路电流之和来选取。这时,主母线截面应在较大进路电流至两路电流之和的电流范围内考虑,具体取多大要看进出柜布置情况,分析电流流向分布后决定。
开关柜中母线规格的选择要考虑以下条件
A 按导体长期发热允许载流量选择截面;
B 热稳定性的校验;
C 动稳定性的校验; D 导体共振的校验
铜、铝排母线长期允许的电流值
1)“*”号为低压元件特殊用材,一般不推荐。
2)表中是空气温度为35℃时的长期允许电流值。
3)当母线平放时,宽度≤60mm电流降低5%,宽度>60mm则降低8%。
4)低压抽屉式开关设备长期允许电流值应按表1中电流的0.8倍配置。
中性导体(N)的选材
一相导线的截面积>10mm2,则等于相导线截面积的一半,其截面积最小为10 mm2。一相导线的截面积≤10 mm2,中性线截面积等于相导线。
保护导体(PE)的截面积不应小于下表给出值
相导线的截面积
相应保护导体的最小截面积Sp
S≤6
S
16<S≤35
16
35<S≤400
S/2
400<S≤800
200
S>800
S/4
开关设备的柜体应设置接地母线,一般选取4×40TMY铜母线和6×60TMY铜母排 。
母线制作工艺流程
(1)铜、铝排母线(简称扁形母线)制作工艺流程
选材→模拟→落料→划剥→冲孔(钻孔)→搪锡(镀锡)→弯制→冲孔(钻孔)→压平(花)→安装→涂漆→检查
注:采用镀锡母排的,搪锡工序取消。
(2)铜芯绝缘圆母排(简称电缆母线)制作工艺流程
选材→模拟→落料→剥头→冷冲(冷压)接头→安装→整理→检查
(3)热缩套管绝缘母线(简称绝缘母线)的工艺流程
成型母线→(套绝缘管→加热→固化成型)→安装→检查
铜、铝排母线制作工艺要求
(1)母线除必要的弯头及斜度外,不允许有弯曲和歪扭现象,要求母线宽面弯曲度每米不大于2mm,窄面每米不大于3mm。
(2)母线表面不得有明显的锤痕、锉痕、划痕。
(3)母线与电器元件搭接,母线应按电器元件接线端子孔径和孔数要求。
(4)母线与电器元件接线端根部应有不小于5mm的空出位置。
(5)母线搭接长度应大于等于母线宽度或接线端子宽度,并应保证母线与接线端子的接触面不小于母线横截面积的1.5倍。
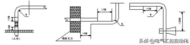
(6)与电器元件搭接的母排,应避免锐角弯折,制作弯曲角度一般不小于90度,见下图。

(7)母线开始弯曲处,距母线搭接位置不应小于30mm,距最近绝缘子的母线支持夹板边缘不应小于50mm,但不应大于250mm,见下图。

(8)母线宽度大和长度短都不能曲立弯,进出线母排宽度差比较大时,可在不影响搭接面积的前提下,允许有过度母排,偏向母线的一侧或改变母线的连接。见下图

(9)麻花弯母线扭转90度时其扭转部分的长度不应小于母排宽度的2.5倍,见下图
(10)母排不宜直角弯曲,弯曲半径不得小于下表规定R值,母排弯曲后不得有裂纹和严重的起皱现象,皱纹高度不得大于1mm.
(11)母线搭接面应搪锡处理,搪锡的长度要大于搭接长度20mm,对大部分无法搪锡的搭接面允许用导电膏处理。
(12)母线的漆色及相序排列应按下表规定(柜的正视方向)
(13)母线的搭接面不得沾漆,漆色应均匀,涂漆的界面应平直,不得有明显弯曲不直现象,同一件的同一侧面各相母线端的涂漆界限应无明显不整齐现象,界限距接触端面不得超过20mm。
铜芯电缆母线的制作要求
(1)电缆在与电器元件连接时,必须采用铜接头连接。
(2)铜接头切不可与铝芯线压接。
(3)绝缘线剥去绝缘层的长度应比铜接头的捶套长出3mm为宜。
(4)绝缘线剥去绝缘层时,不允许线芯断裂及使线芯损伤。
(5)将导线插入铜接头插套后,在冲床上用模子冲接,或用冷压钳压接。然后用力拉导线,导线不应从铜接头拉出或有松动现象。
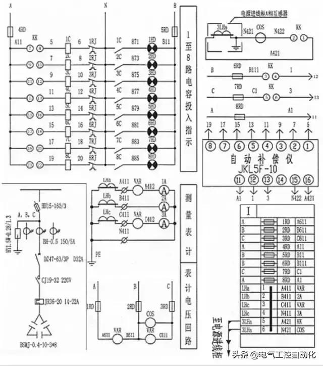
二次回路原理图分析及安装
二次原理图

二次电路工作原理的过程
手动工作时,转换开关KK从kk21-22开始每转过一个位置多接通一个LED灯,表示1—8个电容器依次进入使用状态;自动接通时,转换开关KK如在kk1-2位置停下,那么停下的位置,其余均接通。(如下图)

二次电路元器件布置图

二次电路安装接线图

二次电路的安装工艺
使用工具 剥线钳、剪刀、罗丝批、压接钳,适用套筒扳手、尖口钳、弯线钳、搭灯、活络扳手、电工刀。
根据图纸,安装二次系统的继电器、仪表、信号灯、端子排等电器元件及其附件。
按布置图粘贴元件标号,标号一般粘贴在该元件正中上部的金属构架上,个别情况元件上方不能粘 贴标号时,可就近选择适当位置粘贴。
根据图纸确定配线途径。按配线途径量线,正确落料(一般放长300~500mm),且两端做好记号或套上线号,即按配线途径 进行敷设。
导线的敷设应做到横平竖直,层次美观清晰,用扎带捆扎或用绕带绕扎。 可将二次线敷设在专为配线用的塑料行线槽内,此时只需将导线整理清楚而毋需捆扎

安装步骤
安装接线按照先左后右、从上到下、由里到外、先难后易的接线原则进行接线。先接线无功功率表、电流表、电压表;然后接线自动补偿仪、万能转换开关;完成以后进行捆扎线保持横平竖直转角为90°。端子排接线要留出一段线,每只端子上接线螺钉最多接二根导线,对于端子间的连线可采用(图五)的方法。然后接线电流互感器、交流接触器、热继电器。

5、绝缘电阻测试、介电强度试验
5.1、以500伏绝缘摇表测试法测试绝缘电阻
(1). 被测前先拆下所有连线待测、并放电。
(2). 摇测时被测物体应在良好的绝缘上。
(3). 将测试线可靠触及电容器电极上。
(4). 分别测电容器三个接线端子对外壳阻值。
(5). 经摇表发电机连续一定时间对电容器充电并读取数据后应将迅速将测试线离开被测试物切断电路,以避免被充过电的电容器的剩存电荷通过摇表内电路放电漏掉和打坏指示表针,烧毁摇表内二极管等内部元件。
5.2工频及冲击耐压
试验时,必须将断路器(负荷开关或接触器)、隔离开关闭合,将高压熔断器短接,所有可移开部件均处于工作位置。但是,当断路器(负荷开关或接触器)、隔离开关在断开状态或可移开部件处于移开、试验或接地位置能引起更为不利的电场条件时,则必须在该条件下再做一次,即合闸、分闸、拉开时,均应按以上条件进行试验。
冲击耐压试验时,被试品不得带有过电压保护元件,电流互感器的二次侧应短路并接地,低电流比的电流互感器允许将一次侧短接。
辅助回路和控制回路应能经受2500v工频耐压试验,并按以下要求进行:
将辅助回路连接在一起,试验电压加在它和接地骨架之间。
将正常使用中与其他部分绝缘的每一部分回路作为一极,其他部
若各次试验皆无击穿,认为通过。
