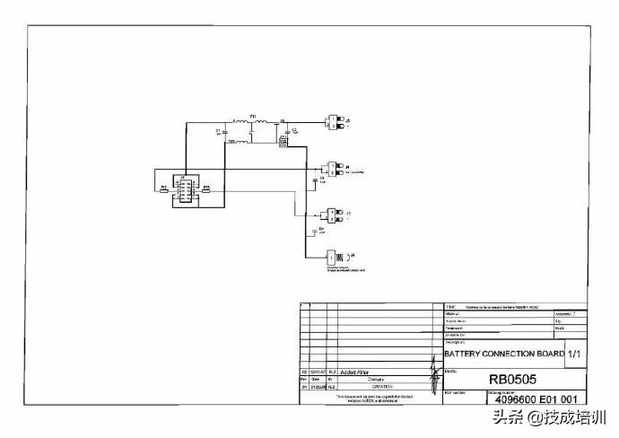
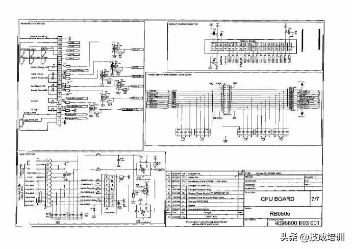
呼吸机图纸↓↓↓
Medtronic PB560呼吸机资料 3D图纸 原理图 说明书 软件代码
呼吸机是一种能够起到预防和治疗呼吸衰竭,减少并发症,挽救及延长病人生命的至关重要的医疗设备。面对不断增加的新冠肺炎患者,许多国家面临呼吸机短缺的困境,多国政府都在呼吁各大企业帮助采购或生产呼吸机。据悉,美敦力已经将呼吸机的图纸公布出来了,那么,拿到图纸之后,你会转产吗,今天我们聊一聊呼吸机。
01 呼吸机的发明与原理
现代临床医学中,呼吸机作为一项能人工替代自主通气功能的有效手段,已普遍用于各种原因所致的呼吸衰竭、大手术期间的麻醉呼吸管理、呼吸支持治疗和急救复苏中,在现代医学领域内占有十分重要的位置。呼吸机的概念最先由英国科学家约翰·梅奥(John Mayow)于1670年提出,但是由美国人菲利普·德林克(Philip Drinker )和路易斯·阿加西·肖(Louis Agassiz Shaw)最先于1928年做成商业产品,即“铁肺”(iron lung)。
视频资料,建议WiFi观看
视频加载中...
↑↑↑↑呼吸机原理
呼吸机用于机械辅助通气,实现帮助患者正常呼吸。当患者呼吸功能失常时,呼吸机可以模仿人的呼吸速率将含氧量不同的气体(21%-100%)送进肺部,并规律性地进行气体交换,帮助患者改善缺氧、二氧化碳滞留状态。医用呼吸机为三类医疗器械,常规家用呼吸机为二类医疗器械。有创呼吸机主要用于治疗重度呼吸衰竭的无意识患者,无创呼吸机是针对有呼吸意识的呼吸衰竭高危患者。关键芯片技术壁垒高,决定了呼吸机的临床使用效果。
呼吸机之所以为高端设备,就是因为需要一个全球的供应链来支撑他的生产,关键零部件均是来自于工业圈的一流玩家(比如SMC、霍尼韦尔),而且主要生产者都有良好的传承,这些公司的团队主要人员均多有良好经历,比如,瑞思迈的创始人Peter Farrell拥有西雅图华盛顿大学的化学工程和生物工程博士学位以及新南威尔士大学的理学博士学位。创立瑞思迈之前,他曾在日本Baxter Healthcare(百特医疗)担任研发副总裁,并在悉尼成立了百特医学研究中心。

多功能呼吸机
另外,呼吸机需要跨学科知识的支撑,是集机械、结构、气路、控制、软件、算法于一体的产品。特别是呼吸模式算法的控制,需要在成本可控的情况下,在急救呼吸机上实现5ML气体精度的潮气量控制,如果去看的话,瑞思迈拥有超过5000项专利。
02 全球呼吸机制造商
国外主要制造商有:通用电气(GE Healthcare),德国德尔格(Dräger),荷兰飞利浦(Philips)、美国瑞思迈(ResMed)、爱尔兰美敦力(Medtronic)、瑞士哈美顿(Hamilton)、瑞典洁定(Getinge)、德国律维施泰因(Löwenstein Medical)。
上世纪90年代呼吸机开始进入中国,据企查查数据及国家药品监督管理局数据显示,国内拥有呼吸机注册证企业仅有31家,其中有22家企业的经营范围含“进出口”,占比超70%,比较有名的有北京谊安、深圳迈瑞、苏州鱼跃医疗等。
03 生产呼吸机难在哪?
疫情全面爆发后,欧美国家涌现了一大批企业加入“跨界”生产呼吸机的队列,但生产呼吸机、口罩和洗手液不同,有较高的技术壁垒:
1.零部件需求多。以口罩来说,主要需要无纺纱布和熔岩布两种主要原料,而一台呼吸机有上千个零部件,来自全球各地,呼吸机研发在欧洲,制造在中国,配套在全球。比如一台呼吸机产品设计是在德国,组装生产是在中国,中间的零部件又是全球采购。对于动辄使用2-3万小时的机器来说,硬件稳定、耐用尤为重要,关键零部件里涡轮风机可能是放在德国或者瑞士生产(比如瑞士的micronel),又比如传感器可能来自于瑞士或者美国的霍尼韦尔,再如微型比例阀可能来自于德国或者日本(比如SMC),软件也有可能来自于印度。
2.认证周期长。额温枪属于二类医疗器械,呼吸机属于三类医疗器械,二类和三类的划分代表着危险级别,三类是医疗器械中的最高级别。注册备案的时间一般在一年半,加上临床试验有些需要更久。
除此之外,出口到国外还要获得出口国家许可:美国需要美国食品药品监督管理局(FDA,Foodand Drug Administration)认证,出口到欧盟需要自由销售证书或CE标志,出口到日本需要PMDA注册,每个国家的规则稍有不同。所以目前来说,有机会的企业仅存有在这一领域深耕的企业,跨行业入局者基本没有机会(除非在本土获得特殊审批)。
即便非常时期各国也开启审批绿色通道,但“跨界”生产医疗设备并没有那么简单,生产一台呼吸机可能要花费多达40天的时间,组装呼吸机也需要训练有素的工作人员。复杂的工艺、认证、产业链的复杂程度,这些都限制了呼吸机产能的提升。
04 美敦力呼吸机图纸公开
据外媒报道,美敦力已经把呼吸机的技术资料都公开了,对于其他想从事呼吸机生产的人来说是契机但是不熟悉的企业进入仍然不容易,产线和体系建立、产品临床和注册需要大量时间,建议这个比较适合有同类产品的企业去生产。



05 “万能”车企造呼吸机
一直以来,车企都有制造业中的“皇冠”之称,其“万能”性也在近代历史发展中得到充分证明。
据了解,二战期间,诸多民营车企纷纷转产军工产品,可以说是下可着地,上可触天。其中,最为外界熟知的莫过于福特转产B-24解放者轰炸机。有关资料显示,从1941年建厂到1945年停产,福特的柳溪飞机厂共制造了8,600架B-24轰炸机,在产能效率最大的时候,每63分钟就能下线一架。
“事实上,造车比造飞机还要难,除了对质量体系上要求极为严格外,同步还要均衡成本。可以说,能造好汽车者,转到其他领域一样会做的很好。”曾在北美福特就任职多年的纵目科技市场和战略副总裁陈超卓表示。
而近的来看,在中国全民抗疫行动中,部分车企快速转产医疗设备取得了实质性的成功。如比亚迪口罩产线和消毒凝胶产线如今均处于满负荷运转状态,日产能分别可以达到500万只和30万瓶。而广汽及上汽通用五菱亦在较短时间内完成了口罩生产线的搭建和生产,为“战疫”作出了较大贡献。
尽管生产呼吸机与制造口罩工艺不同,难度亦较大,但车企在关键时刻的灵活性以及万能性让各国政府看到了希望。
近期,北美华人汽车工程师协会副会长董愚在接受盖世汽车采访时表示:“车企属于机械制造业,有着相当强的设备设计集成整合能力。呼吸机虽属于医疗设备,但从机电液控一体化角度,与传统汽车行业有着必然的工程技术的相通性。特别是在当今自动化、智能化、集成化、数字化的今天,汽车产业相对更有能力承担呼吸机以及其它医疗设备的研发与制造。”
意大利最大的呼吸机制造商Siare Engineering首席执行官吉安卢卡·普雷齐奥萨亦声称,“呼吸机制造和汽车工业存在共性,都非常依赖电子和气动技术。”不过,尽管存在相通性,然毕竟位处两个不同领域,车企要想短期达标,恐怕依然存在较大挑战。
因此,相对于其他工业而言,汽车制造者能否造出呼吸机来这一问题上基本是肯定的,只不过要看时间长短。
06 多家企业跨界量产,研发周期成痛点
为了解决呼吸机产能不足的问题,许多非专业企业已经纷纷跨界下场量产。
当地 3 月 26 日,有“现实版钢铁侠”之称的特斯拉 CEO 马斯克在个人推特上表示,将尽快重新开启在纽约的工厂生产呼吸机,顿时成了美国缓解“一机多用”困境的希望。此前,他曾从中国购买 1255 台呼吸机送到美国洛杉矶。

福特汽车3月30日表示,其位于密歇根州伊普西兰蒂的福特工厂,将从4月20日这周开始生产呼吸机,目标是在100天内生产5万台,之后每月生产3万台。通用汽车于3月29日发布了其在印第安纳州科科莫工厂的照片,显示公司已开始生产呼吸机。通用汽车表示,目前的目标是到夏季每月生产1万台呼吸机,这一生产计划只保成本,不求盈利。
除了上述特斯拉、福特、通用汽车,美国共计有超过12家跨国汽车制造商,已经展开有关呼吸机设备的筹备和生产工作。
英国内阁大臣戈夫也于本周二表示,英国制造业巨头已经组成联盟,包括劳斯莱斯和戴森在内的多家公司,都将迅速推出呼吸机并投入量产。
以色列导弹生产线改为生产呼吸机。此前以色列国防部表示,全国仅有2000台呼吸机,为弥补医用设备的短缺,已将导弹生产线进行了改造,转而生产呼吸机。此外,还表示,以色列航空工业公司已经与一家医疗设备制造商展开合作,进一步扩大呼吸机的生产,目前已向以色列卫生部交付了30台呼吸机。
非专业厂商下场跨界生产,是否能够缓解当下全球呼吸机紧缺的严峻态势?鱼跃负责人不太乐观:“”不能寄希望于非专业厂商。”
首先是时间上的限制,新冠肺炎患者的救治争分夺秒,“但呼吸机是高端医疗器械,非专业厂商跨界生产,会面临生产线改造、供应链保障、人员培训、权威认证等环节的限制。仅生产线改造就可能耗费一周,人员培训也要 1~2 月。”
除了生产环节的时间限制,研发周期更是最关键的限速环节。鱼跃负责人表示,“呼吸机研发周期至少 10 个月,小到过滤棉,大到风道设计,任何一处硬件的改动,都会对流量产生影响,软件久也需要作出相应调整。以鱼跃为例,我们这四五年里的产品软件已经更新到第 8 代。”
07 中国产能如何?
工业和信息化部产业政策与法规司司长许科敏在2020年3月30日上午举行的新闻发布会上表示:全力推动医疗装备企业复工复产,一直是我们疫情保供的首要任务。呼吸机是救治新冠肺炎患者最关键的医疗设备。疫情发生以来,我国呼吸机主要生产企业第一时间都恢复生产。如,深圳迈瑞大年初二紧急召回放假回家的技术骨干,全力复工复产。我们组织多地工信部门,在做好疫情防控的前提下,很快实现其上游853家全国配套商中794家复工复产,及时帮助企业解决零部件短缺、物流运输不畅等问题。截至3月29日,主要呼吸机企业累计向全国供应呼吸机2.7万多台,其中有创呼吸机3000多台。在过程中虽然也一度出现了吃劲情况,但总体看,有力保障了我国疫情防控特别是打赢湖北保卫战、武汉保卫战的需要。
近期,疫情在全球快速蔓延,国外对医疗装备的需求急剧增长,尤其是对有创呼吸机的需求量特别大。目前,我国有创呼吸机生产企业共有21家,其中8家的主要产品(周产能约2200台)取得了欧盟强制性CE认证,约占全球产能五分之一。目前已签订单量约2万台,同时,每天还有大量的国际意向订单在洽谈。据不完全统计,3月19日以来短短十天,在保障国内需求的同时,已紧急向国外提供有创呼吸机1700多台,达到了今年以来提供国内总量的一半。可以说,我们的企业为全球疫情防控一直在马不停蹄、加班加点。据我所知,大多数企业都是三班倒,一刻不停地生产,甚至部分研发人员也被派上生产线。
一台呼吸机有上千个零部件,主要的零部件供应商不仅有在国内的,也有一些在国外包括欧洲。在疫情影响下想大规模增产并非易事,全部满足所有需求也是不现实的。为继续向有关国家及时提供力所能及的帮助,3月29日,我们专门召开了重点医疗装备产业链协同扩产视频会,组织了国内有创呼吸机重点企业、地方有关部门,摸底企业面临的问题和困难,研究产业链协同扩产措施。同时,我们也要求企业要严格质量管控,加强安全生产。
-End-
呼吸机图纸↓↓↓
Medtronic PB560呼吸机资料 3D图纸 原理图 说明书 软件代码