作者:BH7LSW

作为SONY在收音机领域最后的高端作品,ICF SW07,非常小巧。
本文引用的维修手册资料,来源于https://www.manualslib.com/,致谢!
俺只有一台SW07,这台机子应该属于各方面性能良好的机子,以下主观感受仅针对这台机子。

上图是SW07的基本参数。
跟7600GR一样,整体架构同属于单锁相环单晶体滤波的二次变频。

SW07停产将近20年,目前亚马逊能找到的二手机不多,价格在四五百美刀。闲鱼上也有不少,品相稍好的,价格并不美丽。

SW07翻盖式的造型,是其外观最明显的特征。SONY在收音机巅峰时期,创新源源不断,时至今日,仍无法被超越。
SONY翻盖式收音机还有SW12、SW100、C1000、C2500等等,C1000、C2500仅仅FM和MW波段,没有短波,SW12、SW100带短波,是全波段产品,但性能都比SW07差多了。

上图,SW07的拉杆天线可以全方位延伸。相比于Tecsun的拉杆天线,主要区别在于SW07天线根部采用可抽拉的7字型构造,根部可以拉出一小段,方便各个角度摆放。Tecsun的天线根部不能抽拉,导致天线永远存在一些到达不了的方向。

按键功能表。
SW07按键手感非常好,令人联想到ThinkPad的经典键盘。较之于Tecsun硬骨头般的按键,按压SW07的键盘实在是人生的享受,这一点,在SONY其他高端收音机上一脉相承。
不同功能区的按键外形差别明显,即使不看按键,仅凭感觉的触摸操作,也不易出错。


SW07的LCD显示屏中规中矩,该有的内容都会有。最上面一排小三角,仅仅用于指示时区,十分奢侈的设计。相比于SW55,虽然LCD上方有世界地图,但SW07没有全球夜晚区域显示。


上图是SW07的频率覆盖表。其中,MW波段的频率间隔9kHz或10kHz选择,是根据使用者所选时区自动调节,无需干预。另外,FM的频率范围固定76~108MHz,无法更改。FM调谐时,前半段一片白噪音,十分无奈。
作为小收音机,方便带着去全球旅行的全波段便携机子,SW07没有航空波段,是个遗憾。

上图是SW07调谐按钮的功能说明。SW07有快速和慢速共四个调谐按键,但没有飞梭。按住快速调谐几秒之后,会进入自动搜台状态,此时可以松手,自动搜台会持续自动进行,遇到电台信号则停止。搜台时,调谐静噪开启,除非搜到台,否则听不到任何声音。
按住慢速调谐,则按小步距手动搜台,此时不会有调谐静噪,松手则调谐停止,不会自动继续。实际使用下来,慢速调谐往往容易走过头。听到电台声音,立刻松手,但频率已经走过头一点点,此时需要往回调一点才真正命中频率。
个人认为,没有飞梭,是SW07最大的不足。其次,快速调谐时的静噪,也令调谐乐趣大减。

上图是SW07信号衰减ATT功能介绍。ATT功能由一个开关和电位器组成,如果开启,对全部波段有效。相比于常见的DX-Normal-Local两档或三档衰减调节,SW07由电位器提供了平滑的调节范围,相当于自动档小车的无级变速。
可以自由调节的ATT,对于外接大型室外天线的情形,是非常实用的功能。


如上图,可以看到SW07在音质方面,提供了News和Music两个选择,实质上,News档是在CXA1622M的4和13脚加了电容,对音频高端进行了削减。Music档的音质,在这个体积的小机子中,清丽明亮,均衡凝练,实属上乘。耳机输出的音质,亦是十分优美。

上图是SW07内存芯片预置频率介绍。按键面板最下方一排5个圆形按键,可以分别唤出内存芯片预置的电台频率。按一下则自动对储存的频率进行搜索,遇到信号自动停下来收听,再按一次,则继续往前搜索,自动跳过没信号的频率。非常实用而贴心的功能,至今仍未被山寨。
其中My是“我的”之意,可以自定义100个频率,另外4个按键则是全球几大广播电台的短波频率,出厂预置,无法修改,除非跟厂家买新的芯片。
下图即为内存芯片。



上图是单边带接收介绍。SSB分了上、下边带选择,按下之后,反应迅速,立马进入SSB状态。并不像Tecsun的机器,即使当前旗舰机型,想进入SSB状态也要等屏幕上的字符转好几个圈圈才行,反应缓慢。
SSB模式下,SW07最小步进是0.1kHz,还算实用。但屏幕并没有0.1kHz的数字显示,全凭感觉。换句话说,在SSB模式下,按10次慢速调谐按键,前面9次,LCD显示没任何反应,到第10下,LCD显示才跳动1kHz。
配合室外天线,SSB接收不输业余电台。

上图是SW07同步检波介绍。同步检波亦分上、下边带,实际使用,效果不错。同步检波,其实是短波接收中无奈的选择,在天朝之音的强大覆盖之下,同步检波其实也回天乏力。


上图,SW07和它的老前辈SW55合影。两者对比,SW07完胜SW55。但SW55有飞梭。
下图,SW07和小兄弟SW22合影。SW22应该是世界上最小的高性能全波段收音机,两者对比,SW07的接收性能完胜SW22,音质亦如此。但SW22更小巧,指针机更具调谐乐趣。


SW07和今年Tecsun 最新旗舰PL990合影。 论接收性能,不管是FM还是MW、SW,虽然差别仅仅是毫厘之间,但总体而言,PL990均完胜。论音质,PL990亦无法被超越。但SW07比PL990小巧多了。PL990生硬的按键,让人想把机子砸了。


上图是SW07主电路框图,在图上简单地分析了一下。SONY收音芯片CXA1376AM独步武林,成为一代绝唱。
下图是主电路图,十分繁复。大量的三极管用于开关功能,奢侈豪华的设计。
根据维修手册的元件列表,稍微统计了一下,主电路元件数量有:芯片10块,三极管104个,二极管26个,晶体3个,线圈电感35个,可调电阻18个,电阻221个,电容201个。

下图是主电路PCB。大量采用了钽电容,完全摆脱了电容失效的顾虑。



上图是控制部分和LCD部分的电路图,下图是主控芯片,NEC出品的upD17072GB-556-1A7。


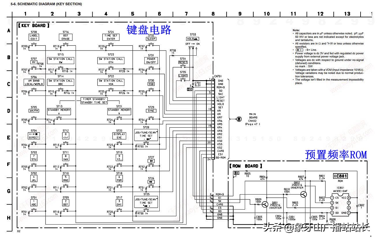
上图是键盘和预置频率ROM芯片的电路图。下图是键盘PCB。



上图是按键和扬声器。非常小的喇叭,出乎意料的是,它发出来的音质还真不赖,当然了,在这个小口径前提下。如果硬要跟大口径喇叭对比音质,是非常不厚道的。

上图是主电路的几块主要芯片引脚图,下图是主电路全部芯片型号列表。



以下两图是整机及机架的爆炸展开图,构件不算少。实际上,整机构件制作精良,开模精准,严丝无缝。



小结一下:
1、外形非常小巧,携带方便。
2、接收灵敏度高,选择性不错,是当年最高性能的代表作。但FM的选择性没法跟当前DSP的机子相比。
3、整机操控感觉很好,但音量旋钮感觉偏小。
4、在这个体积大小的前提下,音质还算不错,清丽澄亮。但毕竟喇叭太小,音质跟大型机子没法比。
5、中短波底噪非常低,不愧为一代名机。在中短波段,论底噪和接收性能,即使PL990也没有必胜的把握。
6、以下说缺点和不足,个人认为,最大的不足是没有飞梭。虽然有频率搜索、频率输入、频率存储等调谐方法,但没有了飞梭的收音机,是没了金箍棒的孙行者。
7、频率存储芯片是个令人烦恼的问题,如鲠在喉。
8、没有航空波段。
9、快速调谐时有调谐静噪,自作多情的功能。
最后,附上SW07调试方法和参数。






外置有源天线AN-LP2的电路图。
