艾默生中型UPS一般指从30KVA至60KVA之间的UPS,这也是我们机房中普遍采用的一款UPS,从使用和日常维护的角度,我们应该必须掌握三个方面的内容,即UPS的工作原理、开关机步骤和日常维护,下面分别说明一下。
1 UPS工作原理
1.1 原理概述
UPS系统是连接在输入电源和负载之间,为重要负载提供不受电网干扰、稳压、稳频的电力供应的电源设备,在市电掉电后,UPS可将电池能量逆变给负载,继续提供一段时间供电。
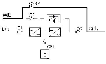
UPS系统主要包括由整流模块(REC)和逆变模块(INV)组成的AC-DC-AC(交流-直流-交流)变换主回路、由反向并联的可控硅组成的旁路静态开关、维修旁路空开Q3BP(BP即ByPass分路迂徊)、输出隔离变压器和逆变静态开关、蓄电池组以及输入Q1(输入是Q1)/输出空开Q5(输出是Q5,也有叫Q5N的)等。
系统组成如图1所示,

图1 UPS系统组成
其中,空气断路器Q1控制主路交流电源输入,整流模块将交流电源变成直流电源,逆变模块进行DC/AC变换,将整流模块和蓄电池提供的直流电源变换成交流电源,经过隔离变压器输出。蓄电池组在交流停电时通过逆变向负载供电。输入电源也可以通过旁路静态开关从旁路回路向负载供电。另外,要求对负载供电不间断而对UPS内部进行维修时,可使用维修旁路开关Q3BP。

1.2 工作模式
1.2.1 正常工作模式
在主路市电正常时,UPS一方面通过整流器、逆变器给负载提供高品质交流电源;另一方面通过整流器为电池充电,将能量储存在电池中。原理框图见图2。

图2 正常工作模式

1.2.2 电池工作模式
当主路市电异常时,系统自动无间断地切换到电池工作模式,由电池通过逆变器输出交流电向负载供电。市电恢复后系统自动无间断地恢复到正常工作模式。原理框图见图3。

图3 电池工作模式

1.2.3 旁路工作模式
旁路工作方式有两种,一种能自动恢复到正常工作模式;另一种需人工干预才能回到正常工作模式(这种模式我们就遇到过)。
在逆变器过载延时时间到、逆变器受大负载冲击等情况下,系统自动无间断切换到静态旁路电源向负载供电。过载消除后,系统自动恢复正常供电方式。
当用户关机,或主路市电异常且电池储能耗尽,或发生严重故障等情况下,逆变器关闭,系统会切换并停留在旁路工作模式。此后若需恢复到正常工作模式,则需要用户重新开机。原理框图见图4。

图4 旁路工作模式

1.2.4 维修工作模式
对UPS系统及电池进行全面检修或设备故障维修时,可以通过闭合维护开关Q3BP,将负载转向维修旁路直接供电,以实现对负载不停电维护。维修时需要断开UPS内部的主路输入开关Q1、旁路输入开关Q2和电池输入开关QF1以及输出开关Q5,实现UPS内部不带电而对负载仍然维持供电的维修工作模式。原理框图见图5。

图5 维修工作模式

2 开关机步骤
2.1 开关说明
UPS电源上电调试主要与以下输入输出控制开关有关。
主路电源输入空气断路器Q1——连接UPS与主路输入电源的开关;
旁路电源输入空气断路器Q2——连接UPS与旁路输入电源的开关;
输出空气断路器Q5——连接UPS与负载设备的开关;
维修空气断路器(Q3BP)——连接旁路输入电源与负载设备的开关;
另外,在控制过程中还会用到在电池柜上的蓄电池组输出开关QF1。(这些内容必须记熟)
2.2 开机
2.2.1 初次开机
UPS电源内各开关应全部处于分断状态(OFF),检查并确认各输入输出电源线相位和蓄电池连线极性正确,将电源送至主路电源输入开关Q1和旁路电源输入开关Q2,并保证输入电源在指标要求范围内。
注意
上电过程中不要带负载!
UPS电源系统按照以下顺序启动:
第一步:闭合旁路电源开关Q2和UPS的输出空开Q5,面板上旁路供电指示灯绿色亮,大屏幕液晶显示屏上实时显示启动过程中的各种信息。
第二步:闭合主路电源开关Q1和手动闭合蓄电池组的输出开关QF1,系统进入启动过程,首先听到辅助继电器闭合声,延迟约2S,再听见主接触器闭合声,接着辅助继电器断开,整流器启动,面板上整流器工作指示灯“绿色”闪烁数次,10S后常亮,整流器进入正常工作状态。
第三步:直流母线电压达到设定值时蓄电池输入接触器自动闭合;电池接触器未闭合之前,电池灯呈红色,电池接触器闭合后,电池灯灭。
第四步:按住操作面板上的“逆变启动”按钮持续2s以上,逆变器开始启动,直到面板上逆变器工作指示灯呈“绿色”闪烁,逆变器启动完毕。
第五步:UPS输出电源自动无间断地从旁路供电切换到逆变供电,面板上旁路供电指示灯熄灭,逆变指示灯亮,负载灯亮,系统处于待机状态。如果逆变输出电源与旁路电源相序不一致,UPS输出电源不能从旁路供电切换到逆变供电。
如在运行过程中交流失电后又恢复,重新启动整流器需延时一段时间。
如果切换为油机供电且需要工作于智能发电机模式,监控检测系统需要确认油机电源是否满足输入条件,其确认时间就是油机启动的延时时间,在1~255秒范围内。
等待系统启动完毕,可以通过显示面板控制键盘进行各种功能设置。
注意
交流失电指相电压低于120V或线电压低于208V现象持续10ms以上。
2.2.2 开机
在初次上电过程调测完毕后,UPS系统进入使用过程,一般情况都带有负载。如果UPS输入电源满足规定的输入条件,可进行以下操作。
市电开机
1.完成准备工作,输入电源到达UPS机柜的输入端;
2.闭合旁路空开Q2和输出开关Q5,等待旁路工作指示灯亮且为绿色;
3.闭合主路输入开关Q1,闭合电池输出开关QF1,逆变器启动并正常工作后,负载电源将无间断地切换到由逆变供电。
电池开机
当蓄电池组正常并一直连在直流母线上时,可利用电池直接启动逆变器。启动步骤为:按住操作面板上的“启动”按钮持续2s以上,当面板上逆变器工作指示灯呈“绿色”后,闭合输出空开Q5,逆变器向负载供电,此时,电池灯和负载灯及逆变器工作指示灯呈“绿色”。
注意
初次安装电池,无法用电池直接启动!
2.3 关机
2.3.1 正常工作模式下关机
UPS系统进行定期检修或退出使用,从正常工作模式下进行关机过程如下:
1.按面板上的“逆变停机”按钮2S以上,关闭逆变器,系统转旁路供电;
2.依次断开输入开关Q1、电池柜内的电池开关QF1;
这时负载由旁路供电,如果不需要再向负载供电,直接断开Q2、Q5;如果要对负载维持供电,UPS内部需断电维修,可继续以下操作。
3.合上内部维修旁路开关Q3BP;
4.依次断开旁路开关Q2、输出开关Q5;
此时用户负载完全依赖UPS内部维修旁路供电;再过8分钟,待UPS内部直流母线电容放电完毕后即可进行一般的检修或维修工作。
5.若需对UPS完全下电,需要装设外部维修旁路开关KBP。在分断空开Q2和Q5后,合上外部维修旁路开关KBP,再断开内部维修旁路开关Q3BP,将负载不间断地转入外部维修旁路供电。此后,可在断开UPS输入、输出配电开关的条件下完成UPS的整机更换或扩容等操作。
2.3.2 旁路工作模式下关机
旁路工作模式下关机需进行正常工作模式下关机步骤的第二步至第五步。
电池工作模式下关机
注意
旁路电源不正常时,电池工作模式下关机将导致负载断电!
由于没有市电,电池工作模式下关机需进行正常工作模式下关机步骤的第一步后,直接关闭所有开关。
2.3.3 紧急关机及恢复
在任何状态下,若发现负载、线路或UPS本身发生危害安全的严重故障,可拨动面板上的“紧急关机”按钮的防误操作罩且按住该按钮约2s,系统会关闭整流器、逆变器,*锁封**输出(包括旁路和逆变器),同时将内部的电池接触器脱扣。
此后,若用户确信已排除上述严重故障,可操作面板上的“故障清除”按钮,让系统退出紧急关机状态。进入正常状态之后,整流器重新启动,电池接触器吸合,旁路可向负载供电。但若想逆变器工作,用户需重新操作“逆变启动”按钮,再启动逆变器。
3 日常维护
UPS内部的元器件除了冷却风扇在转动,其他都是静止的。日常维护内容非常少,由于UPS的正常运行受环境影响较大,因此在日常维护中需注意保证满足UPS运行的环境要求。建议用户对以下检查内容进行记录,可使机器保持最佳的性能并预防将小问题转变成大故障。
3.1 日检
1)检查控制面板:确认所有LED指示正常,液晶屏显示的所有参数正常,面板上没有报警;
2)检查机柜内各风扇输出处无明显的高温;
3)有无异常噪声;
4)确认通风栅格无阻塞;
5)检查所有风机是否运行正常,确认有风从机内吹出。风扇在连续运转下的预期工作时间一般为20000~40000小时,在高温环境下使用风扇寿命会缩短。
3.2 周检
1)测量并记录电池充电电压;
2)测量并记录电池充电电流;
3)测量并记录UPS三相输出电压;
4)测量并记录UPS输出各相电流,如果测量值与以前明显不同,记录下新增负载的大小、种类和位置,这有利于帮助分析是否会产生故障。
如果显示控制面板显示测量值与对应的计算值不符,请与客户服务部联系。
3.3 年检
注意
1.年检需要接触到机器内部有危险电压的地方,特别强调年检应由经过培训的工程师进行。
2.年检时负载由维修旁路供电。
每年都应对机器进行彻底清洁并作以下检查:
1)首先按周检的内容进行检查;
2)关断UPS,将负载转到维修旁路供电;
3)断开UPS的市电输入开关和电池开关;
4)确信UPS整流器输入端(R1、S1和T1)、电池连接端、输出端(U4、V4、W4)和旁路输入端(R4、S4和T4)没有电压;
5)打开UPS门板和内部的保护盖板;
6)检查UPS功率器件和辅助器件,特别注意以下几部分:
电容----检查漏液、变形等
磁性元件----检查过温痕迹、紧固程度及有无裂痕
电缆和连接端----检查电缆老化、磨损和过温痕迹,检查印刷电路板接头须牢固
印刷电路板----检查清洁度和完整性
7)用吸尘器吸去表面杂质,用低压空气吹去外部碎屑;
8)重新合上UPS的市电输入,按照UPS启动步骤启动UPS,将负载转到由逆变器供电;
9)如有必要,断开主路输入开关(Q1),检查电池后备时间,当电池电压下降至比放电终止电压高5V时合上整流器输入开关(Q1),(注意:电池放电终止电压为300Vdc,当电池电压到达放电终止电压时电池输入接触器将会断开、负载将会转至旁路),记录下UPS的后备时间。
3.4 其他检查
1)输入/输出电缆绝缘外套和连接端检查:建议作定期检查,这时需要将UPS完全断电,检查周期最好不超过2年;
2)防雷检查:防雷指示灯需要开启前门才能观察,因此建议按照周检方式进行。但是在多雷和潮湿季节需要按日检进行,特别是在设备附近发生雷击后都要观察,以便实时发现问题和及时维护。
3.5 电池维护
UPS电源采用密封式免维护铅酸电池,电池的使用寿命取决于环境温度和充放电次数,高温下使用或深度放电会缩短电池的使用寿命。
3.5.1 蓄电池保养
为确保电池的使用寿命,应定期进行维护保养:
1)定期检查蓄电池的状态。保持蓄电池室或电池柜、支架的清洁,定期清洗连接条和连接螺丝处的氧化物,并涂以凡士林和黄油,紧固松动的螺丝,保持蓄电池连接良好,防止大电流放电时产生打火和过大的压降;
2)每2~3个月检查一次蓄电池绝缘。每周检查蓄电池的总电压,观察“标示电池”的端电压;每月普测单节电池的电压,采用自动电池管理的均充功能对“落后”电池进行补充充电;清除漏出的电解液;
3)尽量保持环境温度在15℃到25℃之间;
4)准备停用的电池,在停用前应先充电,并每隔1个月充电一次;
5)若发现电池供电时间大大缩短或UPS的液晶显示“电池需要更换”,请联系经销商,确认是否需更换电池。更换电池前请确认更换的电池与原电池的参数与规格相同;
6)采用了我司的自动电池管理系统后许多维护工作都是自动进行的。例如,定期对蓄电池进行充电、放出容量的20%左右的核对性放电试验、温度补偿、均浮充转换控制、电池寿命预测、电池欠压预报警、各种故障信息报警提示等。因此需注意确认相关的电池管理功能是否正常,电池管理参数是否正确。
3.5.2 手动电池自检
允许手动电池自检条件为:
1)电池接触器闭合;
2)电池处于浮充状态;
3)整流、逆变通讯正常;
4)电池状态正常;
5)整流器工作正常;
6)市电电压正常;
7)逆变器正供电;
8)负载功率大于指定的电池曲线设定的电池自检功率;
9)UPS不处于联合供电状态。
以上条件都满足时方可进行电池自检。如果在自检过程中,出现上述允许条件任意一条不满足,系统将退出自检,转入均充状态。
按停止手动自检,可以中止自检过程,电池转均充。
电池自检结束转均充。
3.5.3 自动电池自检
当UPS运行状况满足手动自检允许条件,且与上次自检的间隔时间满足“电池放电间隔时间设置”时,进行自动自检。如果与上次自检的间隔时间满足“电池放电间隔时间设置”但不满足手动自检条件,系统等待,直到满足条件后进行自动自检。
如果系统自检过程中出现自检条件不满足,系统退出自检并转均充充电。退出条件同手动自检。
3.6 停机维护
对于大型UPS,一般需进行定期检修,以确保UPS运行于良好的状态和环境之中。若UPS发生故障,则需通知维修部门进行维修。在检修或维修时,为维持对负载的不间断供电,需按以下顺序关闭UPS。UPS电源停机操作步骤如下:
1.按面板上的“逆变停机”按钮,关闭逆变器,系统转旁路供电;
2.依次断开输入开关Q1,断开电池柜内的电池开关QF1;
3.合上内部维修旁路开关Q3BP;
4.依次断开旁路开关Q2,及输出开关Q5;
此时用户负载完全依赖UPS内部维修旁路供电;再过8分钟,待UPS内部直流母线电容放电完毕后即可进行一般的检修或维修工作。
5.若需对UPS完全下电,应在分断空开Q2和Q5后,合上外部维修旁路开关KBP,再断开内部维修旁路开关Q3BP,将负载不间断地转入外部维修旁路供电。此后,可在断开UPS输入、输出配电开关的条件下完成UPS的整机更换或扩容等操作。