近年来随着建房技术的发展,出现了不少新的建房模式,例如轻钢建房、EPS模块建房等。对于这些新型建房材料,农村朋友还是比较关注的,想知道这些新型材料到底靠不靠谱,适不适合农村。今天大家带来一个EPS模块建房的真实案例,希望能给大家一些参考。

这栋房子的主人是来自河北任丘的范女士,看着村里一栋栋别墅拔地而起,自己也想回农村盖房。“老家有房出去打拼都有底气”,这是范女士的原话。另外范女士的弟弟一直在外地打拼,希望家里有房以后,弟弟能回老家发展。


这是原来家中的老房,陪范女士一起度过了数十个春秋,完成了自己的使命,也是时候退出历史舞台了。至于为什么选择EPS模块建房呢?范女士说出了两点原因。
01
保温,北方冬季严寒,而EPS模块建房保温效果好。
02
省心,EPS模块建房过程较为简单,用时也较短,省心省力。

不管是传统的红砖建房还是EPS模块建房,专业的图纸都是少不了的。一开始范女士找了保定的一家厂家,交了3000块钱定金,出了平面图和效果图。


可没想到碰到了疫情,厂家不能施工了,3000块钱也就打了水漂。范女士只能等疫情控制下来以后,在本地找了一家施工队。而外观则是参照我们住宅公园这套编号为ZJ-601的图纸。

跟砖混结构一样,第一步也是基础施工,然后材料入场,开始主体建造。将模块插入钢筋,搭建好后,向模块中空部分浇筑混凝土,一层一层搭建。

其实说白了,EPS模块就相当于现浇房支的模板,只是EPS建房就不用拆除模块了,房子还多了一层保温。这样建出来的房子保温效果好,建造过程快。而且里面全是混凝土现浇的,整体性能好,抗震性也不错。

然后进行外墙美化。从外观上看起来跟红砖建房也没什么区别。整个主体部分包工包料,一共花费262000元。建造面积一共307平米,算下来853元每平,这个价格比砖混结构还要便宜。

因为表层是泡沫,墙体挂不住物品。需要根据建房之前设计的固定预留件,进行室内装修。

新中式的装修风格,现在越来越受欢迎。实木家具结合唯美的背景墙,再搭配一些绿植,显得大气雅致。


雍容华贵的地毯,搭配造型感十足的吊灯,也是相得益彰。
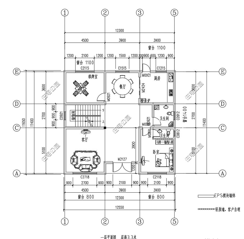
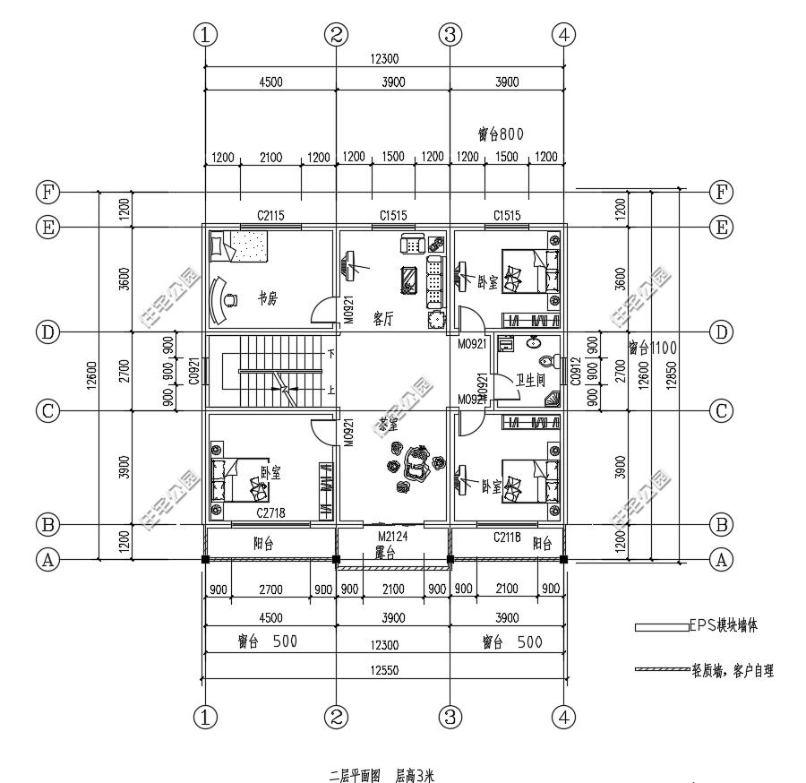
原计划一层高3米,二层3.3米,层高较低有利于保温。后面考虑到四周楼房高度,为了采光更好,加高到3.3和3.6米。

一层设立客厅、餐厅、厨房和两个卧室,二层则是四室一厅布局。虽然面积不是特别大,但一家人住在一起,就格外温馨。


现在室内装修也基本完成,年前就能入住了。整个建房过程中,除了在第一家公司损失了3000块钱之外,其他地方都是挺顺利的。
最后小宅也提醒大家,不管是EPS模块建房也好,轻钢建房也好。选厂家时一定要仔细辨别,最好是实地考察他们之前做过的项目。签合同时也要慎之又慎,避免上当受骗。