1、RS485总线基本特性
根据RS485工业总线标准,RS485工业总线为特性阻抗120Ω的半双工通讯总线,其最大负载能力为32个有效负载(包括主控设备与被控设置)。
2、RS485总线传输距离
当使用0.56mm(24AWG)双绞线作为通讯电缆时,根据波特率的不同,最大传输距离理论值如下表:

当使用较细的通讯电缆,或者在电磁干扰较强的环境使用本产品,或者总线上连接有较多的设备时,最大传输距离相应缩短;反之,最大距离加长。
3、连接方式与终端电阻
1) RS485工业总线标准要求各设备之间采用菊花链式连接方式,两头必须接有120Ω终端电阻(如图一所示),简化连接可采用图二的接线方式,但“D”段距离不能超过7米。


2) 球机终端120Ω匹配电阻的连接方式
球机终端120Ω匹配电阻可通过在球机底盘上的拨码开关拨码来连接,如图三所示。球机出厂时,120Ω匹配电阻默认为未接入,可通过把拨码开关的第10位拨到ON,把120Ω匹配电阻接入线路。反之,如果不接入120Ω匹配电阻,则把第10位拨到OFF即可。


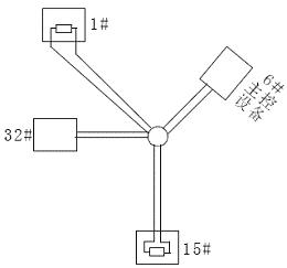
4、实际应用中的问题
实际施工使用中用户常采用星形连接方式,此时终端电阻必须连接在线路距离最远的两个设备上(如图四,1#与15#设备),但是由于该连接方式不符合RS485工业标准的使用要求,因此在各设备线路距离较远时,容易产生信号反射、抗干扰能力下降等问题,导致控制信号的可靠性下降。此时,出现的现象为球机完全不受控,或自行运转无法停止等。

对于这种情况,建议采用增加一个RS485分配器。该产品可以有效地将星形连接转换为符合RS485工业标准所规定的连接方式,从而避免产生问题,提高通信可靠性,如图五所示。

5、RS485总线常见故障解决
